EasyManua.ls Logo

DCS CT-365BL - Wiring Diagram

DCS CT-365BL
22 pages
Print Icon
To Next Page IconTo Next Page
To Next Page IconTo Next Page
To Previous Page IconTo Previous Page
To Previous Page IconTo Previous Page
Loading...
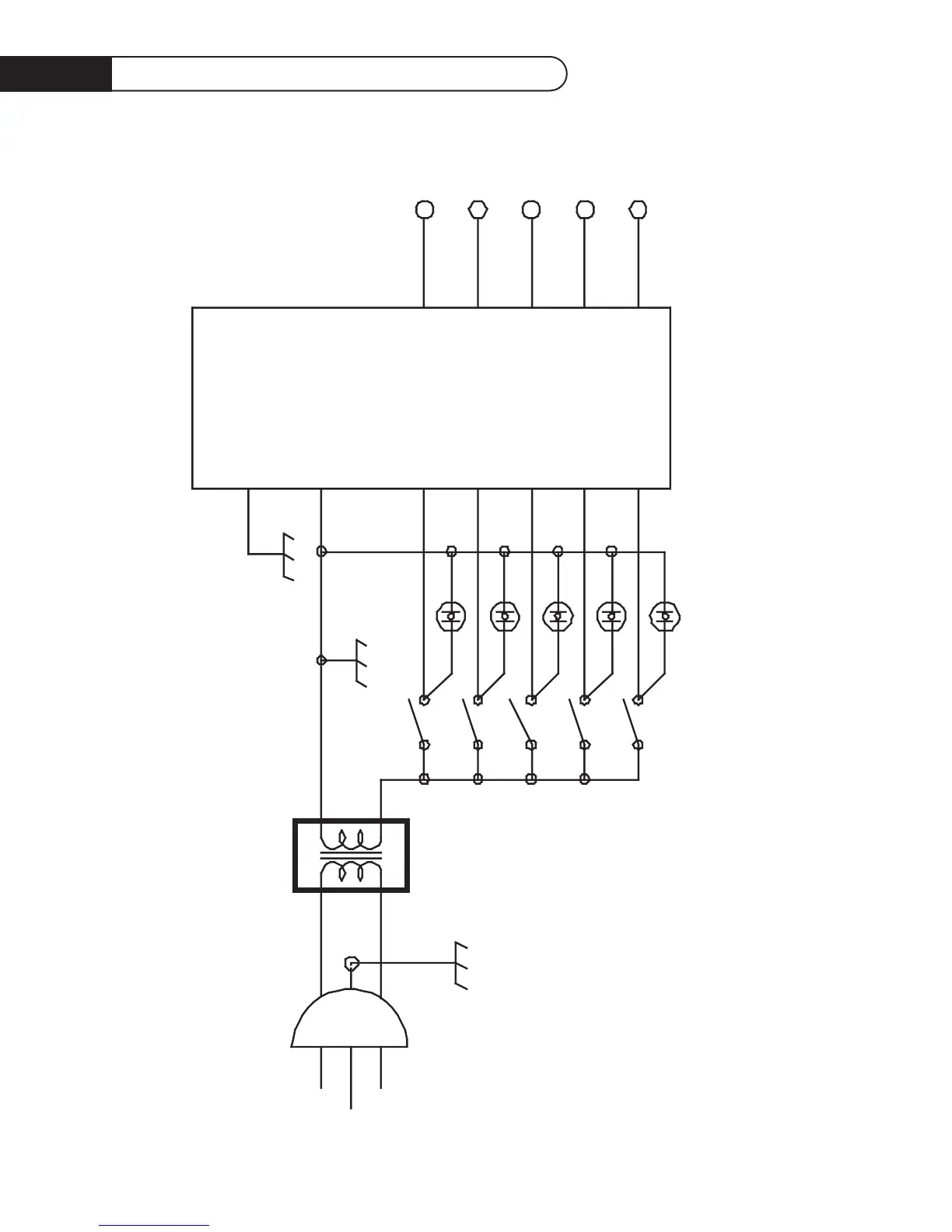
Wiring D iag ram
18
POWER CORD
120 VAC IN
120/230V
TRANSFORMER
120V 230V
VALVE
SWITCHES
INDICATOR
LIGHTS
LF
LR
C
RR
RF
SW5
SW4
SW3
SW2
SW1
5
4
3
2
1
LF
LR
C
RR
RF
ELECTRODES
5 POINT
GAS RE-IGNITER
MODULE
G
N

Related product manuals