EasyManua.ls Logo

DCS DRH-48N - Wiring;Schematic Diagrams

DCS DRH-48N
44 pages
Print Icon
To Next Page IconTo Next Page
To Next Page IconTo Next Page
To Previous Page IconTo Previous Page
To Previous Page IconTo Previous Page
Loading...
15
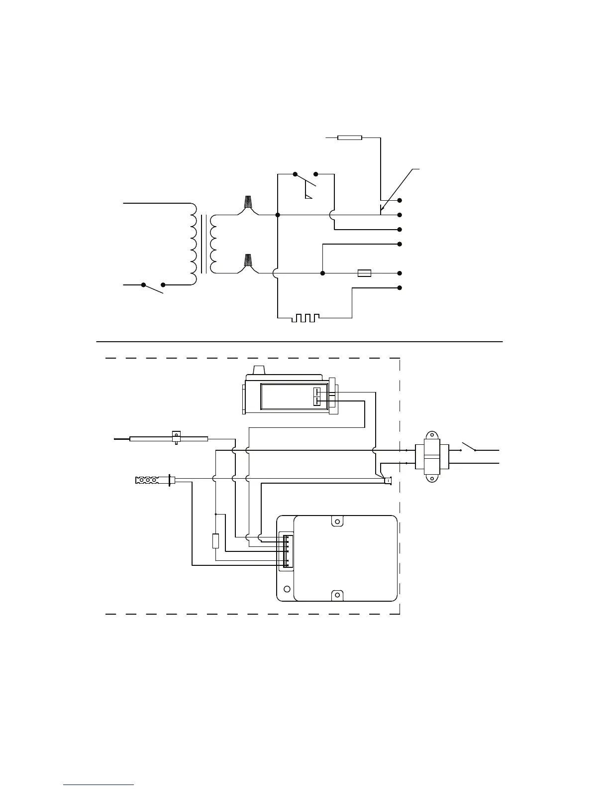
WIRING/SCHEMATIC DIAGRAMS
WIRING SCHEMATIC
WIRING / COMPONENT DIAGRAM
L1
N
1. PUR - FLAME SENSOR
2. GRN - GR OUND
3. BLU - GAS VALVE ( TERM #1)
4. ORG - THERMOSTAT
5. (BLANK)
6. BLK - 24 VAC
7. RED - IGNITER
F
LAME
S
ENSOR
SHORT TO BYPASS
FLAME SENSOR
GAS
VALVE
#
2 #1
IGNITER
FUSE
10 AMP - 32 VOLT
24 VAC
120 VAC
60 Hz
SW
N
L1
FUSE
1
2
3
4
5
6
7
1
2
GROUND
LUG
IGNITION
MODULE
FLAME
SENSOR
MINI
IGNITER
GAS
VALVE
24 VOLT AC
TRANSFORMER

Related product manuals