EasyManua.ls Logo

Dea 400RR - Page 15

Dea 400RR
20 pages
Print Icon
To Next Page IconTo Next Page
To Next Page IconTo Next Page
To Previous Page IconTo Previous Page
To Previous Page IconTo Previous Page
Loading...
I-1
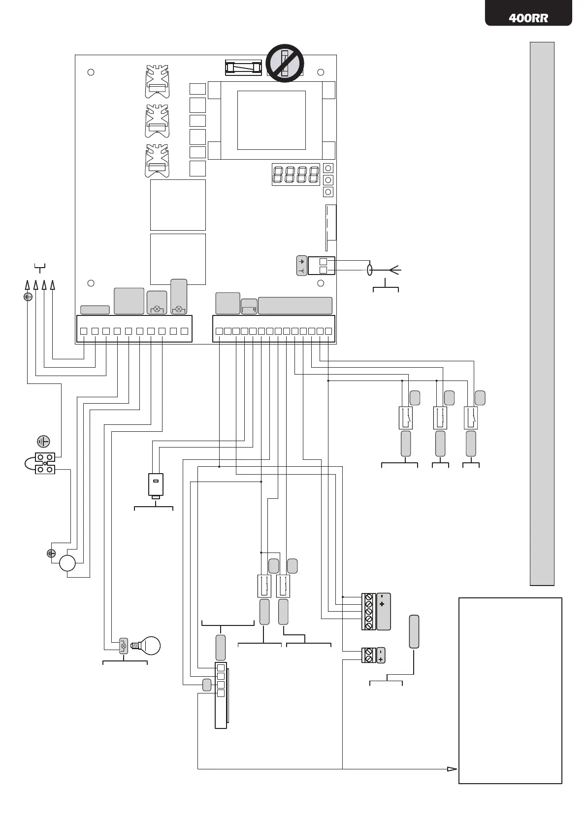
Al morsetto 13 per collegamento normale, To terminal n. 13 for normal
connection, À la borne 13 pour connexion normale, An Klemme 13 für
Normalanschluss, Al terminal 13 para una conexión normal, Para o
WHUPLQDO Q  SDUD OLJDomR QRUPDO 'R ]DFLVNX  GOD SRGáąF]HQLD
QRUPDOQHJRɄɤɥɟɦɦɟɞɥɹɧɨɪɦɚɥɶɧɨɝɨɩɨɞɤɥɸɱɟɧɢɹ
Al morsetto 12 per sicurezze controllate, To terminal n. 12 for controlled
safety devices, À la borne 12 pour sécurités contrôlées, An Klemme 12
Anschluss mit Testfunktion, El borne 12 para seguridades controladas,
Ao terminal 12 para dispositivos de segurança controlados, Do zacisku
 GOD NRQWURORZDQ\FK ]DEH]SLHF]HĔ Ʉ ɤɥɟɦɦɟ  ɞɥɹ ɭɩɪɚɜɥɹɟɦɵɯ
ɭɫɬɪɨɣɫɬɜɛɟɡɨɩɚɫɧɨɫɬɢ
F9
F8
400V 3~
230V ~
FCC
FCA
11
12
13
14
15
16
17
18
19
20
21
22
23
24
1
2
3
4
5
6
7
8
9
10
WARNING
LOCK
FLASH
230V
0V
24VSIC
24VAUX
COM
SIC
FCA
FCC
PED
FOTO
STOP
START
COM
L1
L2
L3
T1 (CH)
T2 (AP)
T3 (COM)
PED
STOP
START
TXRX
PHOTO 1
COM
N.C.
N.O.
SIC1
N.C.
ELETTROSERRATURA, ELECTRIC LOCK,
SERRURE ÉLECTRIQUE, ELEKTROSCHLOSS,
ELECTROCERRADURA, FECHADURA ELÉTRICA,
ZAMEK ELEKTRYCZNYǩǗǑǖǞǜǚǓnjǘǚǖ
12V ~ 15VA art. 115
DISPOSITIVO DI SICUREZZA ESTERNO (N.C.), EXTERNAL
SAFETY DEVICE (N.C.), DISPOSITIF DE SÉCURITÉ
EXTERNE (N.C.), EXTERNE SICHERHEITSEINRICHTUNG
(N.C.), DISPOSITIVO DE SEGURIDAD EXTERNO (N.C.),
DISPOSITIVO DE SEGURANÇA EXTERNO (N.C.),
85=Ĉ'=(1,( =$%(=3,(&=$-Ĉ&(=(:1ė75=1( 1&,
ǎǙǑǤǙǑǑǟǝǞǜǚǕǝǞǎǚǍǑǓǚǛnjǝǙǚǝǞǔ1&
START/OPEN
STOP
START PEDONALE, OUVERTURE PIETONS,
PEDESTRIAN OPEN, TEILÖFFNUNG,
APERTURA PEATONAL, APERTURA
PEATONAL, 27:$57$ '/$ 3,(6=<&+,
ǛǑǤǑǡǚǐǙǧǕǚǞǖǜǧǞǚǑ
FOTOCELLULA, PHOTOCELL,
3+272&(//8/(,
LICHTSCHRANKE, FOTOCÉLULA,
FOTOKOMÓRKA, ǠǚǞǚǩǗǑǘǑǙǞ
),1(&256$ &+,8685$, CLOSING LIMIT
SWITCH, FIN DE COURSE FERMETURE,
ENDSCHALTER ZU, FINAL DE CARRERA
CIERRE, FIM DE CURSO ENCERRAMENTO,
2*5$1,&=1,. =$0.1,ė&,$ ǖǚǙǢǑǎǚǕ
ǎǧǖǗǪǣnjǞǑǗǨǓnjǖǜǧǞǔǫ
FINECORSA APERTURA, OPENING LIMIT
SWITCH, FIN DE COURSE OUVERTURE,
ENDSCHALTER AUF, FINAL DE CARRERA
$%(5785$, FIM DE CURSO ABERTURA,
2*5$1,&=1,. 27:$5&,$ ǖǚǙǢǑǎǚǕ
ǎǧǖǗǪǣnjǞǑǗǨǚǞǖǜǧǞǔǫ
LAMPEGGIANTE, FLASHING LIGHT,
CLIGNOTEUR, BLINKLAMPE,
INTERMITENTE, INTERMITENTE, LAMPA
2675=(*$:&=$ ǘǔǏnjǪǥǔǕ
ǔǙǐǔǖnjǞǚǜ
9aP$PD[+]
M
3~
L3
L2
L1
9a+]
ANTENNA, ANTENNE,
AERIAL, ANTENA,
njǙǞǑǙǙnj
26 25
RG58
2 x 0,5 mm
2
4 x 0,5 mm
2
2 x 1,5 mm
2
2 x 1 mm
2
N.C.
N.C.
N.O.
N.C.
N.O.
Schema elettrico - Wiring Diagram - Schéma électrique - Elektroschema - Esquema eléctrico
Esquema eléctrico - Schemat elektryczny - Электросхема подключения

Related product manuals