EasyManua.ls Logo

Dea ADVANCE - Page 61

Dea ADVANCE
Print Icon
To Next Page IconTo Next Page
To Next Page IconTo Next Page
To Previous Page IconTo Previous Page
To Previous Page IconTo Previous Page
Loading...
59
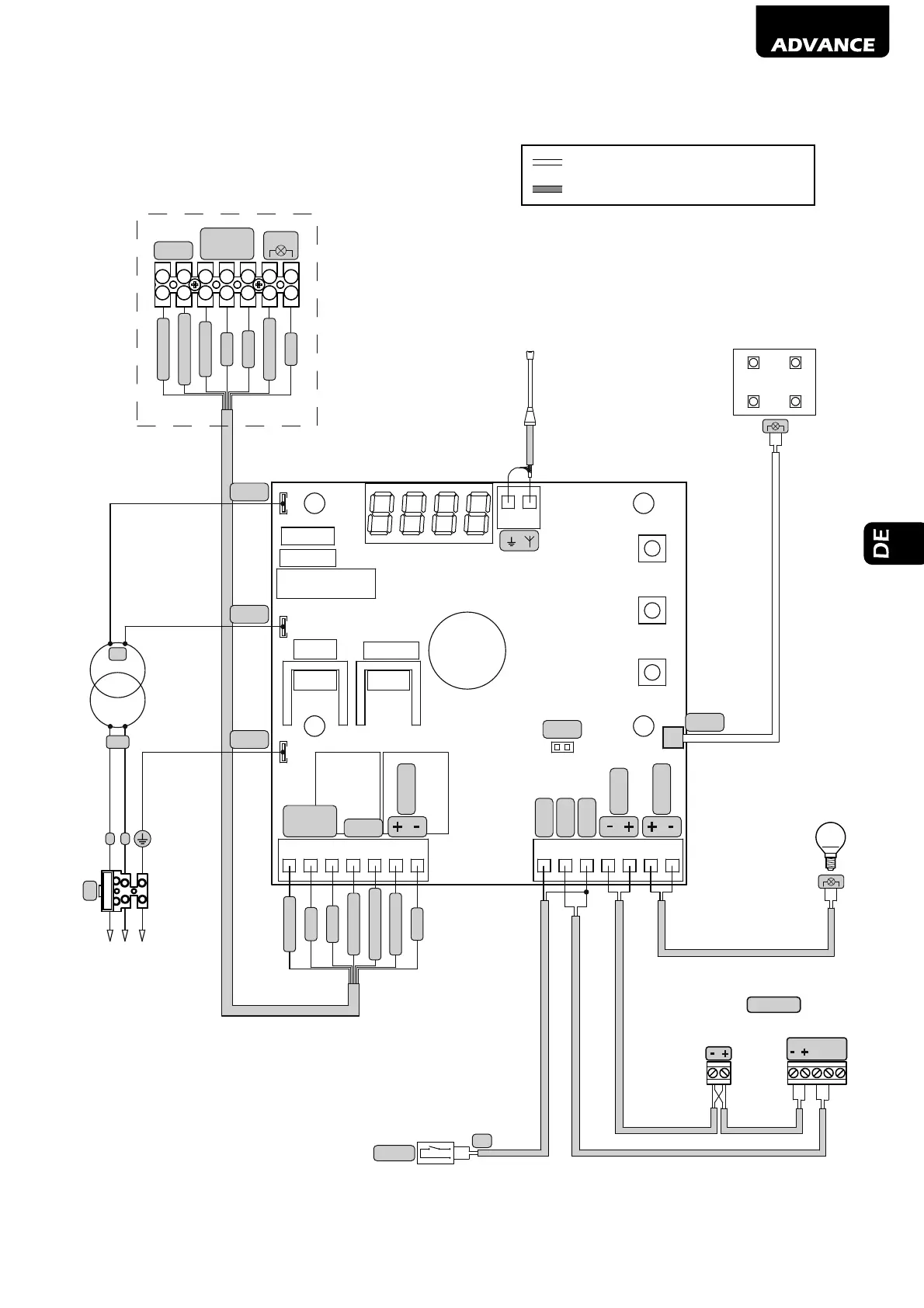
ANSCHLUSSPLAN
11 12 13 148 9 104 5 6 71 2 3
16 15
ENC (M1)
+
ENC - MOT 1
RG58
MOT 1
IN 1
IN 2
COM
24V Out 2
24V Aux
24V Out 1
F1
J4
VERSORGUNG
230V~ 50Hz ±10%
F
N
SIC-E 36 (2x0,75 mm
2
+ 6x0,22 mm
2
)
2 x 0,5 mm
2
2 x 0,5 mm
2
230V
22V
TX RX
COM
N.C.
N.O.
N.O.
START
2 x 0,5 mm
2
ENC (M1)
+
ENC -MOT 1
FLASH
2 x 0,5 mm
2
PHOTO 1
KONTROLLLEUCHTE
TOR OFFEN
24V max 5W
HILFSLICHT
2 x 0,5 mm
2
CON1
CON3
2 x 0,5 mm
2
BLAU
ROT (0,22)
ORANGE
WEIß
GRÜN
SCHWARZ (0,75)
ROT (0,75)
BLAU
ROT (0,22)
ORANGE
WEIß
GRÜN
SCHWARZ (0,75)
ROT (0,75)
WERKSEITIGE VERKABELUNGEN
BAUSEITIGE VERKABELUNGEN
CON2
CON2

Table of Contents

Related product manuals