EasyManua.ls Logo

Dea ADVANCE - Page 84

Dea ADVANCE
Print Icon
To Next Page IconTo Next Page
To Next Page IconTo Next Page
To Previous Page IconTo Previous Page
To Previous Page IconTo Previous Page
Loading...
82
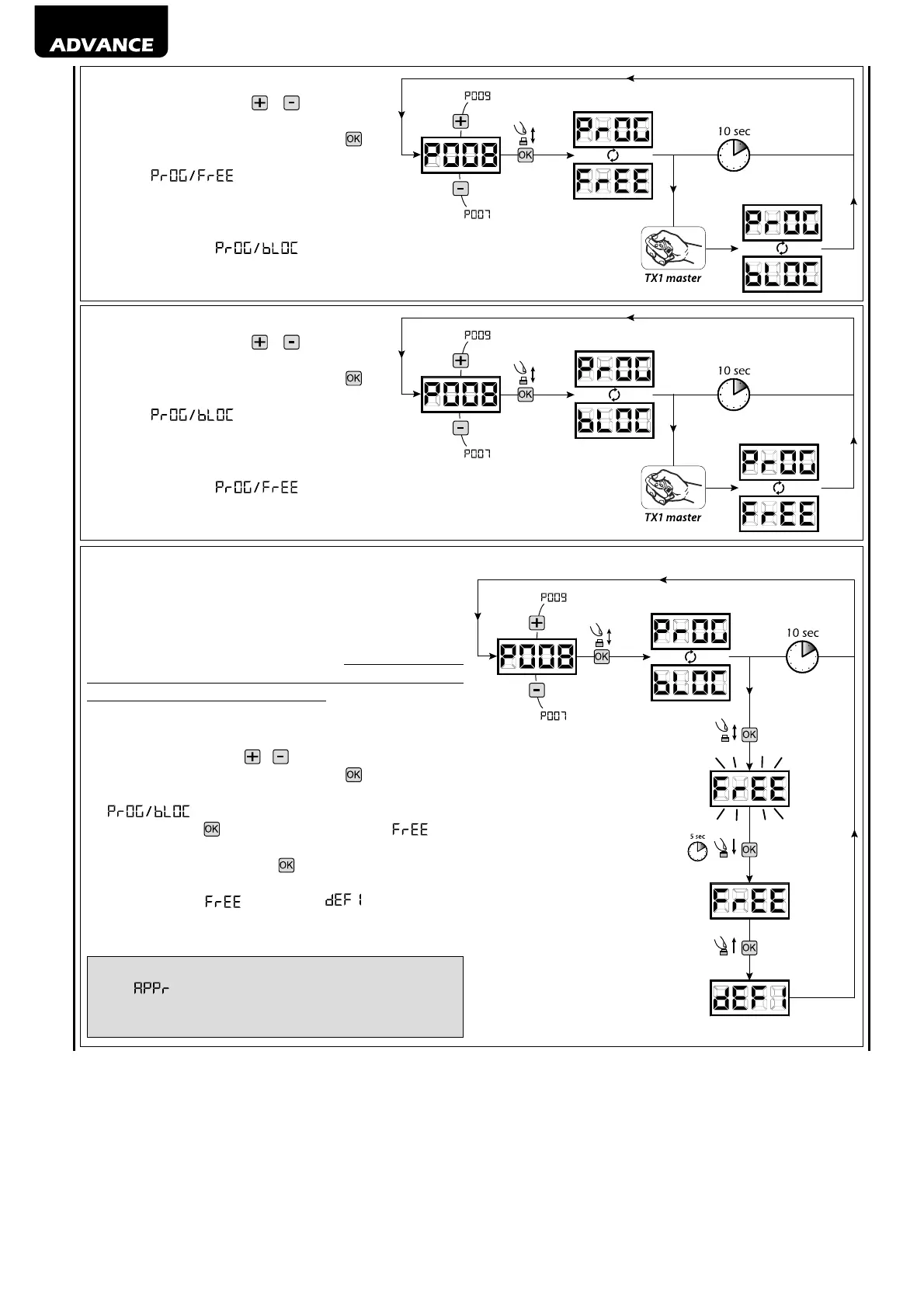
6.1 Bloqueo acceso a la programación
1. Posicionar con el botón
y el P008 en el
display;
2. Acceder al parámetro apretando el botón
;
3. En el display se visualiza de modo alterno el
escrito que indica que la central
está esperando la transmisión del código de blo-
queo;
4. Antes de 10 sec apretar el CH del “TX master”, el
display lo visualiza
antes de volver
a la lista de los parámetros;
5. El acceso a la programación, está bloqueado.
6.2 Desbloqueo acceso a la programación
1. Posicionar con el botón
y el P008 en el
display;
2. Acceder al parámetro apretando el botón ;
3. En el display se visualiza de modo alterno el
escrito que indica que la central
está esperando la transmisión del código de blo-
queo;
4. Antes de 10 sec apretar el CH del “TX master”, el
display lo visualiza
antes de volver
a la lista de los parámetros;
5. El acceso ala programación está desbloqueado.
6.3 Desbloqueo acceso a la programación con reset global
ATENCION! Éste procedimiento comporta la pérdida de todas las
programaciones realizadas.
El procedimiento permite el desbloqueo de la central aún sin cono-
cer el correspondiente código de desbloqueo.
Posteriormente a éste tipo de desbloqueo, será necesario reali-
zar nuevamente la programación de la central y regulación de
todos los parámetros de funcionamiento. Será necesario repetir
las mediciones de la fuerza de la instalación para garantizar la
conformidad de la misma.
1. Posicionar con el botón
y el P008 en el display;
2. Acceder al parámetro apretando el botón
;
3. En el display se visualiza en modo alterno la escritura
;
4. Apretar el botón
, el display visualiza el escrito en in-
termitencia;
5. Apretar nuevamente el botón y mantenerlo apretado 5 seg
(si suelta el precedimiento queda interumpido),el display vi-
sualiza el escrito ! jo segudo de , antes de volver a
la lista de parámetros;
6. El acceso a la programación está desbloqueado.
ATENCIÓN Al ! nal del procedimiento, la pantalla será bloquea-
da en “
” intermitente y será necesario volver a efectuar el
aprendizaje de la carrera motor antes de poder efectuar cual-
quier otra operación.

Table of Contents

Related product manuals