EasyManua.ls Logo

Dean SCFD - Page 53

Dean SCFD
102 pages
Print Icon
To Next Page IconTo Next Page
To Next Page IconTo Next Page
To Previous Page IconTo Previous Page
To Previous Page IconTo Previous Page
Loading...
DECATHLON SERIES GAS FRYERS
CHAPTER 1: SERVICE PROCEDURES
1-48
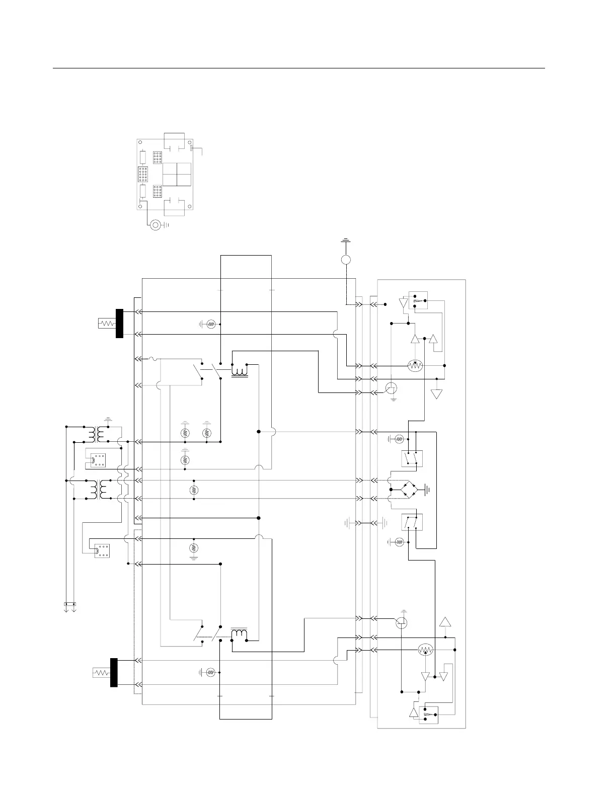
Decathlon Interface Board
RIGHT
TEMP
PROBE
4
J3
87
R-HEAT
LED 4
RL-3
R-GV
LED 5
R
PW
R
V1D
35 41314 11J2
35 41314 11
POWE
R
HEAT
AIR
24V
LED 3
LEFT
TEMP
PROBE
12V
LINE
VOLTAGE
315
7
842J1
L-HEAT
LED 2
RL-1
12V
LED 6
L-GV
LED 1
L
PW
R
V2D
15
15
14
14
6
6
2
2
1
1
POWE
R
ON/OFF
10
2
T
M
T
M
A
A
ON/OFF
SD
F1
24V
C
NO
NC
C
NO
NC
R1
R2
RL1 = 12VDC 2PST
RL2 = 12VDC SPST (NOT USED)
RL3 = 12VDC 2PST
RL4 = 12VDC SPST (NOT USED)
Sound
Device
Sound:
Terminal #1 - Loud
Terminal #2 - Medium
Terminal #3 - Low
To Terminal Tab on
Computer
Interface
Board
RL1 PWRPWR
V1DV2D
RL2
RL3
RL4
J1
J3
PDF compression, OCR, web optimization using a watermarked evaluation copy of CVISION PDFCompressor

Other manuals for Dean SCFD

Related product manuals