EasyManua.ls Logo

Dean SCFD - Page 58

Dean SCFD
102 pages
Print Icon
To Next Page IconTo Next Page
To Next Page IconTo Next Page
To Previous Page IconTo Previous Page
To Previous Page IconTo Previous Page
Loading...
DECATHLON SERIES GAS FRYERS
CHAPTER 1: SERVICE PROCEDURES
1-53
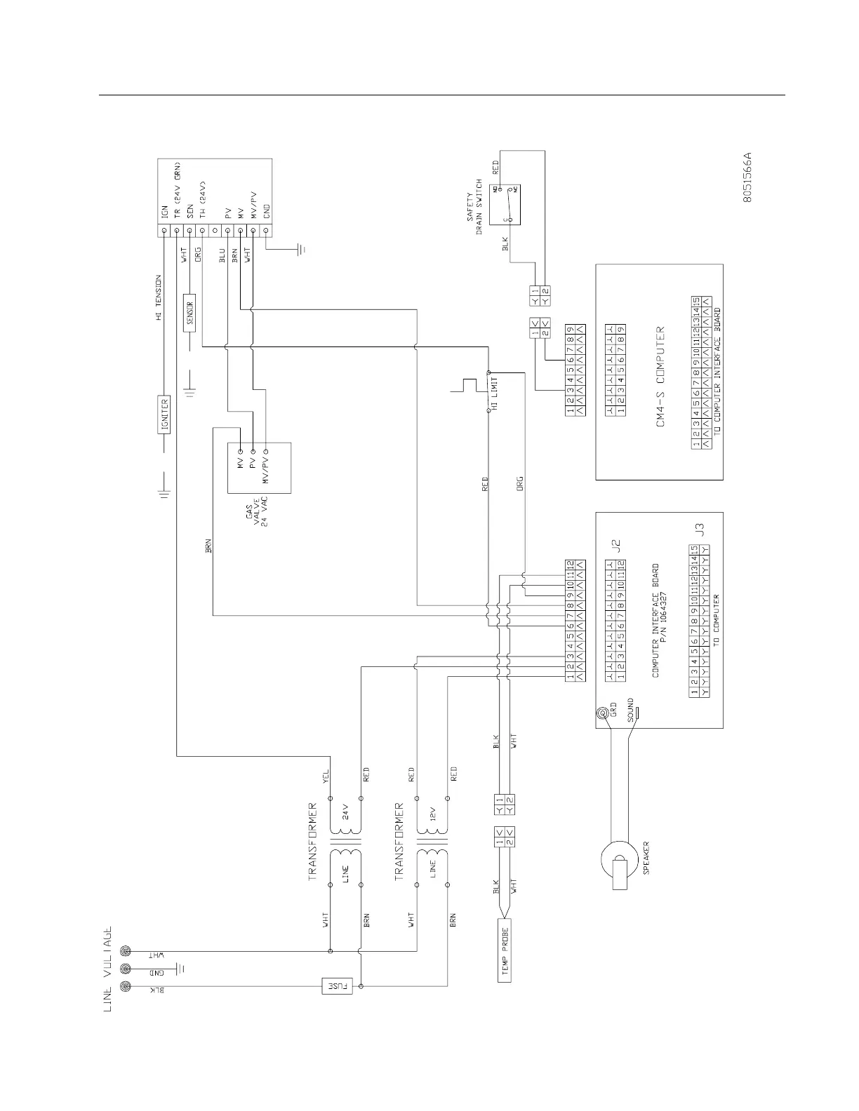
CM4-S with Constant Pilot
PDF compression, OCR, web optimization using a watermarked evaluation copy of CVISION PDFCompressor

Other manuals for Dean SCFD

Related product manuals