EasyManua.ls Logo

Dean SCFD - Service Information and Safety Notations

Dean SCFD
102 pages
Print Icon
To Next Page IconTo Next Page
To Next Page IconTo Next Page
To Previous Page IconTo Previous Page
To Previous Page IconTo Previous Page
Loading...
DECATHLON SERIES GAS FRYERS
CHAPTER 1: SERVICE PROCEDURES
1-2
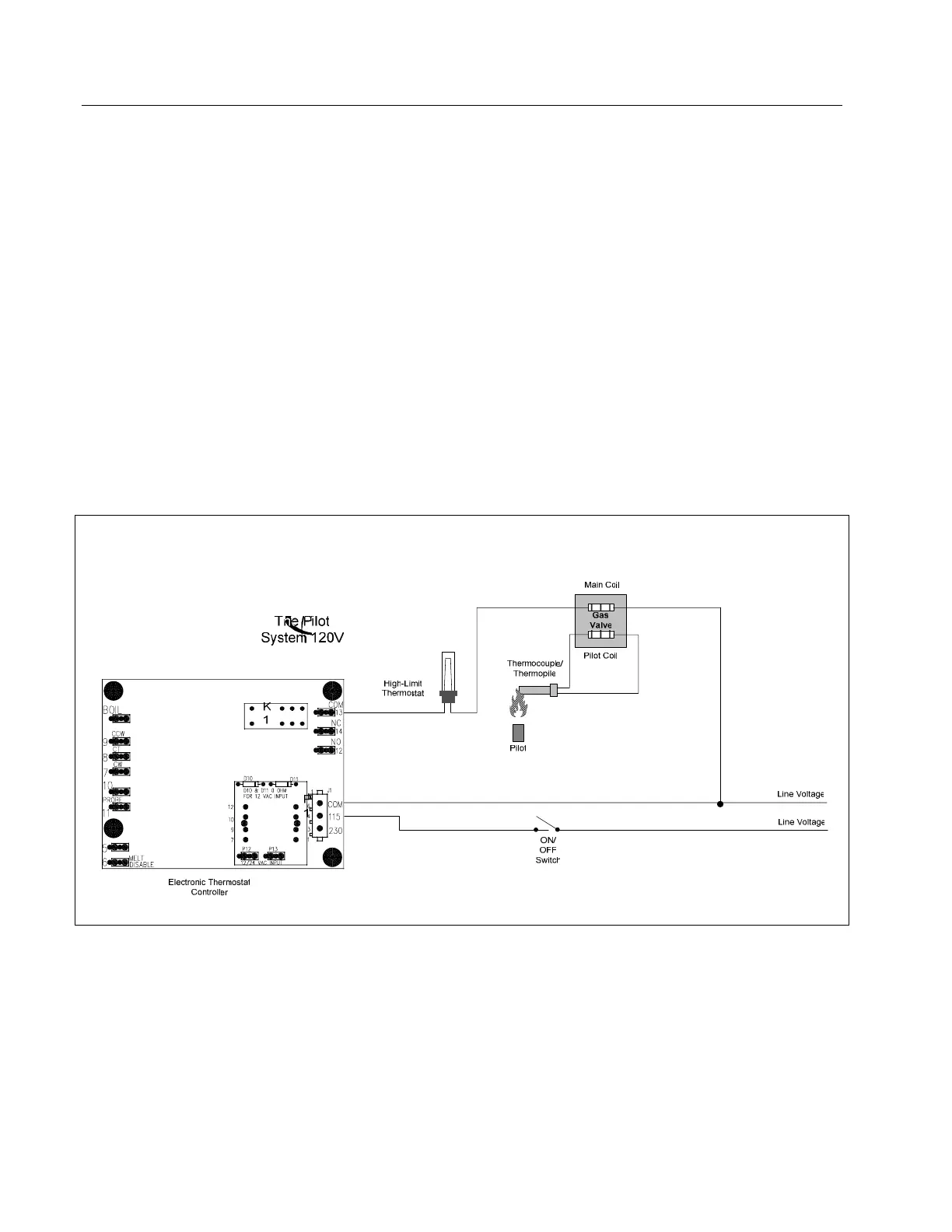
1.1 Functional Description (cont.)
An electromechanical gas valve regulates gas flow to the manifold. Decathlon Series gas fryers are
equipped with either a 120V valve system or a 24V valve system. Unit configurations include either
a pilot ignition system (standing pilot) or an electronic ignition system.
Pilot System Configuration
The pilot system is comprised of the pilot orifice, pilot hood, and a thermopile. The pilot serves two
purposes: light the burner and heat the thermocouple (some systems incorporate a thermopile). In
operation, the thermocouple is in contact with the pilot flame and generates millivolts. The millivolt
output energizes the gas valve pilot coil, which in turn opens the pilot valve. If the pilot flame is
extinguished, the gas valve pilot coil loses voltage and the pilot valve closes. The main valve of the
gas valve will not open if the pilot valve is not open. The pilot flame must be manually lit when the
fryer is first placed into operation. A separate 120V circuit, activated by the fryer ON/OFF switch,
provides voltage through the Thermatron to the gas valve main coil, which opens the main valve.
Electronic Ignition Configuration
In units configured for electronic ignition, an ignition module connected to an ignitor assembly
replaces the pilot system. The ignition module performs three important functions: provide an
ignition spark, supply voltage to the gas valve, and proof the pilot flame.
PDF compression, OCR, web optimization using a watermarked evaluation copy of CVISION PDFCompressor

Other manuals for Dean SCFD

Related product manuals