EasyManua.ls Logo

Delco Pressure Washers - 120 V Generator Electrical Schematic

Default Icon
42 pages
Print Icon
To Next Page IconTo Next Page
To Next Page IconTo Next Page
To Previous Page IconTo Previous Page
To Previous Page IconTo Previous Page
Loading...
Owners Manual 34
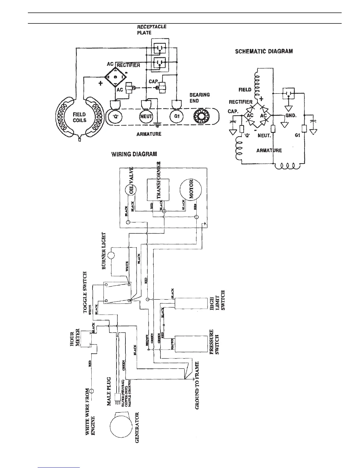
120V GENERATOR ELECTRICAL SCHEMATIC

Related product manuals