EasyManua.ls Logo

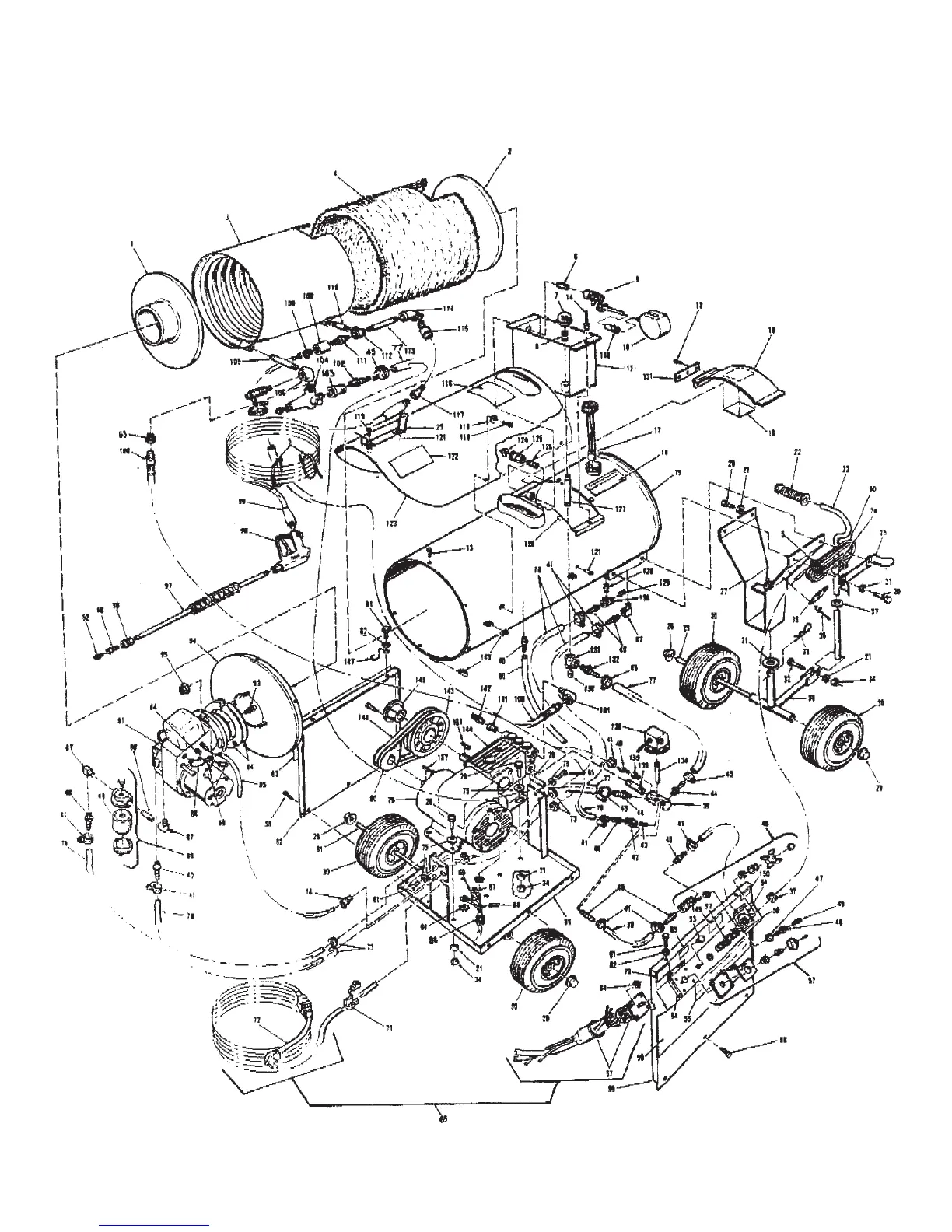
Delco VERSA 100C - Machine Assembly Details; Painted Models Assembly Drawing

Default Icon
28 pages
Print Icon
To Next Page IconTo Next Page
To Next Page IconTo Next Page
To Previous Page IconTo Previous Page
To Previous Page IconTo Previous Page
Loading...
Page 20 Versa 100/100C Owner's Manual
Delco Versa 100/100C (Painted Models)
Machine Assembly Drawing

Related product manuals