EasyManua.ls Logo

DeLonghi 24 E - Electric Diagram

DeLonghi 24 E
28 pages
Print Icon
To Next Page IconTo Next Page
To Next Page IconTo Next Page
To Previous Page IconTo Previous Page
To Previous Page IconTo Previous Page
Loading...
27
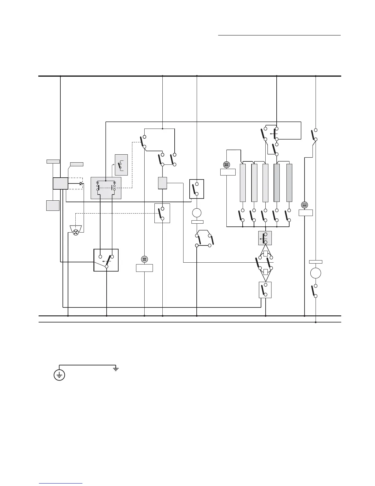
ELECTRIC DIAGRAM
L1
EL 1000
SIEBE
ST1 PROBE
°C+/- ST2
ST4
ENCODER
COOLING
FAN
ETA
OVEN DOOR LATCH
AUX ETA
AUX ETA
ST3
EL 1000
EL1000
LOCK/UNLOCK
RELAY 3
3 ETA
ETA ETA
42
3
4
5
Safety
Thermal overload
GRILL ELEMENT
BOTTOM ELEMENT INT.
11
11a
12
12a
TOP ELEMENT
13
13a
14
14a
15
15a
6
7
RELAY 2
EL 1000
RELAY 1
EL 1000
RELAY SWITCH
E61
5a
5
16
16a
1
Safety
Thermostat
L2
33 ETA
34 ETA
AIR
SWITCH
3a
3
RELAY
E61
2
2a
1
1a
LINE
PILOT LAMP
THERMOSTAT
PILOT LAMP
BOTTOM ELEMENT EXT.
DOOR SAFETY
PILOT LAMP
Door opened/closed
control device
Oven door
latch switch
THERMOSTAT
2
A
B
B
N
LF
9
9a
OVEN LAMP
L1 - L2 = 240V
L1 - N = 120V
L2 - N = 120V
EARTH
CIRCULAR ELEMENT
A
B
2
1
1
2
4
6
7
9
7a
7
8a
8
V
OVEN FAN

Related product manuals