EasyManua.ls Logo

DeLonghi DE908M - Electric Diagram

DeLonghi DE908M
40 pages
Print Icon
To Next Page IconTo Next Page
To Next Page IconTo Next Page
To Previous Page IconTo Previous Page
To Previous Page IconTo Previous Page
Loading...
12
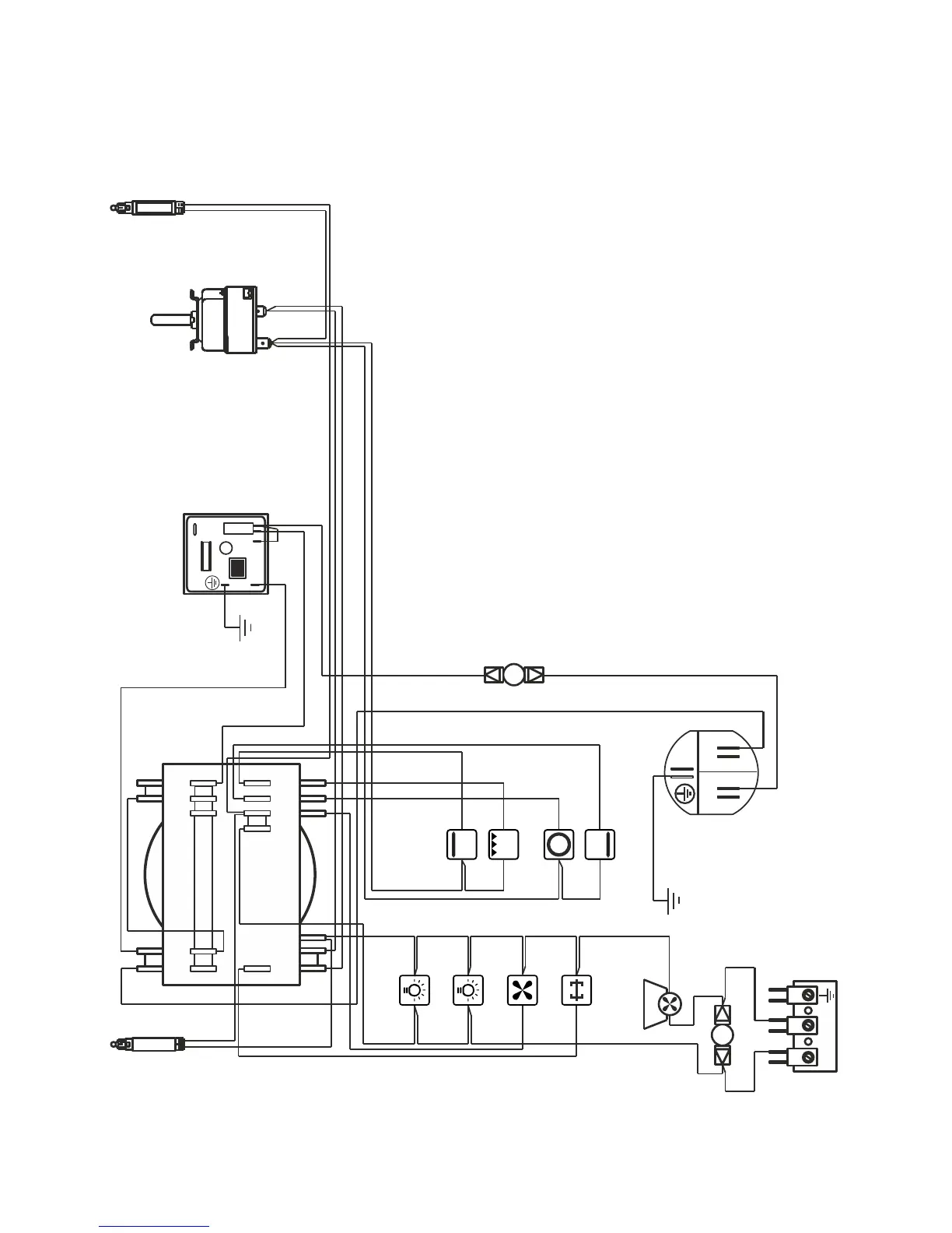
ELECTRIC DIAGRAM
Figure 8
S1S2
PR
TM
C
G
S
V
CIR
CF
LF
TL
T
N
L
M
GIR
F1
LF
MT
TL1
7
89
1011
12
12
36
abcef
ghjkl
L/N
L/8
L
N

Other manuals for DeLonghi DE908M

Related product manuals