EasyManua.ls Logo

DeLonghi DEBIGE DEBIGE 2440 E - Lower Oven; Upper Oven

DeLonghi DEBIGE DEBIGE 2440 E
36 pages
Print Icon
To Next Page IconTo Next Page
To Next Page IconTo Next Page
To Previous Page IconTo Previous Page
To Previous Page IconTo Previous Page
Loading...
33
E1
S1
N/7
L/8
PR
PA
CF
M
T
TS
A
LF1
S2
CF1
AS
R
F2
AS1
MS
TL
P2
2
P1
1
1
4
3
2
5
P2
P1
P3
C
G
S
V
F1
LF
1131549
234
POSITION 0
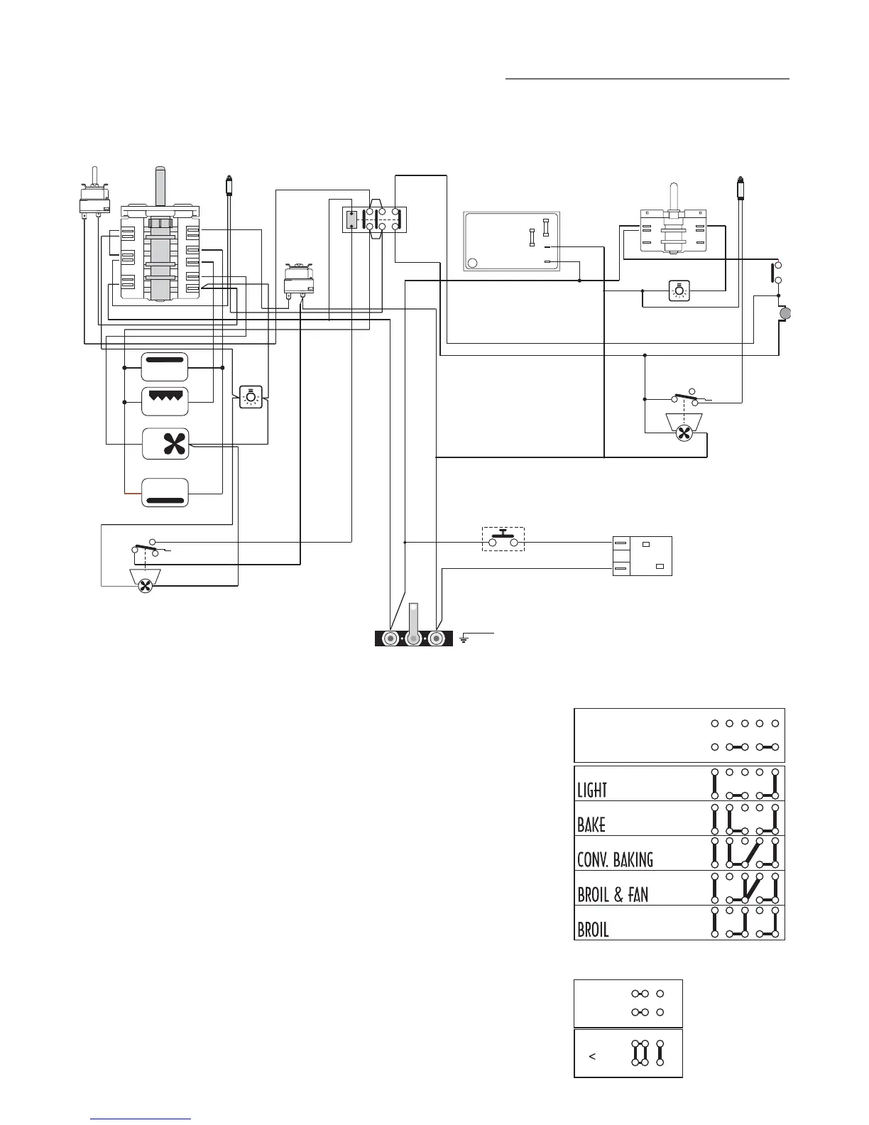
Upper electric oven switch diagram
15
P3
1
FUNCTION
2
FUNCTION
5
FUNCTION
3
FUNCTION
4
FUNCTION
P1 P2
Lower gas oven light switch
2
2
P2
P2
1
1
P1
P1
)
POSITION
0
FUNCTION 1
90°
Electric diagram key
LOWER OVEN
F2 Switch
MS Security microswitch
S2 Cooling fan failure lamp
LF1 Oven lamp
AS1 Air switch
CF1 Cooling fan
TL Thermal overload
PA Ignition switch
A Ignition coil
UPPER OVEN
F1 Oven switch
E1 Oven thermostat
S1 Thermostat pilot lamp
AS Air switch
LF Oven lamp
CTop element
GBroil element
V Fan
S Bottom element
TS Security thermostat
CF Cooling fan
PR Electronic clock
MTerminal block
T Earth connection
R Relay

Related product manuals