EasyManua.ls Logo

Delta Electronics ASDA-A2 Series - Page 104

Delta Electronics ASDA-A2 Series
583 pages
Print Icon
To Next Page IconTo Next Page
To Next Page IconTo Next Page
To Previous Page IconTo Previous Page
To Previous Page IconTo Previous Page
Loading...
Chapter 3 Connections and Wiring
Revision January 2011 3-63
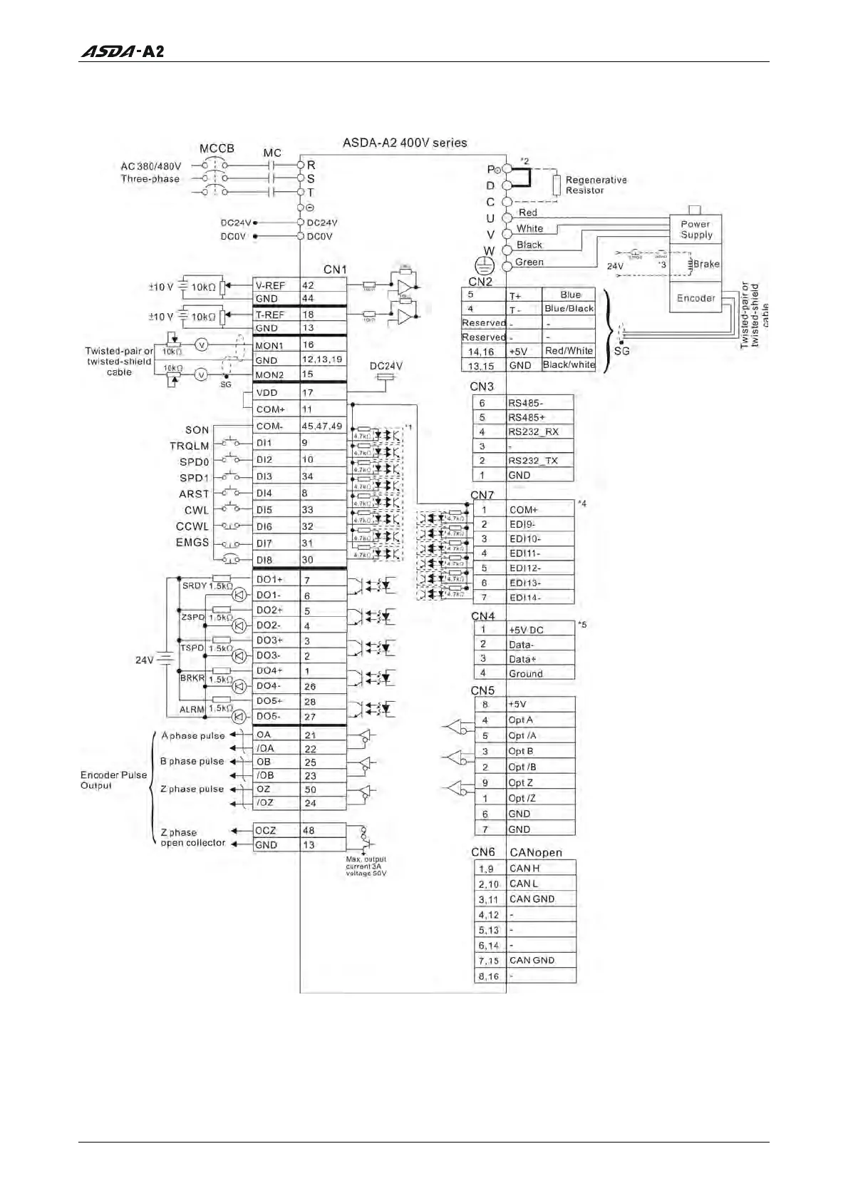
3.12.3 Speed Control Mode
Please note:
*1 Please refer to C9 ~ C12 wiring diagrams (SINK / SOURCE mode) in section 3.4.4.
*2 400W and below drives do not provide built-in regenerative resistor.
*3 The coil of brake has no polarity.
*4 For extension digital inputs (DI) connections (CN7 is a optional part, not Delta standard supplied part.).
*5 For USB connection. It is used to connect to personal computer or notebook.
Call 1(800)985-6929 for Sales
deltaacdrives.com
sales@deltaacdrives.com
Call 1(800)985-6929 for Sales
deltaacdrives.com
sales@deltaacdrives.com

Related product manuals