EasyManua.ls Logo

Delta Electronics ASDA-A2 Series - Page 201

Delta Electronics ASDA-A2 Series
583 pages
Print Icon
To Next Page IconTo Next Page
To Next Page IconTo Next Page
To Previous Page IconTo Previous Page
To Previous Page IconTo Previous Page
Loading...
Chapter 6 Control Modes of Operation
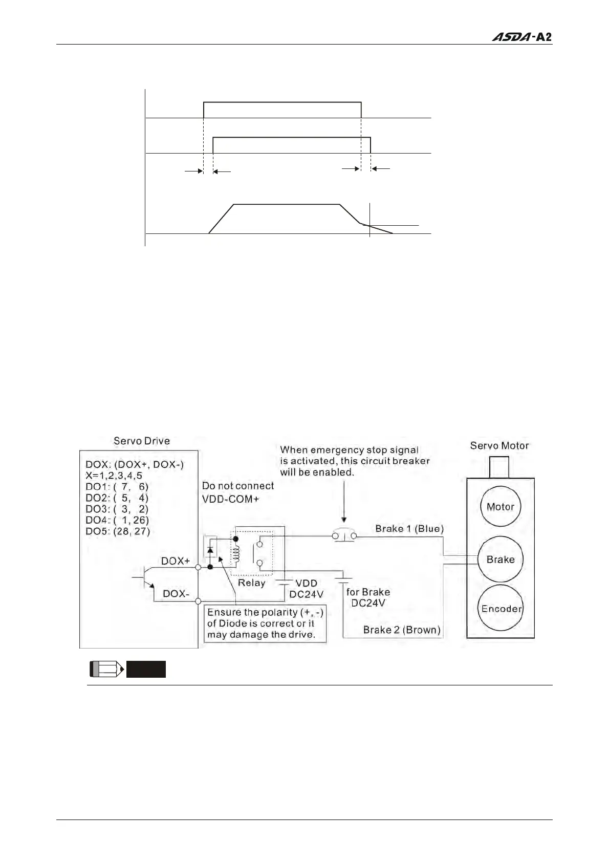
Timing chart for using servo motor with electromagnetic brake:
OFF
ON
SON
(DI Input)
BRKR
(DO Output)
Motor Speed
MBT1(P1-42)
MBT2(P1-43)
ZSPD(P1-38)
ON
OFF
OFF
OFF
BRKR output timing explanation:
1. When Servo Off (when DI SON is not activated), the BRKR output goes Off
(electromagnetic brake is locked) after the delay time set by P1-43 is reached and
the motor speed is still higher than the setting value of P1-38.
2. When Servo Off (when DI SON is not activated), the BRKR output goes Off
(electromagnetic brake is locked) if the delay time set by P1-43 is not reached and
the motor speed is still lower than the setting value of P1-38.
Electromagnetic Brake Wiring Diagram
NOTE
1) Please refer to Chapter 3 Connections and Wiring for more wiring information.
2) The BRKR signal is used to control the brake operation. The VDD DC24V power supply
of the servo drive can be used to power the relay coil (Relay). When BRKR signal is ON,
the motor brake will be activated.
3) Please note that the coil of brake has no polarity.
4) The power supply for brake is DC24V. Never use it for VDD, the +24V source voltage.
6-58 Revision January 2011
Call 1(800)985-6929 for Sales
deltaacdrives.com
sales@deltaacdrives.com
Call 1(800)985-6929 for Sales
deltaacdrives.com
sales@deltaacdrives.com

Related product manuals