EasyManua.ls Logo

Delta Electronics ASDA-A2 Series - Page 63

Delta Electronics ASDA-A2 Series
583 pages
Print Icon
To Next Page IconTo Next Page
To Next Page IconTo Next Page
To Previous Page IconTo Previous Page
To Previous Page IconTo Previous Page
Loading...
Chapter 3 Connections and Wiring
3-22 Revision January 2011
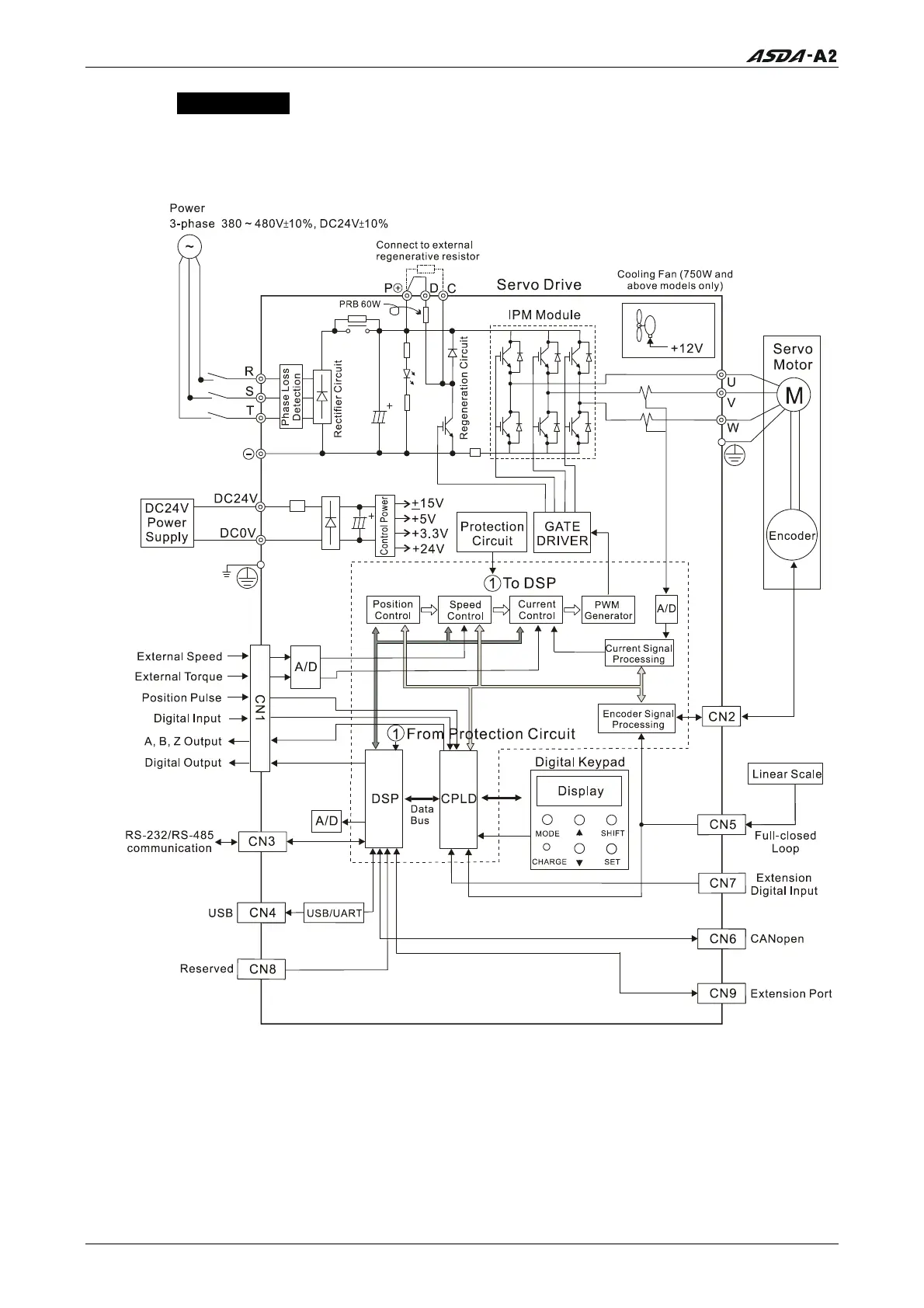
3.3.2 400V series
Figure 3.9 Basic Wiring Schematic of 750W to 1.5kW models
(With built-in regenerative resistor and fan)
Call 1(800)985-6929 for Sales
deltaacdrives.com
sales@deltaacdrives.com
Call 1(800)985-6929 for Sales
deltaacdrives.com
sales@deltaacdrives.com

Related product manuals