EasyManua.ls Logo

Delta AS08AD-C - Wiring; As-F2 Ad

Delta AS08AD-C
632 pages
Print Icon
To Next Page IconTo Next Page
To Next Page IconTo Next Page
To Previous Page IconTo Previous Page
To Previous Page IconTo Previous Page
Loading...
Chapter 10 Function Cards
10-53
10
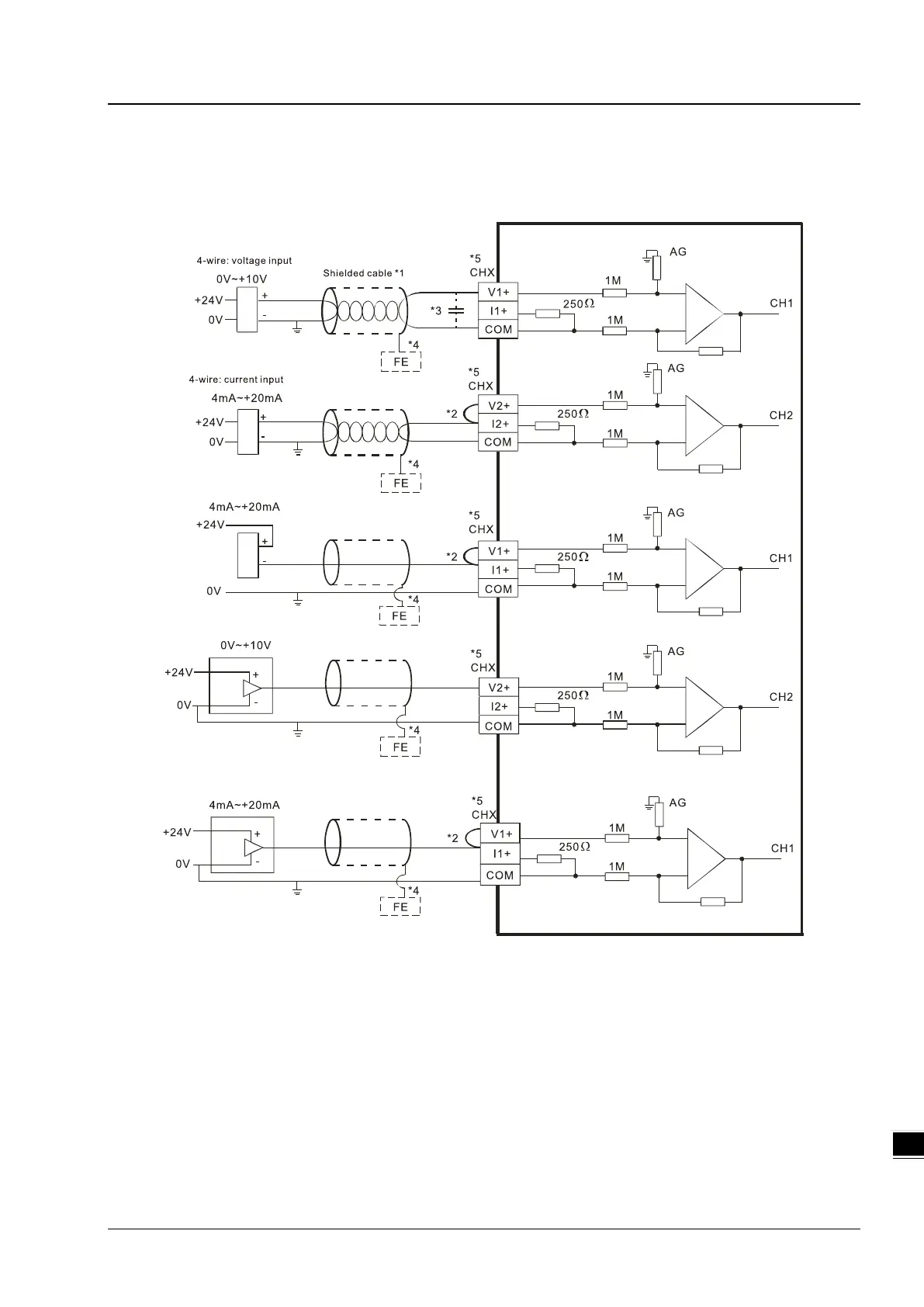
10.4 Wiring
10.4.1 AS-F2AD
Shielded cable *1
Shielded cable *1
2-wi re: c urre nt i nput
3-wire: v oltage in put
Shielded cable *1
Shielded cable *1
3-wire: c urrent i np ut
*1. Use shielded cables to isolate the analog input signal cable from other power cables.
*2. If the module is connected to a current signal, the terminals Vn and In+ (n=1–2) must be short-circuited.
*3. If variability in the input voltage results in interference within the wiring, connect the module to a capacitor having a
capacitance in the range of 0.10.47 μF and a working voltage of 25 V.
*4. Connect the shielded cable to the terminal FE.
*5. The wording CHXindicates that you can use the five wiring methods listed above for every input channel.

Table of Contents

Related product manuals