EasyManua.ls Logo

Delta AS164P-A - Wiring AS-F2 AD

Delta AS164P-A
662 pages
Print Icon
To Next Page IconTo Next Page
To Next Page IconTo Next Page
To Previous Page IconTo Previous Page
To Previous Page IconTo Previous Page
Loading...
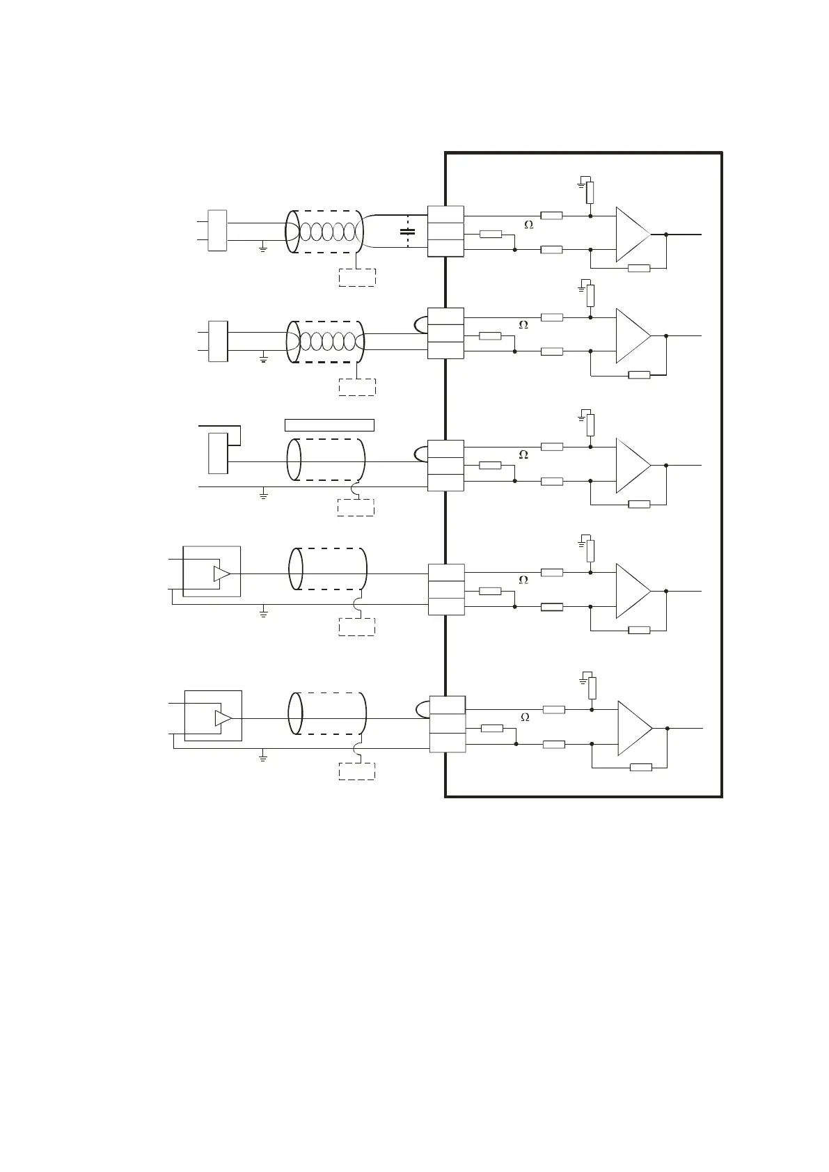
4.14.4 Wiring AS-F2AD
0V~+10V
V1+
I1+
COM
CHX
V1 +
I1+
*3
*2
CH 1
1 M
CH1
AG
1M
1M
AG
1M
25 0
250
FE
*4
+
-
4mA~ +20m A
V2 +
I2+
*2
CH2
1M
AG
1M
250
*4
FE
+
-
+
-
+24V
0V
V 2+
I2+
CH2
1M
AG
1M
250
+24V
0V
4mA~ +20m A
CH 1
1M
AG
1M
250
4mA~ +20m A
+2 4V
+
-
V1+
I1+
*2
0V~+10V
+24V
+
-
*4
FE
*4
FE
*4
FE
0V
+24 V
0V
0V
*5
CHX
*5
CH X
*5
CHX
*5
CH X
*5
COM
COM
COM
COM
Shi el de d c able 1*
Shi el de d c able 1*
4-wi re voltage input
4-wi re curren t in p ut
2 -wir e current inp u t
Shi el ded cable 1*
Shi el de d c able 1*
Shi el de d c able 1*
3 -wir e curre nt inpu t
3 -wir e voltag e inpu t
*1. Use shielded cables to isolate the analog input signal cable from other power cables.
*2. If the module is connected to a current signal, the terminals Vn and In+ (n=1–2) must be short-circuited.
*3. If noise in the input voltage results in noise interference in the wiring, connect the module to a capacitor with
a capacitance between 0.10.47 μF with a working voltage of 25 V.
*4. Connect FE of the shielded cable to ground.
*5. CHX: Every channel can work with the input wiring shown above.
Send Quote Requests to info@automatedpt.com
Call +1(800)985-6929 To Order or Order Online At Deltaacdrives.com
Send Quote Requests to info@automatedpt.com
Call +1(800)985-6929 To Order or Order Online At Deltaacdrives.com

Table of Contents

Related product manuals