EasyManua.ls Logo

Delta M80U - New Models with New Mounting Bracket

Delta M80U
130 pages
Print Icon
To Next Page IconTo Next Page
To Next Page IconTo Next Page
To Previous Page IconTo Previous Page
To Previous Page IconTo Previous Page
Loading...
3.1.3.1
New Models With New Version of Mounting Bracket
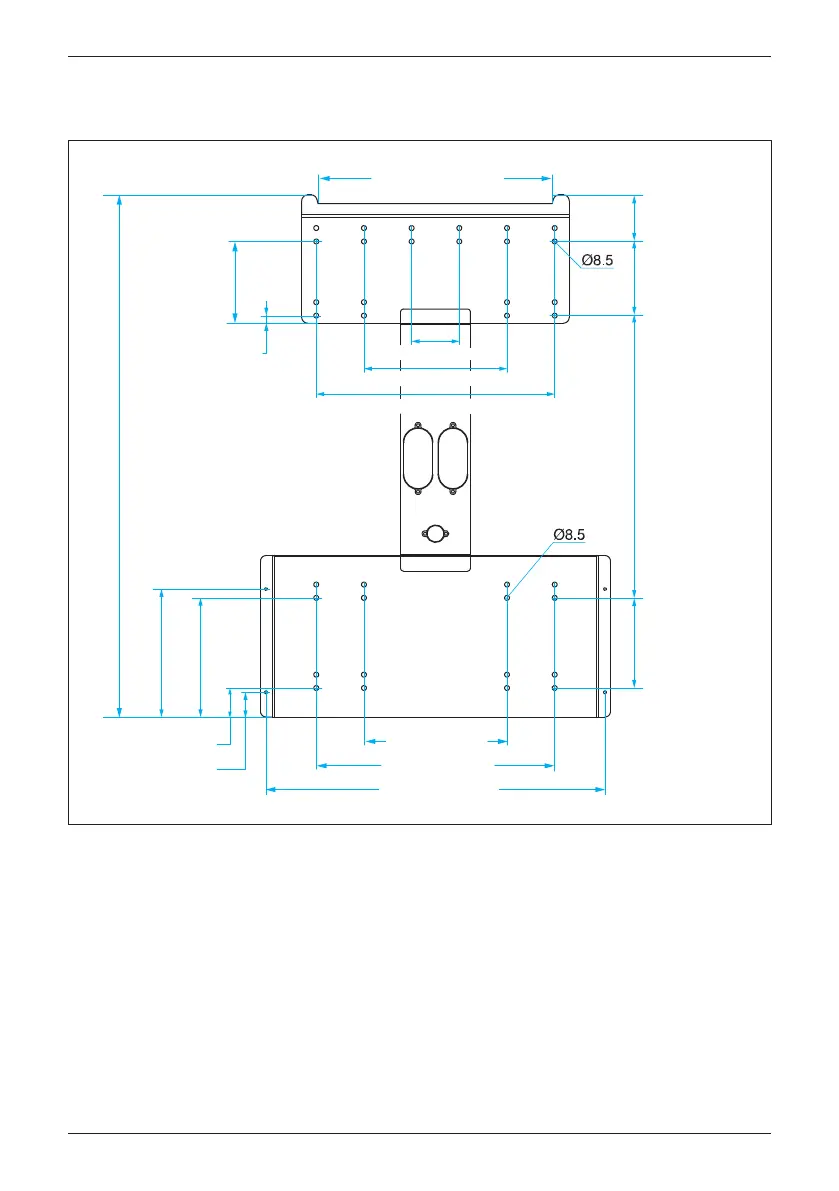
Figure 3-4: Mounting bracket dimensions for new models
402.7mm [15.9in]
898mm [35.3in]
140.5mm [5.5in]
205mm [8.1in]
155mm [6.1in]
485.5mm [19.1in]
127.5mm [5in]
80mm [3.1in]
220.2mm [8.7in]
50mm [2.0in]
43.2mm [1.7in]
13mm [0.5in]
246mm [9.7in]
410mm [16.1in]
582mm [22.9in]
82mm [3.2in]
246mm [9.7in]
410mm [16.1in]
82mm [3.2in]
246mm [9.7in]
410mm [16.1in]
28
Installation

Table of Contents

Related product manuals