EasyManua.ls Logo

Delta Performance PG-25 - Page 33

Delta Performance PG-25
80 pages
Print Icon
To Next Page IconTo Next Page
To Next Page IconTo Next Page
To Previous Page IconTo Previous Page
To Previous Page IconTo Previous Page
Loading...
26
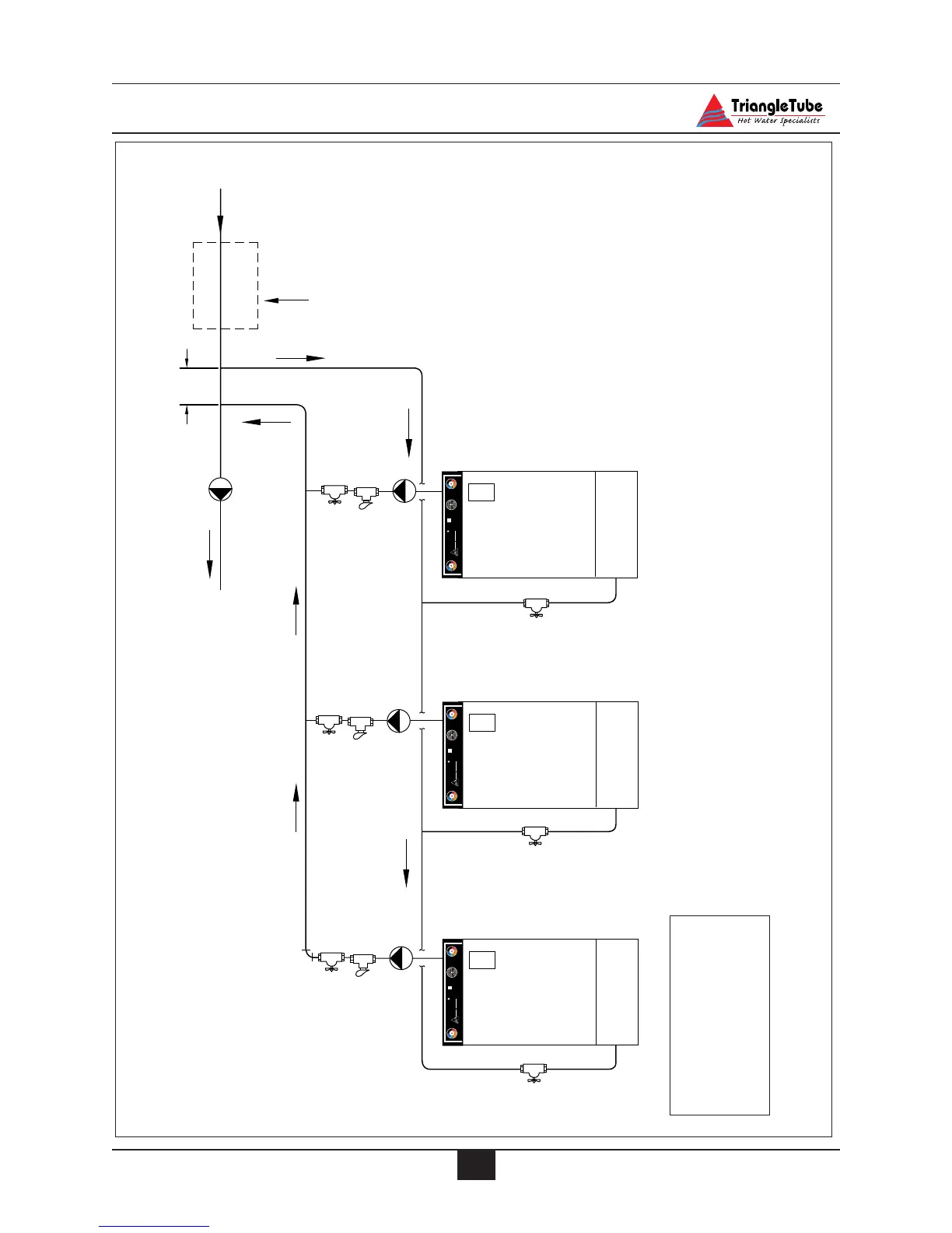
Primary Piping
Recommended placement
of expansion tank and
make up water supply.
To the System
From the
System
12"
Max.
1
2
3
1
2
3
4
2
2
2
1
2
3
Primary
Heating
Primary
Temperature/Pressure
Domestic
Heating
TriangleTube
Hot Water Specialists
P
u
s
h
B
u
t
t
o
n
T
o
R
e
s
e
t
S
w
i
t
c
h
P
h
a
s
e
I
I
I
-
P
h
a
s
e
I
I
I
-
P
h
a
s
e
I
I
I
-
P
h
a
s
e
I
I
I
-
c
i
t
s
e
m
o
D
S
p
a
c
e
h
e
a
t
i
n
g
P
h
a
s
e
I
I
I
-
P
h
a
s
e
I
I
I
-
P
h
a
s
e
I
I
I
-
P
h
a
s
e
I
I
I
-
c
i
t
s
e
m
o
D
S
p
a
c
e
h
e
a
t
i
n
g
Primary
Heating
Primary
Temperature/Pressure
Domestic
Heating
TriangleTube
Hot Water Specialists
P
u
s
h
B
u
t
t
o
n
T
o
R
e
s
e
t
S
w
i
t
c
h
P
h
a
s
e
I
I
I
-
P
h
a
s
e
I
I
I
-
P
h
a
s
e
I
I
I
-
P
h
a
s
e
I
I
I
-
c
i
t
s
e
m
o
D
S
p
a
c
e
h
e
a
t
i
n
g
P
h
a
s
e
I
I
I
-
P
h
a
s
e
I
I
I
-
P
h
a
s
e
I
I
I
-
P
h
a
s
e
I
I
I
-
c
i
t
s
e
m
o
D
S
p
a
c
e
h
e
a
t
i
n
g
Primary
Heating
Primary
Temperature/Pressure
Domestic
Heating
TriangleTube
Hot Water Specialists
P
u
s
h
B
u
t
t
o
n
T
o
R
e
s
e
t
S
w
i
t
c
h
P
h
a
s
e
I
I
I
-
P
h
a
s
e
I
I
I
-
P
h
a
s
e
I
I
I
-
P
h
a
s
e
I
I
I
-
c
i
t
s
e
m
o
D
S
p
a
c
e
h
e
a
t
i
n
g
P
h
a
s
e
I
I
I
-
P
h
a
s
e
I
I
I
-
P
h
a
s
e
I
I
I
-
P
h
a
s
e
I
I
I
-
c
i
t
s
e
m
o
D
S
p
a
c
e
h
e
a
t
i
n
g
1. Appliance Circulator
2. Shut Off Valves
3. Flow Check Valve
4. System Circulator
Fig. 16: Primary Piping - Multi Units Installation

Table of Contents