EasyManua.ls Logo

Delta VFD1100C43A-HS - Page 149

Delta VFD1100C43A-HS
814 pages
Print Icon
To Next Page IconTo Next Page
To Next Page IconTo Next Page
To Previous Page IconTo Previous Page
To Previous Page IconTo Previous Page
Loading...
Chapter 8 Option CardsC2000-HS
8-21
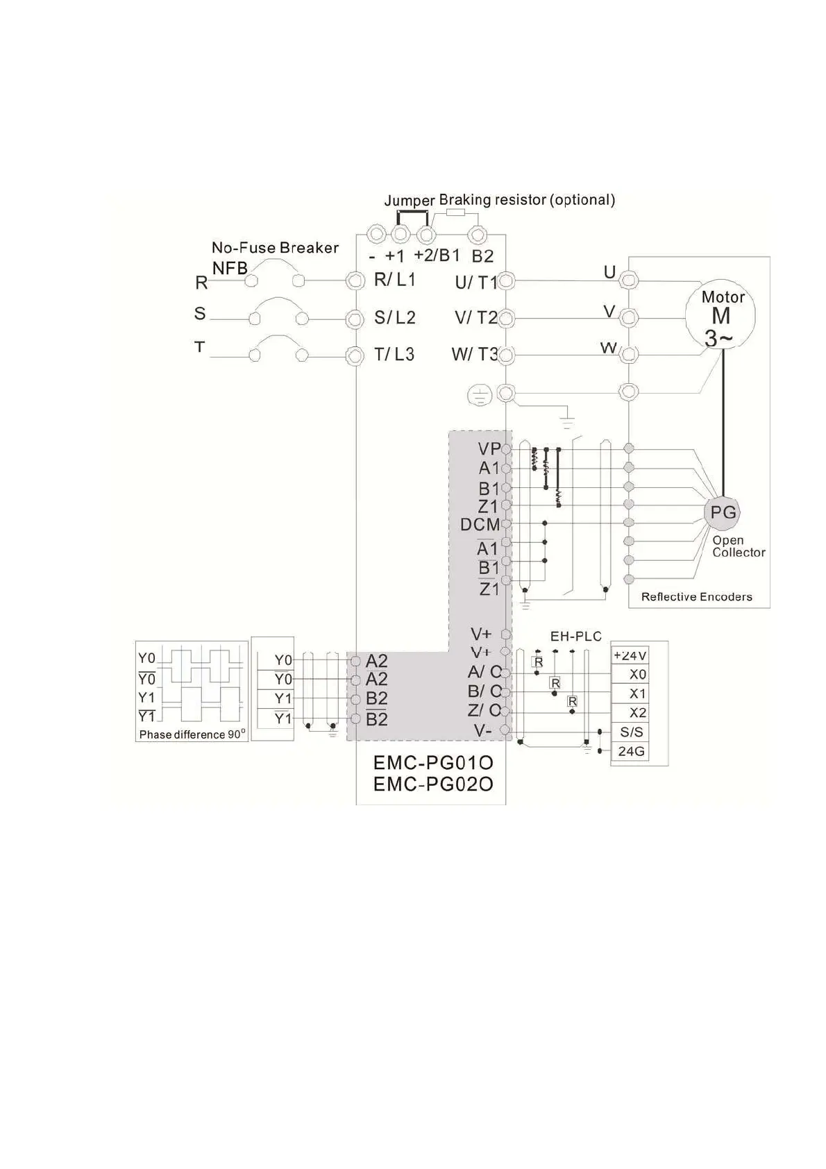
8-8-2 EMC-PG01O / EMC-PG02O Wiring Diagram
Please use a shielded cable to prevent interference. Do not run control wires parallel to any
high voltage AC power line (200 V
AC
and above).
Recommended wire size 0.21–0.81mm
2
[AWG24–AWG18].
Cable length: Single-phase input, less than 30m / 2-phase input, less than 100m

Table of Contents

Related product manuals