EasyManua.ls Logo

Delta VFD1100C43A-HS - Page 413

Delta VFD1100C43A-HS
814 pages
To Next Page IconTo Next Page
To Next Page IconTo Next Page
To Previous Page IconTo Previous Page
To Previous Page IconTo Previous Page
Loading...
Chapter 12 Description of Parameter SettingsC2000-HS
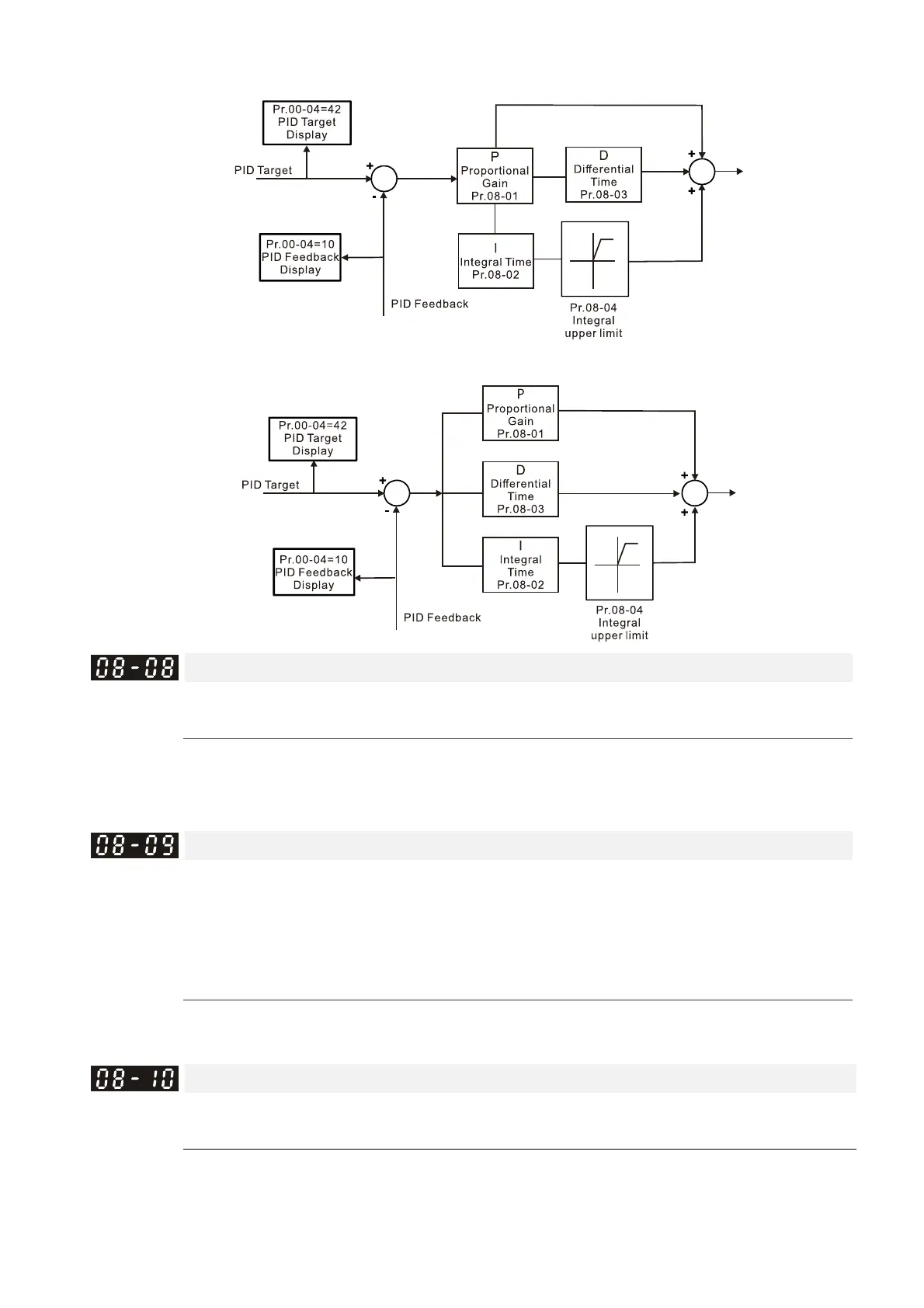
12.1-08-7
Serial Connection
Parallel Connection
Feedback Signal Detection Time
Default: 0.0
Settings 0.0–3600.0 sec.
Pr. 08-08 is valid only for ACI 4–20mA.
This parameter sets the detection time for abnormal PID signal feedback. Setting the detection
time to 0.0 disables the detection function.
Feedback Signal Fault Treatment
Default: 0
Settings 0: Warn and continue operation
1: Warn and ramp to stop
2: Warn and coast to stop
3: Warn and operate at last frequency
This parameter is valid only for ACI 4–20mA.
AC motor drive acts when the analog PID feedback is abnormal.
Sleep Reference
Default: 0.0
Settings 0.0–1500.0 Hz
The upper limit is the same as the maximum operation frequency for Pr. 01-00.
Determines the sleep frequency, and if the sleep time and the wake-up frequency are enabled
or disabled. Pr. 08-10 = 0: Disabled; Pr. 08-10 ≠ 0: Enabled.

Table of Contents

Related product manuals