EasyManua.ls Logo

Delta VFD1100C43A-HS - Page 472

Delta VFD1100C43A-HS
814 pages
Print Icon
To Next Page IconTo Next Page
To Next Page IconTo Next Page
To Previous Page IconTo Previous Page
To Previous Page IconTo Previous Page
Loading...
Chapter 12 Description of Parameter SettingsC2000-HS
12.2-00-2
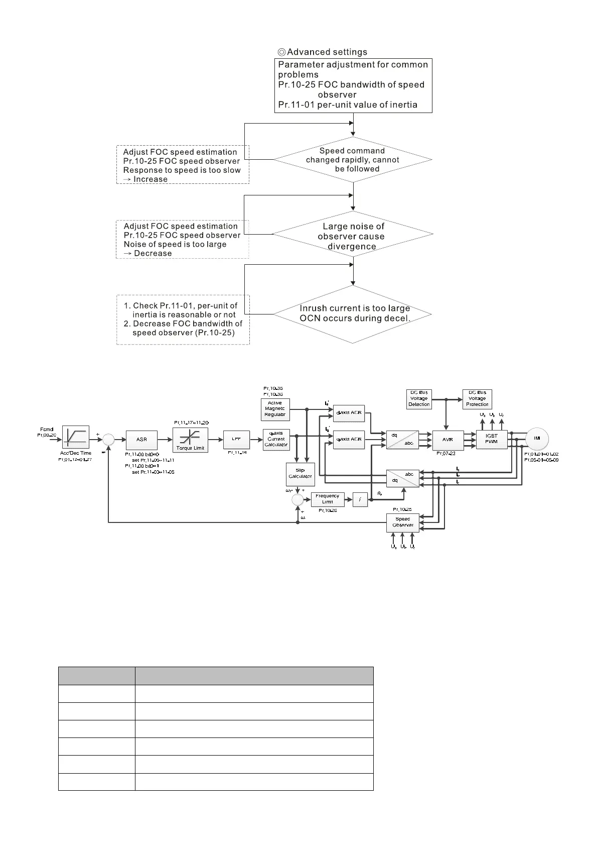
FOC sensorless control diagram
Adjustment procedure
1. Parameter reset
Reset Pr.00-02 = 10 (60Hz) to the default value.
2. Motor parameter setting
Pr.05-33 = 0 (IM)
3. Set up motor parameters according to the nameplate on the motor
Parameter Description
Pr.01-01 Output frequency of motor 1 (Hz)
Pr.01-02 Output voltage of motor 1 (V
AC
)
Pr.05-01 Full-load current for induction motor 1 (A)
Pr.05-02 Rater power for induction motor 1 (kW)
Pr.05-03 Rated speed for induction motor 1 (rpm)
Pr.05-04 Number of poles for induction motor 1 (poles)

Table of Contents

Related product manuals