EasyManua.ls Logo

Delta VFD1100C43A-HS

Delta VFD1100C43A-HS
814 pages
To Next Page IconTo Next Page
To Next Page IconTo Next Page
To Previous Page IconTo Previous Page
To Previous Page IconTo Previous Page
Loading...
Chapter 12 Description of Parameter SettingsC2000-HS
12.2-00-11
12-2-2 Standard Permanent Magnet Motor Adjustment Procedure
12-2-2-1 Pr.00-11=4 PM FOCPG (PM FOC + Encoder)
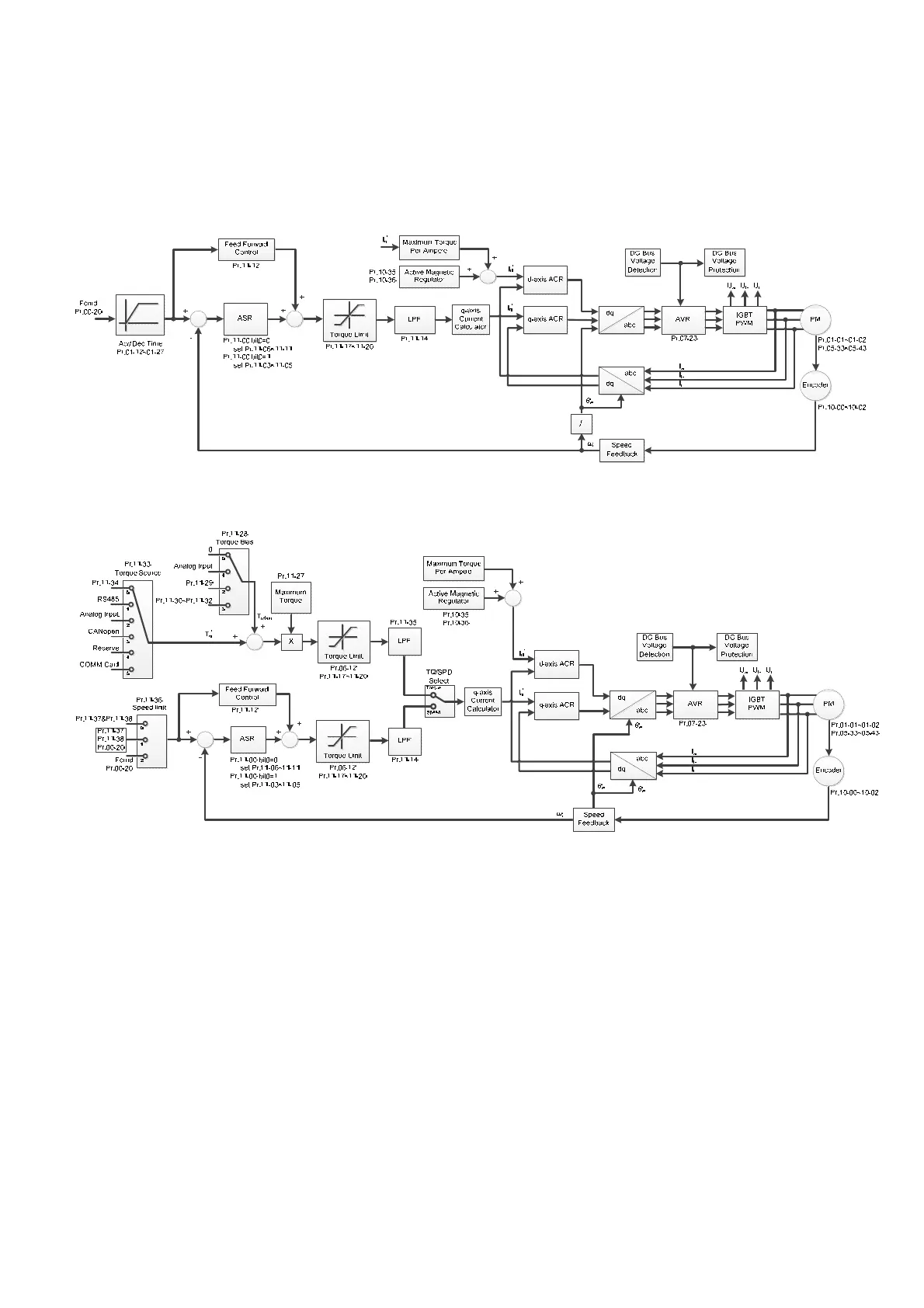
1. Control Diagram
(A) PM FOC+PG Control Diagram (applicable for C2000-HS V2.05 and above)
(B) PM TQC+PG Control Diagram (applicable for C2000-HS V2.05 and above)

Table of Contents

Related product manuals