EasyManua.ls Logo

Delta VFD1100C43A-HS - Page 83

Delta VFD1100C43A-HS
814 pages
To Next Page IconTo Next Page
To Next Page IconTo Next Page
To Previous Page IconTo Previous Page
To Previous Page IconTo Previous Page
Loading...
Chapter 7 Optional AccessoriesC2000-HS
7-11
Installation
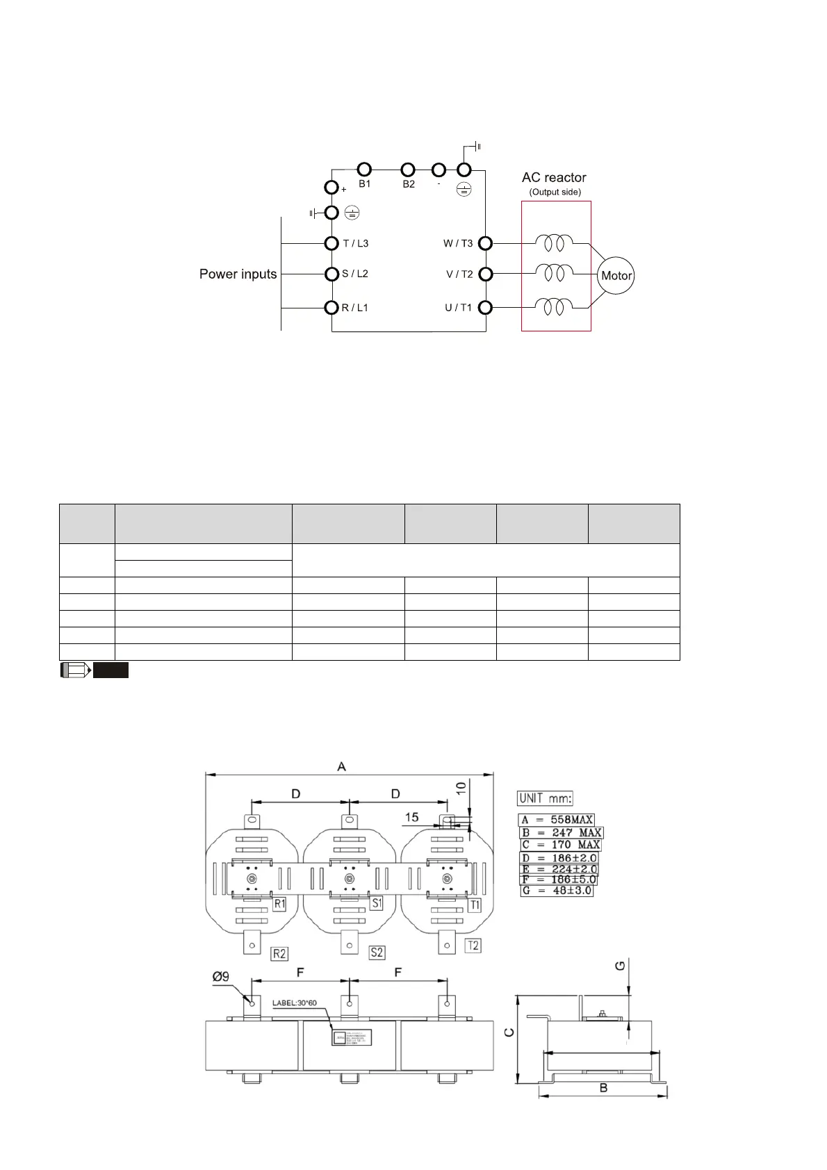
AC output reactor is serially connected between the drive U/ V/ W output side and the motor,
which is shown as below:
Wiring of AC output reactor
Following table shows the standard AC output reactors specification of Delta C2000-HS
Using a high-speed AC motor drive to drive a high-speed motor may cause temperature rise in the high-speed
motor because the output current switched in high-speed leads to large motor power consumption. In this case, it is
recommended to add a reactor that is dedicated to high-speed motor to reduce the outputted high frequency ripple.
C2000-HS output reactor:
Frame Model
Delta Part # of
AC output reactor
NL [A] L [mH] Weight [kg]
D0
VFD300C43S-HS
Contact Delta
VFD370C43S-HS
D VFD750C43A-HS DR150LP041 150 0.041 17
E VFD1100C43A-HS DR220LP037 220 0.037 27
F VFD1600C43A-HS DR310LP028 460 0.028 37
G VFD2200C43A-HS DR460LP027 220 0.027 48
H VFD3550C43A-HS DR683LP025 683 0.025 58
NOTE
Cooling method: 3 m/s
Dimensions
DR150LP041
Figure 7-6
Table 7-10
E (Installation hole)

Table of Contents

Related product manuals