EasyManua.ls Logo

Delta VFD17AMS43ANSAA

Delta VFD17AMS43ANSAA
805 pages
To Next Page IconTo Next Page
To Next Page IconTo Next Page
To Previous Page IconTo Previous Page
To Previous Page IconTo Previous Page
Loading...
Chapter 12 Descriptions of Parameter SettingsMS300
270
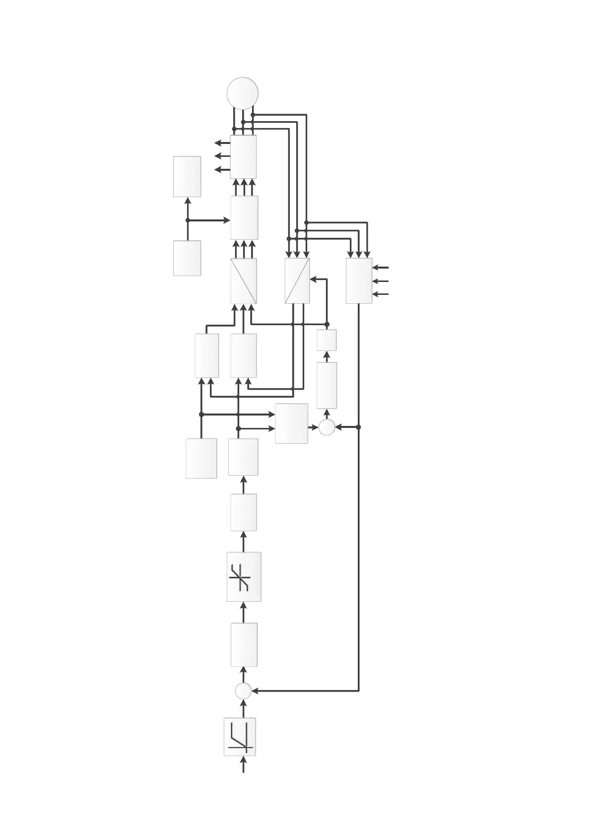
When Pr.00-10 = 0 and you set Pr.00-11 to 5, IMFOC Sensorless control diagram is as follows:
dq
abc
dq
abc
q-axis ACR
Speed
Observer
θ
e
ω
r
Pr.10-25
Active
Magnetic
Regulator
Slip
Calculator
+
ω
sl
ʃ
Pr.10-26
Pr.10-35
Pr.10-36
Frequency
Limit
+
d-axis ACR
I
d
*
I
q
*
U
a
U
b
U
c
I
a
I
b
I
c
AVR
Pr.07-23
DC Bus
Voltage
Detection
DC Bus
Voltage
Protection
IGBT
PWM
IM
Pr.01-01~01-02
Pr.05-01~05-09
U
a
U
b
U
c
Pr.11-14
Fcmd
Pr.00-20
LPF
Torque Limit
Pr.11-17~11-20
ASR
Acc/Dec Time
Pr.01-12~01-27
-
Pr.11-00 bit0=0
set Pr.11-06~11-11
Pr.11-00 bit0=1
set Pr.11-03~11-05
+
q-axis
Current
Calculator

Table of Contents

Other manuals for Delta VFD17AMS43ANSAA

Related product manuals