EasyManua.ls Logo

Delta VFD17AMS43ANSAA - Page 59

Delta VFD17AMS43ANSAA
805 pages
Print Icon
To Next Page IconTo Next Page
To Next Page IconTo Next Page
To Previous Page IconTo Previous Page
To Previous Page IconTo Previous Page
Loading...
Chapter 7 Optional AccessoriesMS300
50
NOTE:
1. Select the resistance value, power and brake usage (ED %) according to Delta rules.
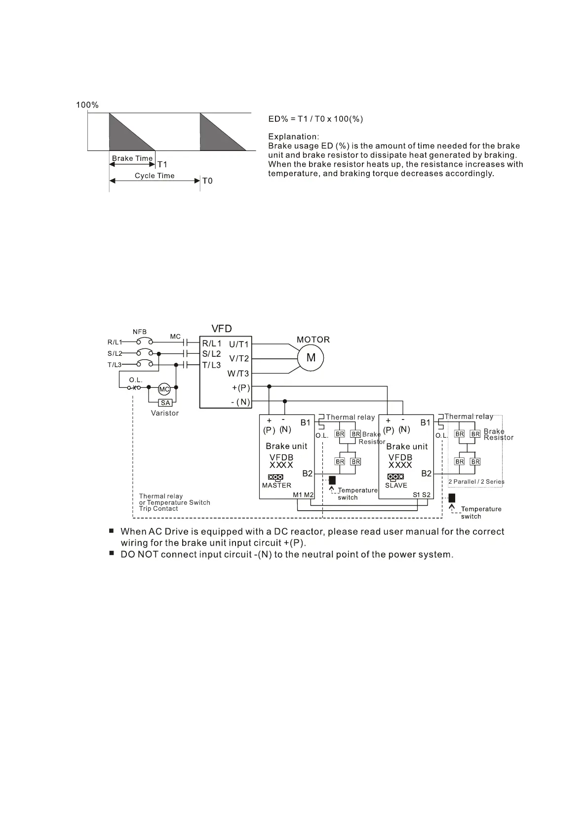
Definition for Brake Usage ED%
Figure 7-1
For safety, install a thermal overload relay (O.L) between the brake unit and the brake resistor in conjunction
with the magnetic contactor (MC) before the drive for additional protection. The thermal overload relay
protects the brake resistor from damage due to frequent or continuous braking. Under such circumstances,
turn off the power to prevent damage to the brake resistor, brake unit and drive.
NOTE: Never use it to disconnect the brake resistor.
Figure 7-2
2. Any damage to the drive or other equipment caused by using brake resistors and brake modules that are not
provided by Delta voids the warranty.
3. Consider environmental safety factors when installing the brake resistors. If you use the minimum resistance
value, consult local dealers for the power calculation.
4. When using more than two brake units, the equivalent resistor value of the parallel brake unit cannot be less
than the value in the column “Min. Resistor Value (Ω)”. Read the wiring information in the brake unit
instruction sheet thoroughly prior to operation. Visit the following links to get the instruction sheets for the
wiring in the brake unit:

Table of Contents

Other manuals for Delta VFD17AMS43ANSAA

Related product manuals