EasyManua.ls Logo

Delta VFD17AMS43ANSAA - Page 777

Delta VFD17AMS43ANSAA
805 pages
Print Icon
To Next Page IconTo Next Page
To Next Page IconTo Next Page
To Previous Page IconTo Previous Page
To Previous Page IconTo Previous Page
Loading...
Chapter 17 Safe Torque Off FunctionMS300
768
17-1 Basic Function Description
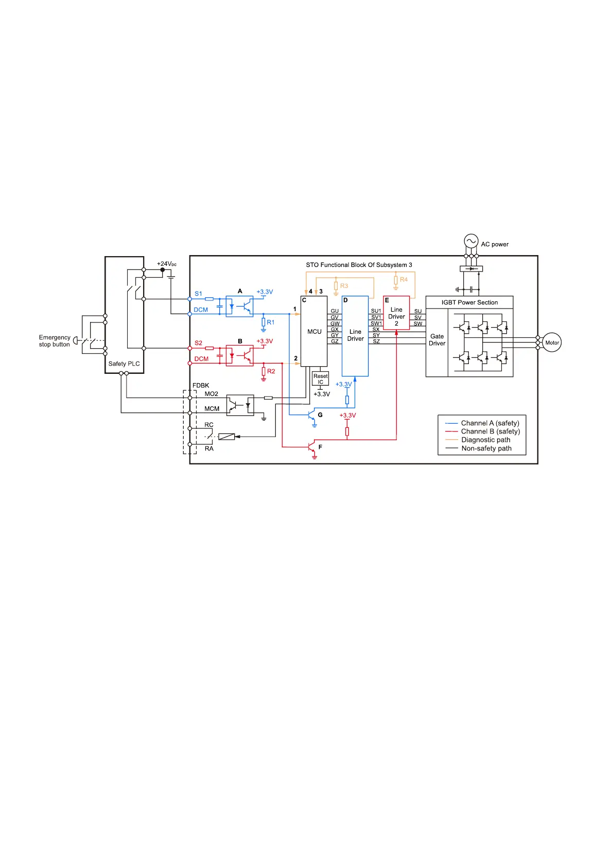
The MS300 series provides a Safe Torque Off (STO) function. The MS300 series uses dual-channel S1
and S2 signal inputs to turn off IGBT switching, further preventing the generation of motor torque in order
to achieve a safe stop. Refer to Figure 17-1 for the Safe Torque Off function circuit diagram.
The MS300 Safe Torque Off function meets the following international standards:
ISO 13849-1: 2015 Category 3 PL d
IEC 61508 SIL2
EN 62061 SIL CL 2
EN 60204-1 Category 0
Figure 17-1: The circuit diagram for the Safe Torque Off function

Table of Contents

Other manuals for Delta VFD17AMS43ANSAA

Related product manuals