EasyManua.ls Logo

Delta VFD300C43S-HS - 17-3 Wiring Diagram

Delta VFD300C43S-HS
814 pages
To Next Page IconTo Next Page
To Next Page IconTo Next Page
To Previous Page IconTo Previous Page
To Previous Page IconTo Previous Page
Loading...
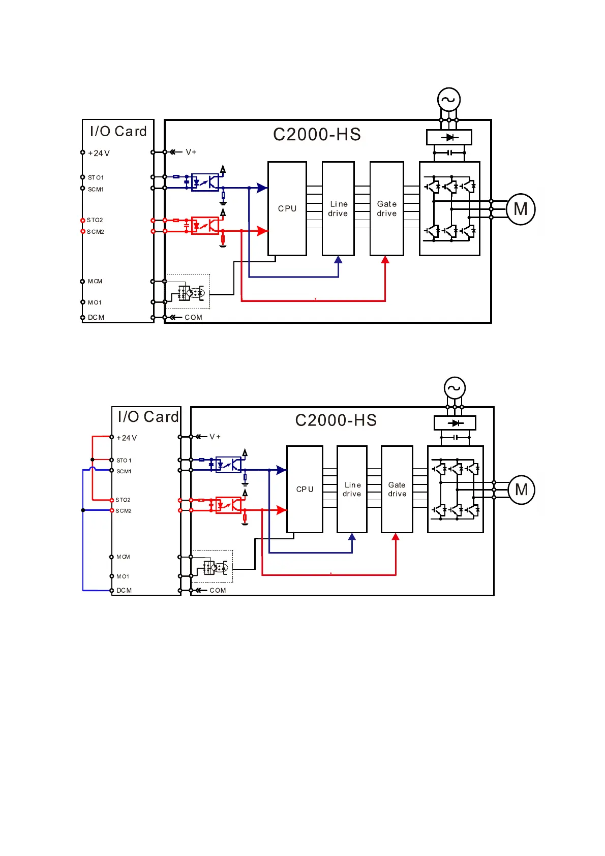
Chapter 17 Safe Torque Off Function C2000-HS
17-3
17-3 Wiring Diagram
17-3-1 Internal STO circuit as below:
17-3-2 In the figure below, the factory setting for +24V-STO1-STO2 and SCM1-SCM2-DCM is
short-circuited:

Table of Contents

Related product manuals