EasyManua.ls Logo

Delta VFD450CP43S-00

Delta VFD450CP43S-00
868 pages
To Next Page IconTo Next Page
To Next Page IconTo Next Page
To Previous Page IconTo Previous Page
To Previous Page IconTo Previous Page
Loading...
Chapter 7 Optional AccessoriesCP2000
7-69
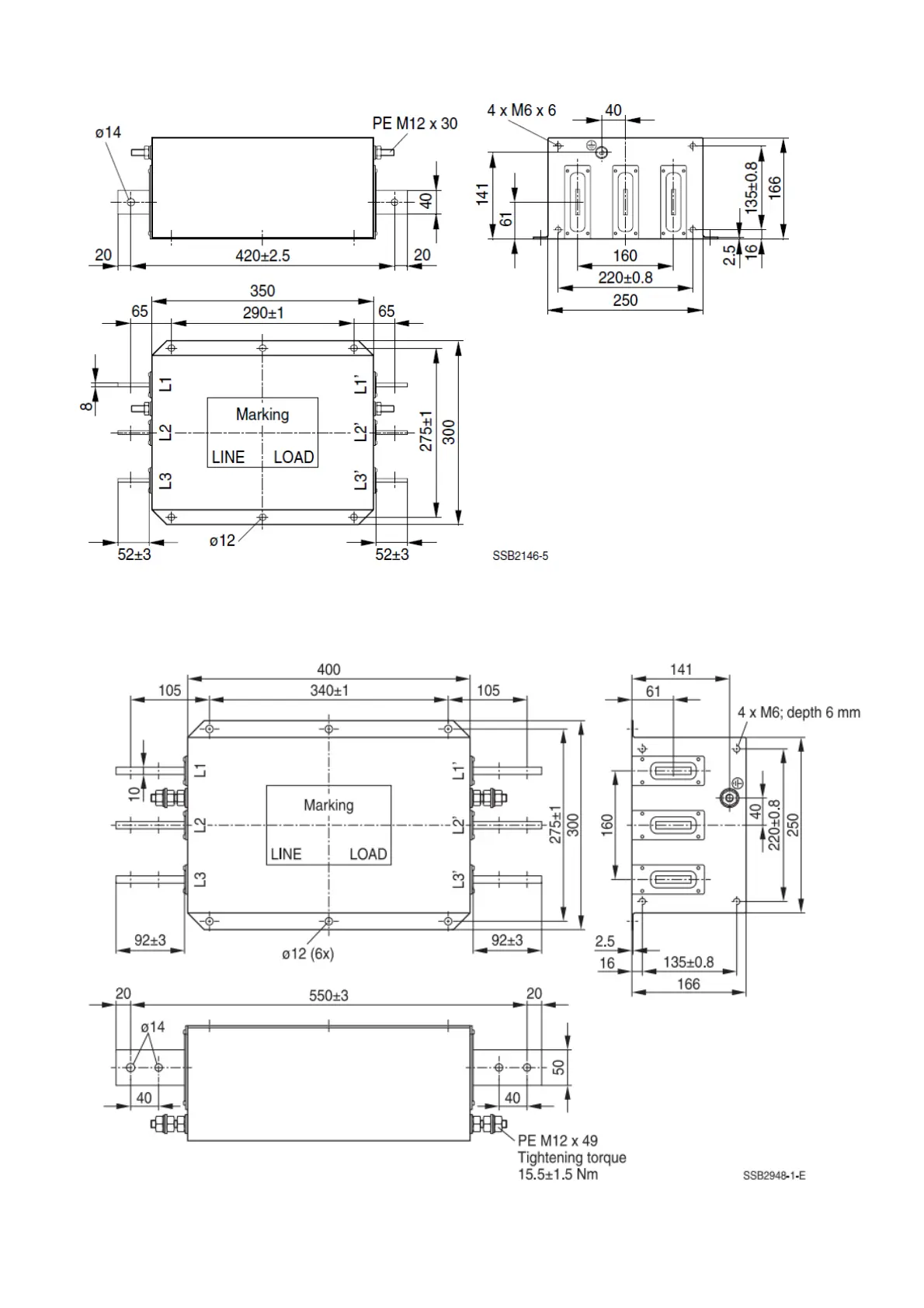
EMC filter model name: B84143B1000S020
EMC filter model name: B84143B1600S020
Figure 7-53
Figure 7-54
Unit: mm

Table of Contents

Related product manuals