EasyManua.ls Logo

Delta VFD450CP43S-00

Delta VFD450CP43S-00
868 pages
To Next Page IconTo Next Page
To Next Page IconTo Next Page
To Previous Page IconTo Previous Page
To Previous Page IconTo Previous Page
Loading...
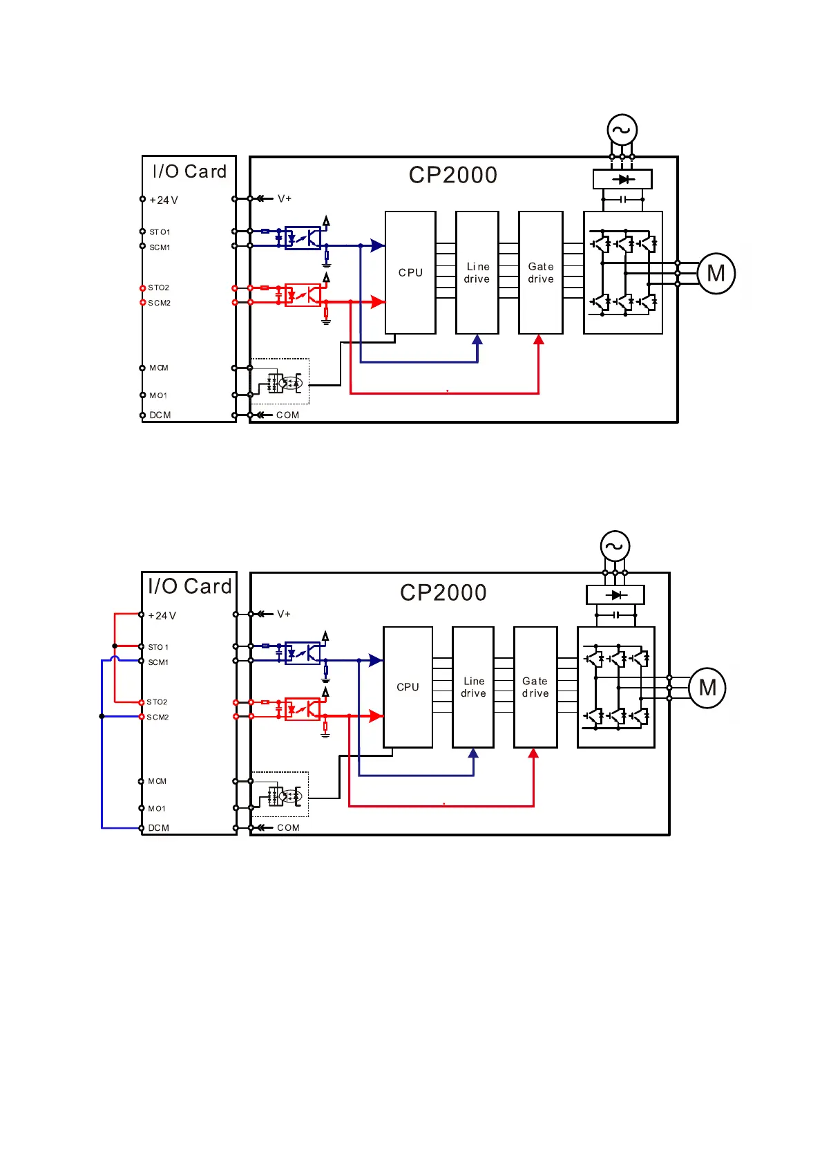
Chapter 18 Safe Torque Off Function │CP2000
18-3
18-3 Wiring diagram
18-3-1Internal STO circuit as below:
18-3-2 In the figure below, the default setting for +24V-STO1-STO2 and SCM1-SCM2-DCM is short
circuit
:

Table of Contents

Related product manuals