EasyManua.ls Logo

Delta VFD4A8MS21ANSAA - Page 408

Delta VFD4A8MS21ANSAA
805 pages
Print Icon
To Next Page IconTo Next Page
To Next Page IconTo Next Page
To Previous Page IconTo Previous Page
To Previous Page IconTo Previous Page
Loading...
Chapter 12 Descriptions of Parameter SettingsMS300
399
Integral time (I):
The controller output is proportional to the integral of the controller input. When an
automatic control system is in a steady state and a steady-state error occurs, the system is
called a System with Steady-state Error. To eliminate the steady-state error, add an “integral
partto the controller. The integral time controls the relation between the integral part and
the error. The integral part increases over time even if the error is small. It gradually
increases the controller output to eliminate the error until it is zero. This stabilizes the
system without a steady-state error by using proportional gain control and integral time
control.
Differential control (D):
The controller output is proportional to the differential of the controller input. During
elimination of the error, oscillation or instability may occur. Use the differential control to
suppress these effects by acting before the error. That is, when the error is near 0, the
differential control should be 0. Use proportional gain (P) and differential control (D) to
improve the system state during PID adjustment.
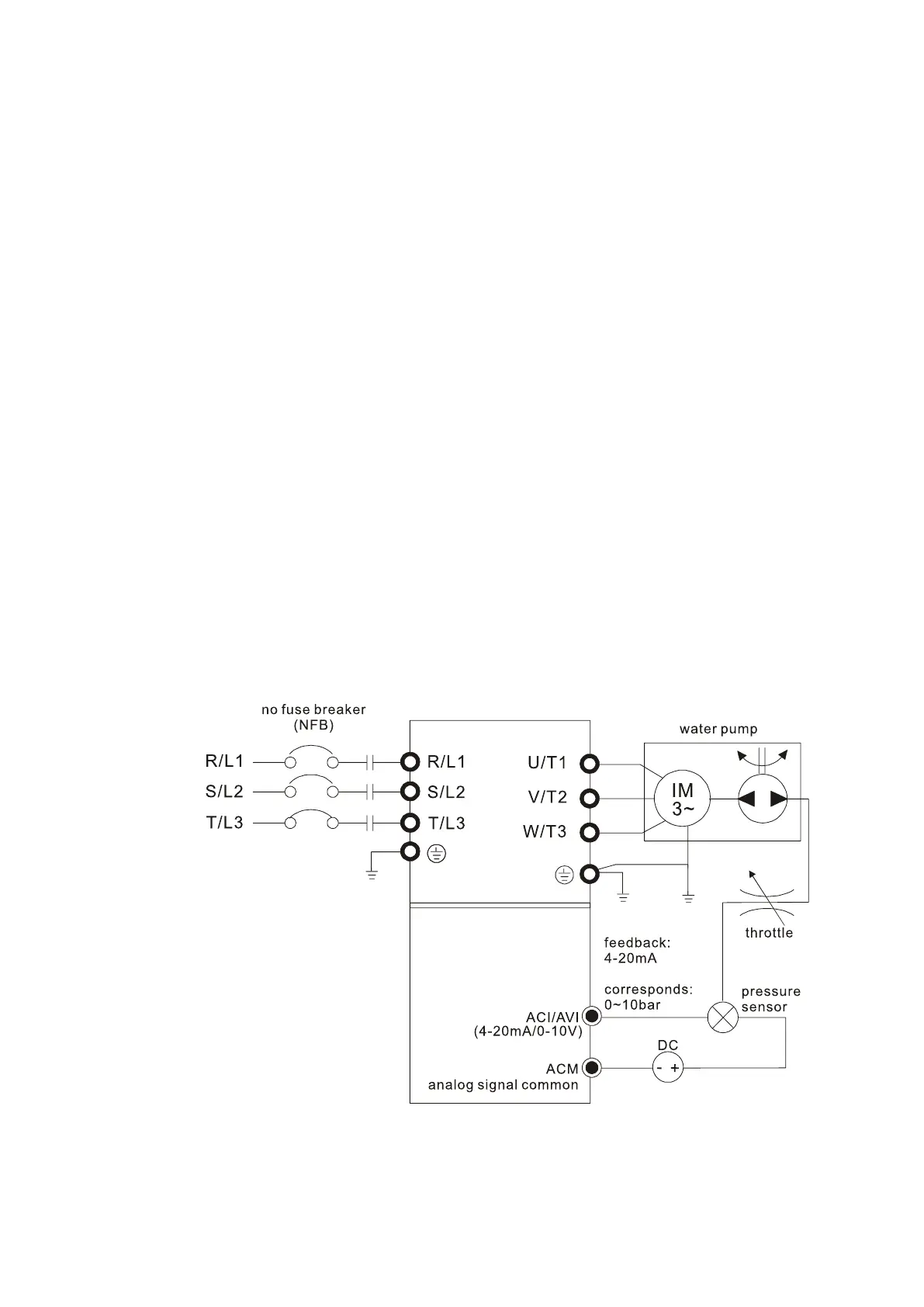
4. Using PID control in a constant pressure pump feedback application:
Set the application’s constant pressure value (bar) to be the set point of PID control. The
pressure sensor sends the actual value as the PID feedback value. After comparing the PID
set point and PID feedback, an error displays. The PID controller calculates the output by using
proportional gain (P), integral time (I) and differential time (D) to control the pump. It controls
the drive to use a different pump speed and achieves constant pressure control by using a 4
20 mA signal corresponding to 0–10 bar as feedback to the drive.
Pr.00-04 = 10 (display PID feedback (b) (%))
Pr.01-12 Acceleration Time is set according to actual conditions.
Pr.01-13 Deceleration Time is set according to actual conditions.
Pr.00-21 = 0, operate through the digital keypad

Table of Contents

Other manuals for Delta VFD4A8MS21ANSAA

Related product manuals