EasyManua.ls Logo

Deltech HYDROGARD Series - WIRING DIAGRAM (Models 200-600 - 460 VAC)

Default Icon
20 pages
Print Icon
To Next Page IconTo Next Page
To Next Page IconTo Next Page
To Previous Page IconTo Previous Page
To Previous Page IconTo Previous Page
Loading...
12
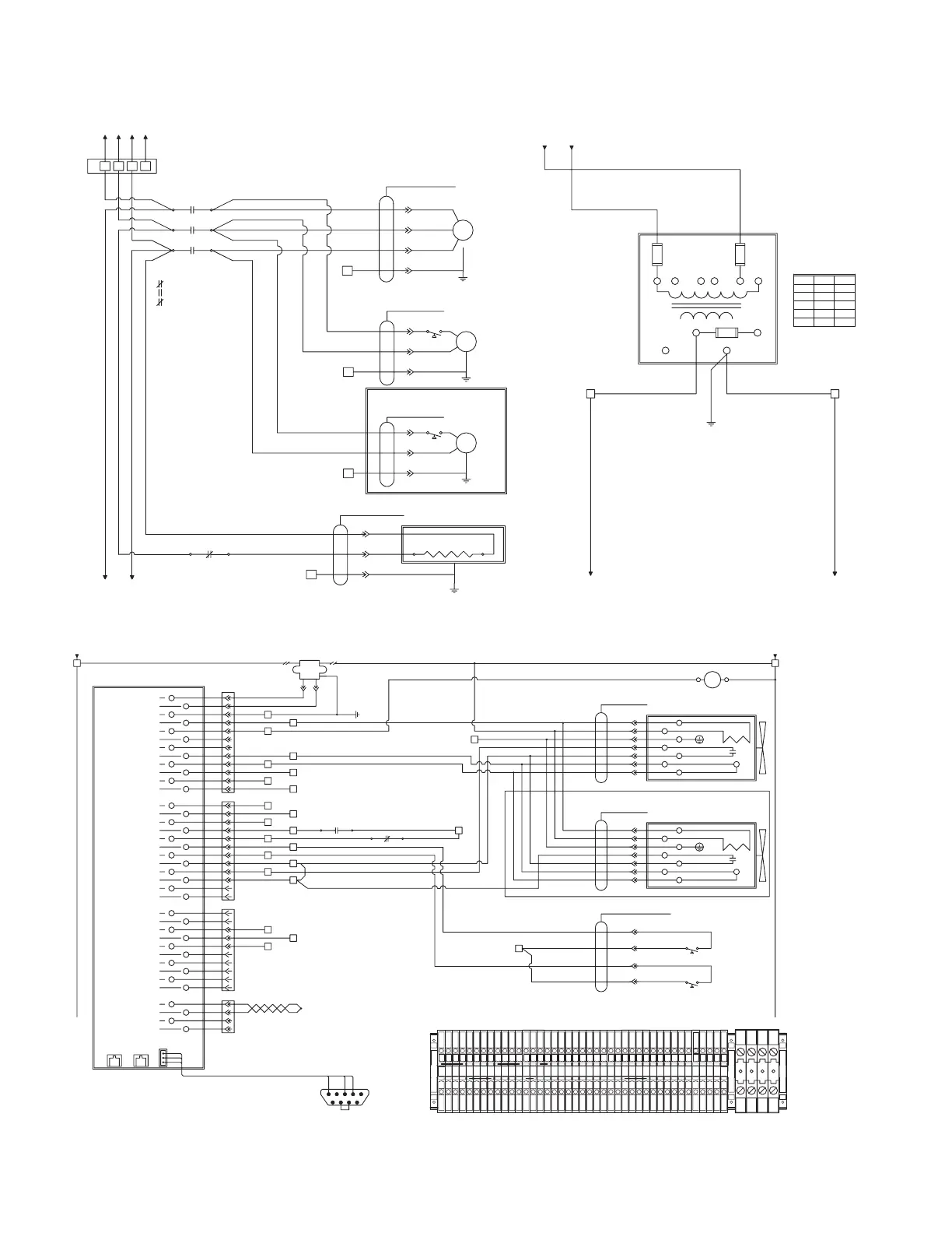
WIRING DIAGRAM
Models 200-600 - 460 VAC
COMPRESSOR
Optional Fan
(for 500-600 models only)
TO LINE 22
21
20
18
19
17
16
15
14
13
L1
L3
L2
CONT 1
-1NC
PE
HEATER HARNESS
-2NC
1L2
L3
TB2
TB2
PE
T3
T2
H1
H2
HEATER 1
FAN 2 HARNESS
FPS 2
MTR3
FAN 2
REF SHEET 02 LINE 11
REF SHEET 02 LINE 10
REF SHEET 01 LINE 20
03
10
11
12
09
08
07
06
05
04
L3
L3
L3
L2
L2
L3
L2
T3
T2
02
01
00
PETB1 L1 L2 L3
L1
L1
460 VAC
3 PHASE 60 Hz
L1 L2 L3
L1
CONT 1
T1
PE
TB2
T1
T2
T3
T3
T2
T3
TB2
PE
T2
T3
T2
FAN 1 HARNESS
FPS 1
MTR2
FAN 1
MTR1
T1
T1
T1
COMPRESSOR HARNESS
TO SHEET 02
43
42
X
40
41
39
38
37
36
35
TO SHEET 02
N
XF
25
(4 Terminal Blocks)
TB2
32
33
34
X
31
30
X
29
28
27
26
X1
FU3
X3
X2
FU2
H6 H5
FU1
H4 H3 H2 H1
FROM LINE 21
L3
24
23
L1
22
L3
L1
L3
L1
(4 Terminal Blocks)
FACTORY SET TO 460V
N
460V
575V
400V
H6
H6
H6
TB2
N
H2
H1
H3
L2
230V
208V
H6
H6
L1
H4
H5
Drain Alarm #2 Input
13
21
W36
W28
W37
W34
W32
W30
FMD #1 In (RJ-11)
FMD #2 In (RJ-11)
J2 RS-232
RED
BLACK
WHITE
22
21
20
19
18
17
16
15
14
W38
Evaporator Thermistor
Evaporator Thermistor
Phase B xfmr Input
Phase A xfmr Input
Phase Com. xfmr Input
W4
N/A
N/A
W7
W6
W5
N/A
W35
Gnd. (W28 thru W32)
Remote/Local Input
Remot Start/Stop Input
N/A
N/A
W33
W31
N/A
N/A
N/A
W29
W12
30
37
35
36
34
35
34
33
32
31
TCI
TB2
TB2
25
29
28
27
26
28
27
26
24
23
22
23
22
TB2
28
26
27
EMM INSTRUMENT BOARD
W20
W24
W26
W22
12
11
10
09
07
08
06
05
04
Gnd (W8 thru W14)
Drain Alarm #1 Input
Low Pressure Sw. Input
Heater #1 ON Input
High Pressure Sw. Input
Alarm A Com.
Compressor #1 ON Input
Alarm A N/C
Alarm A N/O
W15
W13
W14
W11
W10
W9
W8
W21
W19
Alarm B N/C
Alarm B Com.
Drain Test Output
Alarm B N/O
Drain Test Output
Compressor #1 Output
Compressor #1 Output
W27
W18
W17
W16
N/A
N/A
W25
W23
FROM SHEET 01
01
03
02
00
Chassis Gnd.
TB2
X
24VAC IN
24VAC IN
W3
W2
W1
X
TB2
3X
REMOVE JUMPER IF OPTIONAL DRAIN INSTALLED
-4NO
TB2
TB2
TB2
TB2
TB2
19
20
21
18
17
19
20
21
18
17
14
16
15
13
12
14
16
15
13
12
16
TB2
TB2
TB2
20
18
19
17
TB2
TB2
14
12
15
15
13
TB2
TB2
TB2
10
11
9
8
10
11
9
8
7
6
4
5
7
4
TB2
TB2
10
8
11
9
TB2
4
7
X
-3NO
CONT 1
19
16
-1NC
20
19
18
17
CONT 1
-2NC
19
4
8
7
BLU
TB2
CONNECTOR
PE
2
1
PE
2
1
PE
BRN
RED BRN
F1
LOAD
LINE
WHITE
PE
BLU
TERMINAL BLOCK LAYOUT
TB2
19
18
19
TB2
HPS/LPS SENSOR HARNESS
17
19
HPS
TB1
LPS
HPS
L1 L1
8
X
X
4
N
X
X
N
N
N
4
4
4
8
7
7
19
15
11
10
9
14
13
12
18
17
16
19
19
19
26
21
20
28
27
PE
PE
PE
PE
L3
L2
PE
L3
L2
PE
4
6
3
1
1
3
6
4
TB2
19
TB2
PE
OPTIONAL DRAIN
DRAIN 2 HARNESS
X
N
20
19
7
8
5
3
2
8
7
19
20
N
X
5
3
2
DRAIN 1 HARNESS
4
24VAC
ALM
TEST
TEST
ALM
24VAC
CONTACTOR
COMPRESSOR
CONT 1
A1
A2
N
FROM SHEET 01
TB2
N
BLACK
WHITE
(Mounted in Enclosure)
DB9 MALE CONNECTOR
3
89
5
RED
4
67
21

Related product manuals