EasyManua.ls Logo

Denon AVC-2308

Denon AVC-2308
188 pages
To Next Page IconTo Next Page
To Next Page IconTo Next Page
To Previous Page IconTo Previous Page
To Previous Page IconTo Previous Page
Loading...
87654321
A
B
C
D
E
F
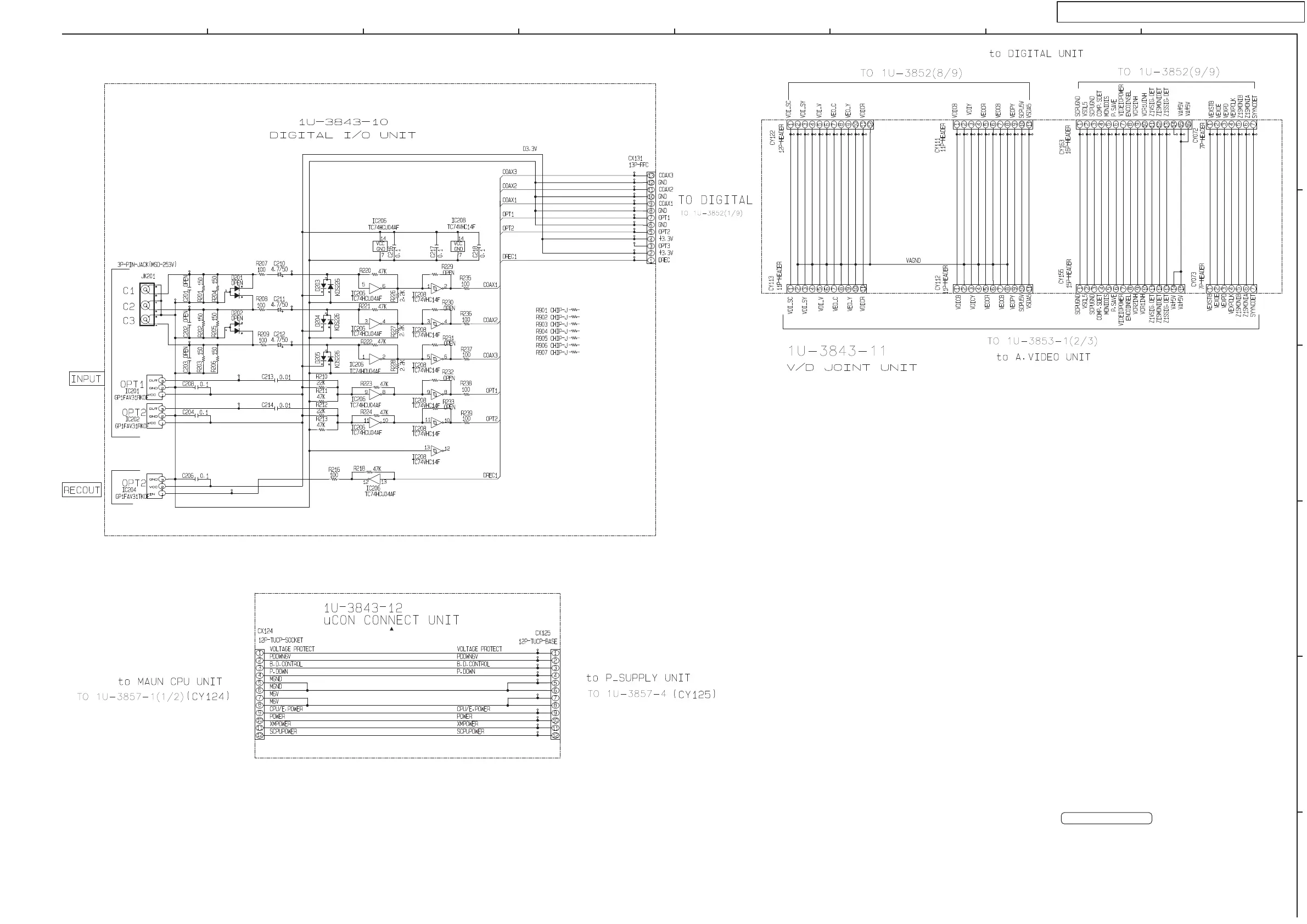
SCHEMATIC DIAGRAMS (20/29)
AVR-2308CI / AVR-888 / AVR-2308 / AVC-2308
SCHEMATIC DIAGRAMS (20/29)
1U-3843-10 DIGITAL I/O UNIT
1U-3843 FRONT UNIT(3/3)
1U-3843-11 V/D JOINT UNIT
1U-3843-12 uCON CONNECT UNIT
AVR-888 model

Related product manuals