EasyManua.ls Logo

Denon AVC-2308

Denon AVC-2308
188 pages
To Next Page IconTo Next Page
To Next Page IconTo Next Page
To Previous Page IconTo Previous Page
To Previous Page IconTo Previous Page
Loading...
87654321
A
B
C
D
E
F
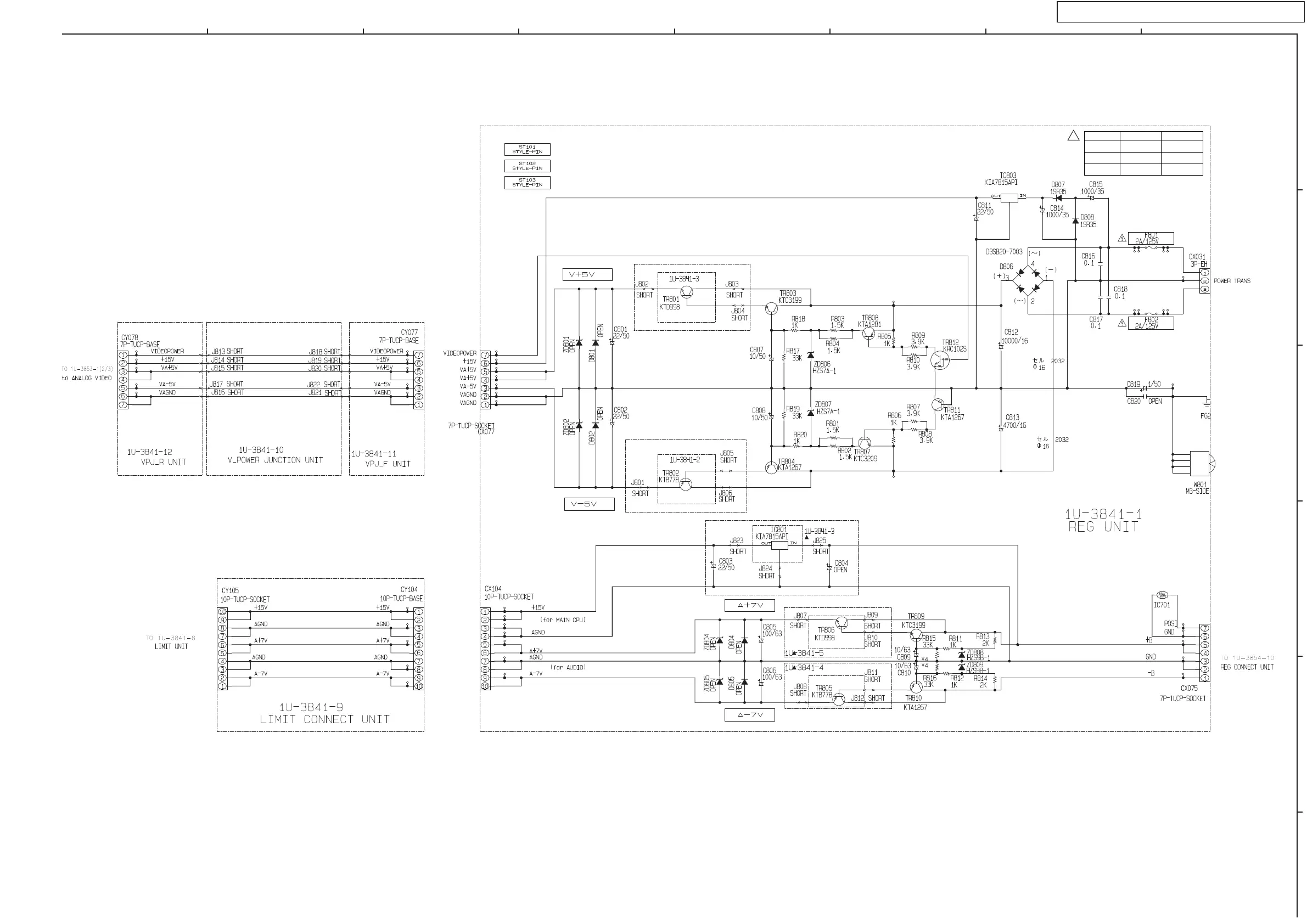
SCHEMATIC DIAGRAMS (21/29)
AVR-2308CI / AVR-888 / AVR-2308 / AVC-2308
SCHEMATIC DIAGRAMS (21/29)
1U-3841-1 REG. UNIT
1U-3841 POWER REG. UNIT(1/3)
1U-3841-9 LIMIT CONNECT UNIT
1U-3841-10 V. POWER JUNCTION UNIT
1U-3841-11 VPJ. F UNIT
1U-3841-12 VPJ. R UNIT
F801 F802
USA
CANADA
2.0A/125V 2.0A/125V
EUROPE T2AL 250V T2AL 250V
JAPAN T2A T2A
3

Related product manuals