EasyManua.ls Logo

Denon AVC-2308

Denon AVC-2308
188 pages
To Next Page IconTo Next Page
To Next Page IconTo Next Page
To Previous Page IconTo Previous Page
To Previous Page IconTo Previous Page
Loading...
87654321
A
B
C
D
E
F
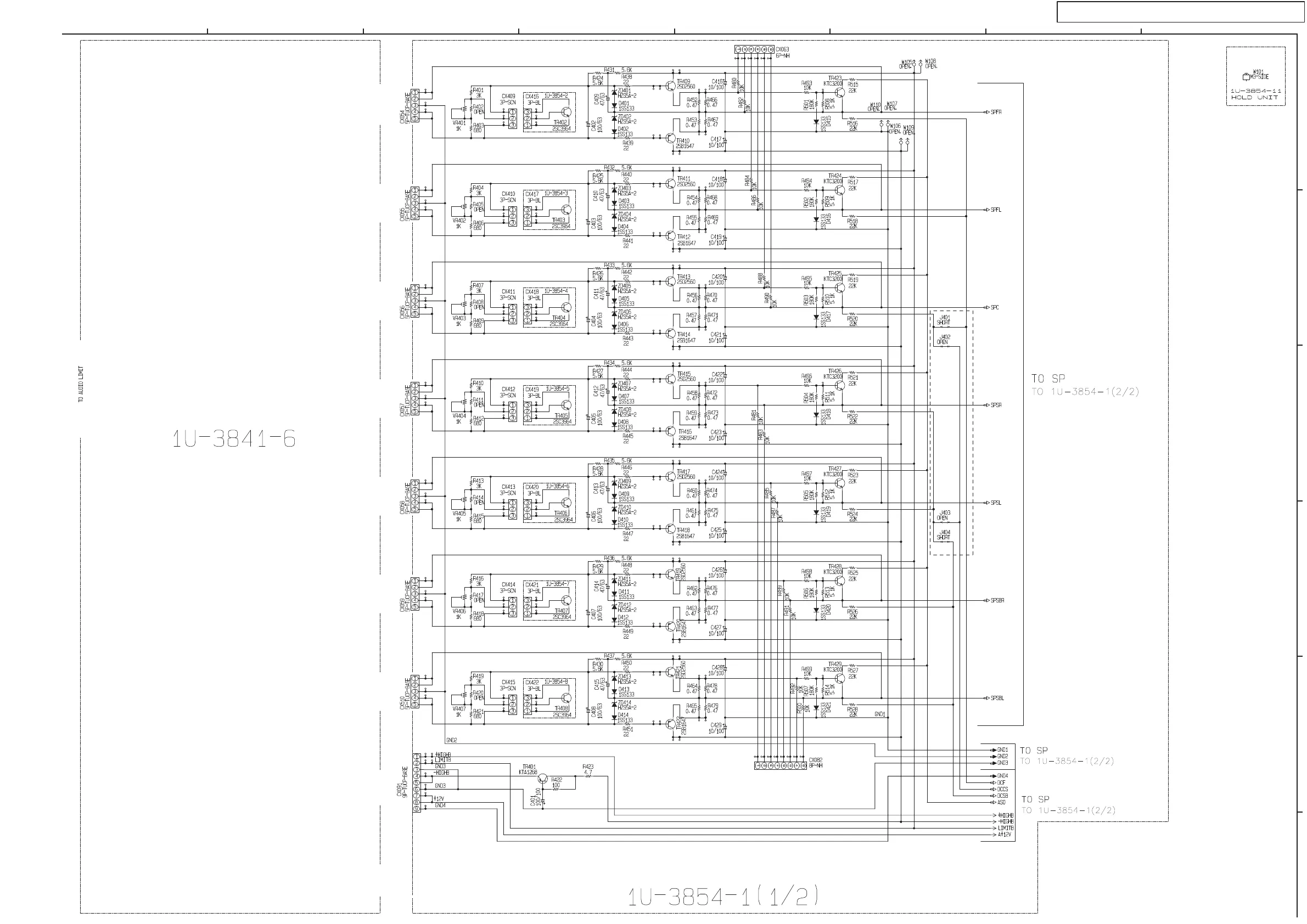
SCHEMATIC DIAGRAMS (24/29)
AVR-2308CI / AVR-888 / AVR-2308 / AVC-2308
SCHEMATIC DIAGRAMS (24/29)
1U-3854-1 POWER AMP UNIT (1/2)
1U-3854 POWER AMP UNIT (1/2)
1U-3854-11 HOLD UNIT

Related product manuals