EasyManua.ls Logo

Denon AVC-2308

Denon AVC-2308
188 pages
To Next Page IconTo Next Page
To Next Page IconTo Next Page
To Previous Page IconTo Previous Page
To Previous Page IconTo Previous Page
Loading...
87654321
A
B
C
D
E
F
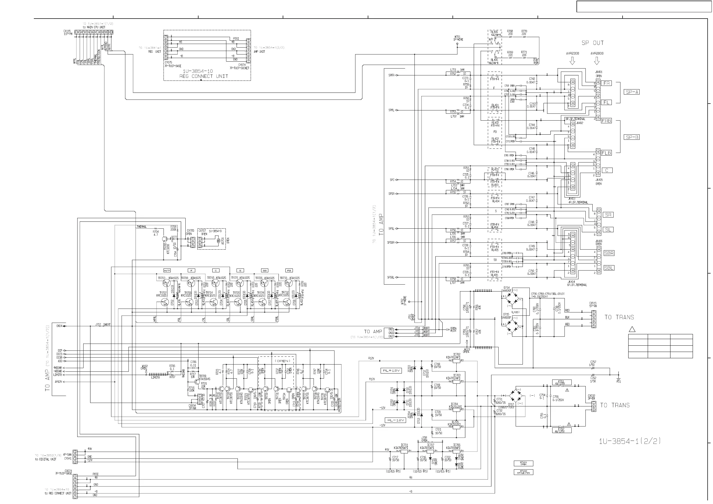
SCHEMATIC DIAGRAMS (25/29)
AVR-2308CI / AVR-888 / AVR-2308 / AVC-2308
SCHEMATIC DIAGRAMS (25/29)
1U-3854-1 POWER AMP UNIT (2/2)
1U-3854 POWER AMP UNIT (2/2)
1U-3854-10 REG CONNECT UNIT
3
F701 F702
USA
CANADA
4A/125V 4A/125V
EUROPE T4AL 250V T4AL 250V
JAPAN T4A T4A

Related product manuals