EasyManua.ls Logo

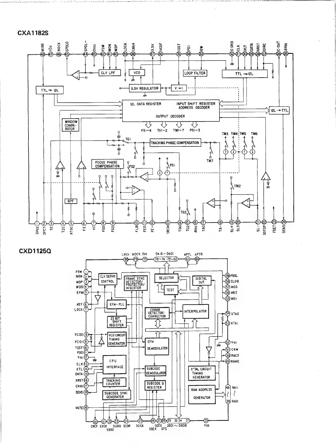
Denon DCD-1420 - IC Block Diagrams; CXA1182 AS Block Diagram; CXD1125 Q Block Diagram

Denon DCD-1420
39 pages
Print Icon
To Next Page IconTo Next Page
To Next Page IconTo Next Page
To Previous Page IconTo Previous Page
To Previous Page IconTo Previous Page
Loading...
\
CXA1182S
ind
=
=
&8)
4
I>
)SPDL—-
o
al
&
n
é5)
@)
OVec
@)Fsw
@)MON
)
Mop
12L
DATA
REGISTER
WINDOW
FSI-4
CXD11250
SENS
(18)
MUTE
icegure
5
bob-4
INPUT SHIFT
REGISTER
ADDRESS
DECODER
OUTPUT
DECODER
TGl-2
TMI-7
TRACKING
PHASE
COMPENSATION
LRCk
WOCK
Yoo
OETECTOR/
INSERTER
I
LL
23
BIT.
SHIFT
REGISTER
VCO
CIRCUIT
TIMING
GENERATOR
CPU
INTERFACE
COUNTER
SUBCODE
SYNC
GENERATOR
FRAME
SYNC
PROTECTOR/
0A
16
~
AO!
APTL
APTR
ERROR
OETECTOR/
CORRECTOR
TM3
TM4:‘TMS
TM6
\
v
Buca
52
ae
a
kpiectas
lee:
fi
€FM
OEMODULATOR
SUBCODE
DEMOOULATOR|
SUBCODE
0
REGISTER
TIMING
CRCF
€XCK
SUBQ
SCOR
SQCK
$BS0
DOTX.__
0801
~
0808
QEX
GFS
X*TAL
CIRCUIT
GENERATOR
RAM
ADDRESS
GENERATOR
ee
©)
|

Related product manuals