EasyManua.ls Logo

Denon DCD-315 - Page 12

Denon DCD-315
34 pages
Print Icon
To Next Page IconTo Next Page
To Next Page IconTo Next Page
To Previous Page IconTo Previous Page
To Previous Page IconTo Previous Page
Loading...
2M
OCD-315
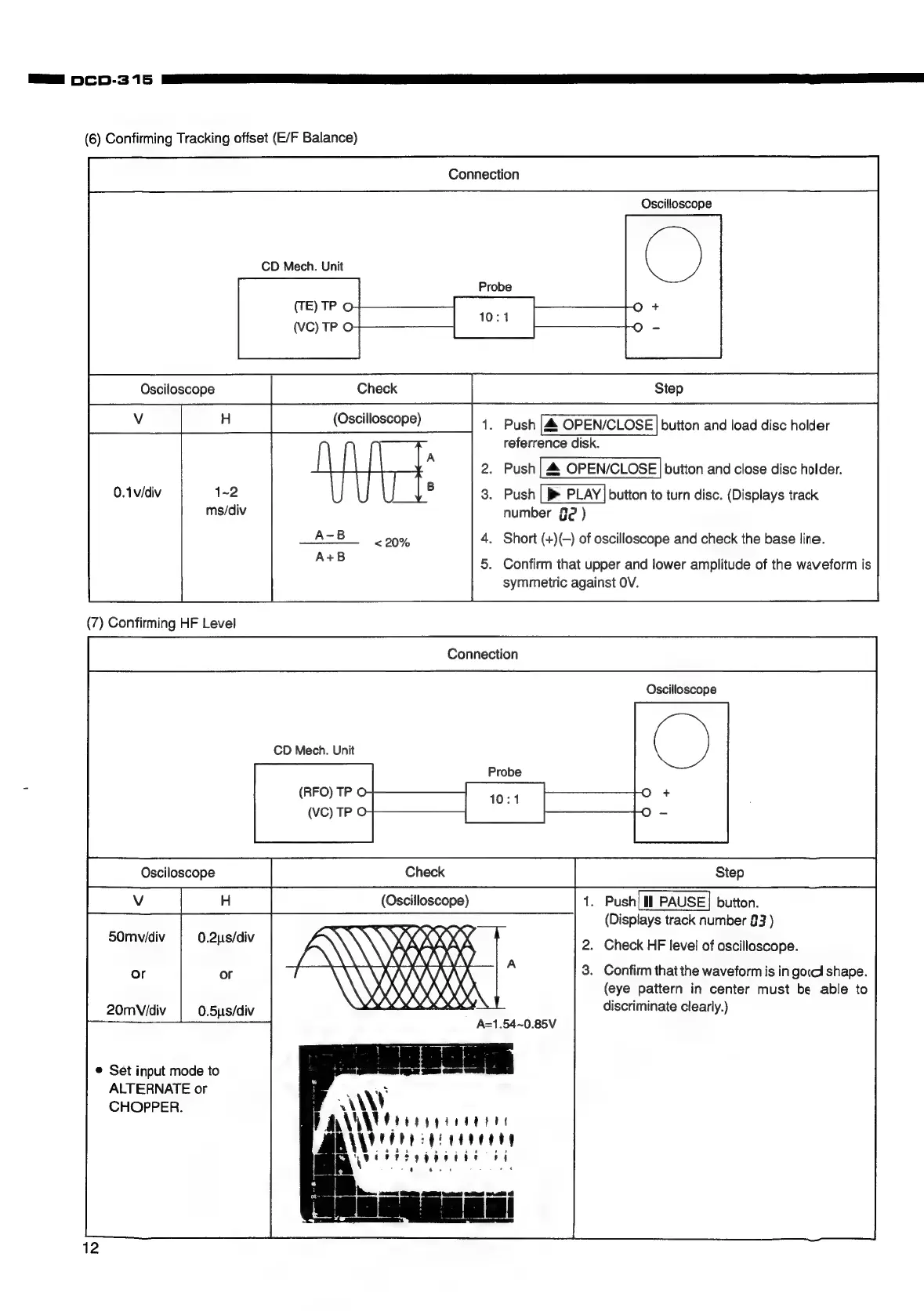
(6)
Confirming
Tracking
offset
(E/F
Balance)
Connection
CD
Mech.
Unit
Oscilloscope
(Oscilloscope)
_
Push
|
OPEN/CLOSE
]
button
and
load
disc
holder
referrence
disk.
2.
Push|
4
OPEN/CLOSE
|
button
and
close
disc
holder.
0.1v/div
3.
Push
|
®
PLAY]
button
to
turn
disc.
(Displays
track
number
§¢
)
4.
Short
(+)(—)
of
oscilloscope
and
check
the
base
line.
5.
Confirm
that
upper
and
lower
amplitude
of
the
waveform
is
symmetric
against
OV.
(7)
Confirming
HF
Level
Connection
CD
Mech.
Unit
(RFO)
TP
O
50mvidiv
0.2us/div
or
or
20mVidiv
0.5u:s/div
A=1.54~0.85V
©
Sét
input
mode
to
ALTERNATE
or
CHOPPER.
_
FR\\\EE
Peete
ele
eeeny
Oscilloscope
.
Push}
Il
PAUSE}
button.
(Displays
track
number
83
)
.
Check
HF
level
of
oscilloscope.
.
Confirm
that
the
waveform
is
in
gor
shape.
(eye
pattern
in
center
must
be
able
to
discriminate
clearly.)

Related product manuals