EasyManua.ls Logo

Denon DN-X800 - Page 36

Denon DN-X800
40 pages
Print Icon
To Next Page IconTo Next Page
To Next Page IconTo Next Page
To Previous Page IconTo Previous Page
To Previous Page IconTo Previous Page
Loading...
36
SVENSKA
4
ANSLUTNINGAR
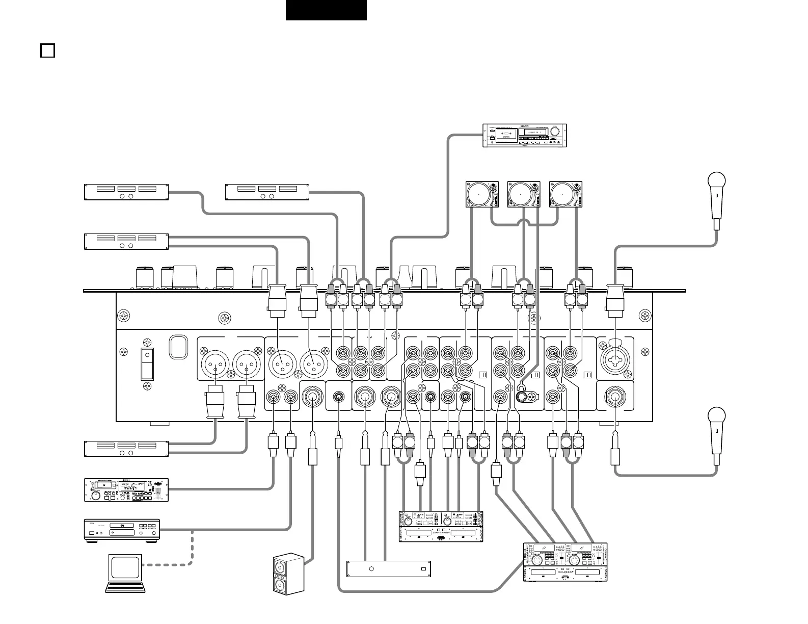
Se anslutningsschemat nedan.
1. Stäng av strömmen innan anslutningarna görs.
2. Kablar av bra kvalitet gör stor skillnad och ger ljudet mer
kraft och kvalitet. Använd endast audiokablar av hög
kvalitet.
3. Använd inte för långa kablar. Se till att alla anslutningar görs
ordentligt. Lösa anslutningar kan ge upphov till brummande,
brus och störningar, vilket kan skada högtalarna.
4. Anslut först alla stereoingångskällor. Anslut därefter
eventuella signalbehandlare till stereo Effect-
anslutningarna. Anslut en eller flera mikrofoner samt ett par
hörlurar för kontrollyssning. Se till att alla faderreglage står
på noll och att mixern är avstängd. Anslut endast en kabel
åt gången, och se till att höger (R) och vänster (L) kanaler
ansluts rätt både på DN-X800 och den anslutna
utrustningen.
PHLN PHLN
CH3 CH2
PHONO1/LINE1LINE6 PHONO3/LINE5 LINE4 PHONO2/LINE3 LINE2
MAIN MIC
L
R
L
R
L
LN
R
PH
CH1CH4
TAPE
OUT
LINE8 LINE7
BOOTH
L
R
UNBALANCED
ZONE
LR
21
BALANCED
RL
MAIN OUT
POWER
OFF
ON
DIGITAL1FADERDIGITAL4 DIGITAL3 DIGITAL2 GND
AUX MIC
FADER
SUB WOOFER
JACK
X-EFFECTS
RETURNSEND
EFFECT
DIGITAL OUT
RL
R
L
R
L
R
L
R
L
RLRLRL RLRL
CONTINUE
ELAPSED
T.
REMAIN
SINGLE
CONTINUE
ELAPSED
T.
REMAIN
SINGLE
SFMTRACK SFMTRACK
1 2
PITCH
CUE CUE
PITCH
SCAN
CLOSE
SEARCH
OPEN/
JOG
MODE
0%
PITCH
PITCH BEND
CUE PLAY/PAUSE
TRACK
CONT./
SINGLE TIME
PITCH%
REMOTE CONTROL UNIT RC-47
JOG
MODE
CONT./
SINGLE
PITCH%
SCANSEARCH
CUE
OPEN/
CLOSE
TRACK
TIME
0%
PITCH
PLAY/PAUSE
PITCH BEND
POWER
OPEN/CLOSE OPEN/CLOSE
2
21
1
OFFON
1 2
POWER
OFFON
OPEN/CLOSEOPEN/CLOSE
21
ON/OFF
PLAY/WRITE
FLG
PITCH
RELOOP
EXIT/
STOP
RVBFIL
BA
LOOP
TAP
REVERSE
START
NEXT TR.
K
EY
B
E
N
D
EFFECT
SEARCH
D
I
G
I
-
S
K
E
Y
B
E
N
D
D
I
G
I
-
S
TIME
END MON.
CONT./SINGLE
SEARCH SCAN
LOOP
PRESET
MODE
DATA MASTER
PUSH ENTER
KEYMEMO
PITCH BEND
BRAKE PITCH
PROGRAM
REMOTE CONTROL UNIT RC-46
0%
START
NEXT TR.
EFFECT
SEARCH
CONT./SINGLE
TIME
END MON.
SEARCH
LOOP
SCAN
CUE
RVBFIL
TAP
STOP
B
LOOP
A
REVERSE
PLAY/PAUSE
FLG
ON/OFF
PLAY/WRITE
MODE
PITCH
DATA MASTER
PRESET
PUSH ENTER
EXIT/
RELOOP
KEYMEMO BRAKE
PROGRAM
END MON.
PITCH BEND
PITCH
0%
PLAY/PAUSE
CUE
CUE
2
CUE
1
21 12
OPEN/
CLOSE
OPEN/
CLOSE
DP-DJ151
Digital
Quartz
A
N
T
I
-
S
K
A
T
I
N
G
7
6
5
4
3
2
1
0
ON
SLOW
BRAKE
OFF
POWER
START
/STOP
45
0
1
2
3
4
33
78
+12
0
-12
PITCHKEY ADJUST
DP-DJ151
Digital
Quartz
A
N
T
I
-
S
K
A
T
I
N
G
7
6
5
4
3
2
1
0
ON
SLOW
BRAKE
OFF
POWER
START
/STOP
45
0
1
2
3
4
33
78
+12
0
-12
PITCHKEY ADJUST
DP-DJ151
Digital
Quartz
A
N
T
I
-
S
K
A
T
I
N
G
7
6
5
4
3
2
1
0
ON
SLOW
BRAKE
OFF
POWER
START
/STOP
45
0
1
2
3
4
33
78
+12
0
-12
PITCHKEY ADJUST
Bandspelare
Skivspelare
3
Skivspelare
2
Skivspelare
1
Booth-slutsteg, osymmetrisk signal Huvudslutsteg, osymmetrisk signal
Huvudslutsteg, symmetrisk signal
Zone-slutsteg, symmetrisk signal
MD-inspelare
CD-inspelare eller PC
CD-spelare
Signalbehandlare
CD-spelare
Mikrofoner,
osymmetriska signaler
Mikrofoner, symmetriska eller
osymmetriska signaler
Subwoofer med
inbyggt slutsteg
5. Anslut stereoutgångarna till ett eller flera slutsteg och/eller
bandspelare, MD- och CD-inspelare. Anslut DN-X800 till
nätet.
OBSERVERA:
Slå alltid på strömmen till ljudkällan, t.ex. en CD-spelare, först.
Därefter slås strömmen på i mixern och till sist i slutstegen.
Strömmen stängs av i omvänd ordning, dvs. slutsteg, mixer
och till sist ljudkällor.