EasyManua.ls Logo

Denon DN-X800 - Connections

Denon DN-X800
40 pages
Print Icon
To Next Page IconTo Next Page
To Next Page IconTo Next Page
To Previous Page IconTo Previous Page
To Previous Page IconTo Previous Page
Loading...
6
ENGLISH
4
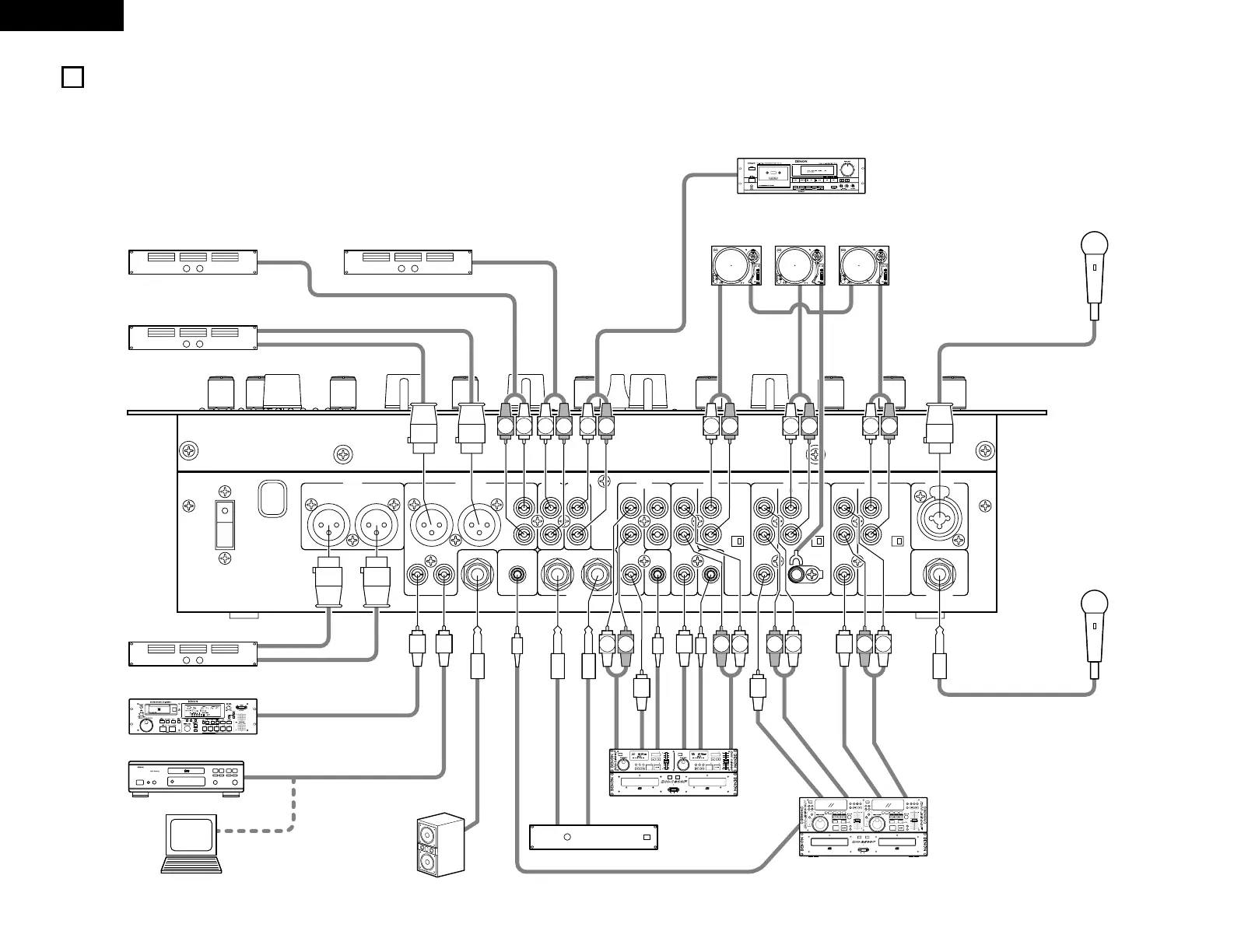
CONNECTIONS
Refer to the Connection Diagram below.
1. Make certain AC power is off while making connections.
2. Quality cables make a big difference in fidelity and punch.
Use high-quality, audio cables.
3. Do not use excessively long cables. Be sure plugs and jacks
are securely fastened. Loose connections cause hum,
noise, or intermittents that could damage your speakers.
4. Connect all stereo input sources. Then connect any effects
into the stereo Effect, if used. Connect your Microphone(s)
and monitor headphones. Make sure all faders are at
zero and the unit is off. Take care to connect only one
cable at a time. pay attention to L and R position of jacks,
on both the DN-X800 and outboard gear.
5. Connect the stereo outputs to the power amplifier(s) and/or
tape deck(s) and/or MD recorder(s) and/or CD recorder(s).
Plug the DN-X800 into AC power outlet.
PHLN PHLN
CH3 CH2
PHONO1/LINE1LINE6 PHONO3/LINE5 LINE4 PHONO2/LINE3 LINE2
MAIN MIC
L
R
L
R
L
LN
R
PH
CH1CH4
TAPE
OUT
LINE8 LINE7
BOOTH
L
R
UNBALANCED
ZONE
LR
21
BALANCED
RL
MAIN OUT
POWER
OFF
ON
DIGITAL1FADERDIGITAL4 DIGITAL3 DIGITAL2 GND
AUX MIC
FADER
SUB WOOFER
JACK
X-EFFECTS
RETURNSEND
EFFECT
DIGITAL OUT
RL
R
L
R
L
R
L
R
L
RLRLRL RLRL
CONTINUE
ELAPSED
T.
REMAIN
SINGLE
CONTINUE
ELAPSED
T.
REMAIN
SINGLE
SFMTRACK SFMTRACK
1 2
PITCH
CUE CUE
PITCH
SCAN
CLOSE
SEARCH
OPEN/
JOG
MODE
0%
PITCH
PITCH BEND
CUE PLAY/PAUSE
TRACK
CONT./
SINGLE TIME
PITCH%
REMOTE CONTROL UNIT RC-47
JOG
MODE
CONT./
SINGLE
PITCH%
SCANSEARCH
CUE
OPEN/
CLOSE
TRACK
TIME
0%
PITCH
PLAY/PAUSE
PITCH BEND
POWER
OPEN/CLOSE OPEN/CLOSE
2
21
1
OFFON
1 2
POWER
OFFON
OPEN/CLOSEOPEN/CLOSE
21
ON/OFF
PLAY/WRITE
FLG
PITCH
RELOOP
EXIT/
STOP
RVBFIL
BA
LOOP
TAP
REVERSE
START
NEXT TR.
K
EY
B
E
N
D
EFFECT
SEARCH
D
I
G
I
-
S
K
E
Y
B
E
N
D
D
I
G
I
-
S
TIME
END MON.
CONT./SINGLE
SEARCH SCAN
LOOP
PRESET
MODE
DATA MASTER
PUSH ENTER
KEYMEMO
PITCH BEND
BRAKE PITCH
PROGRAM
REMOTE CONTROL UNIT RC-46
0%
START
NEXT TR.
EFFECT
SEARCH
CONT./SINGLE
TIME
END MON.
SEARCH
LOOP
SCAN
CUE
RVBFIL
TAP
STOP
B
LOOP
A
REVERSE
PLAY/PAUSE
FLG
ON/OFF
PLAY/WRITE
MODE
PITCH
DATA MASTER
PRESET
PUSH ENTER
EXIT/
RELOOP
KEYMEMO BRAKE
PROGRAM
END MON.
PITCH BEND
PITCH
0%
PLAY/PAUSE
CUE
CUE
2
CUE
1
21 12
OPEN/
CLOSE
OPEN/
CLOSE
DP-DJ151
Digital
Quartz
A
N
T
I
-
S
K
A
T
I
N
G
7
6
5
4
3
2
1
0
ON
SLOW
BRAKE
OFF
POWER
START
/STOP
45
0
1
2
3
4
33
78
+12
0
-12
PITCHKEY ADJUST
DP-DJ151
Digital
Quartz
A
N
T
I
-
S
K
A
T
I
N
G
7
6
5
4
3
2
1
0
ON
SLOW
BRAKE
OFF
POWER
START
/STOP
45
0
1
2
3
4
33
78
+12
0
-12
PITCHKEY ADJUST
DP-DJ151
Digital
Quartz
A
N
T
I
-
S
K
A
T
I
N
G
7
6
5
4
3
2
1
0
ON
SLOW
BRAKE
OFF
POWER
START
/STOP
45
0
1
2
3
4
33
78
+12
0
-12
PITCHKEY ADJUST
Tape deck
Turntable 3 Turntable 2 Turntable 1
Booth unbalanced power amplifierMain unbalanced power amplifier
Main balanced power amplifier
Zone balanced power amplifier
MD recorder
CD recorder or PC
CD player
Effects processor
CD player
Unbalanced Microphones
Balanced or unbalanced
Microphones
Subwoofer with
Built-in amplifier
NOTE:
Always switch on your audio input sources such as CD players
first, then your mixer, and finally any amplifiers. When turning
off, always reverse this operation by turning off amplifiers,
then your mixer, and then input units.