EasyManua.ls Logo

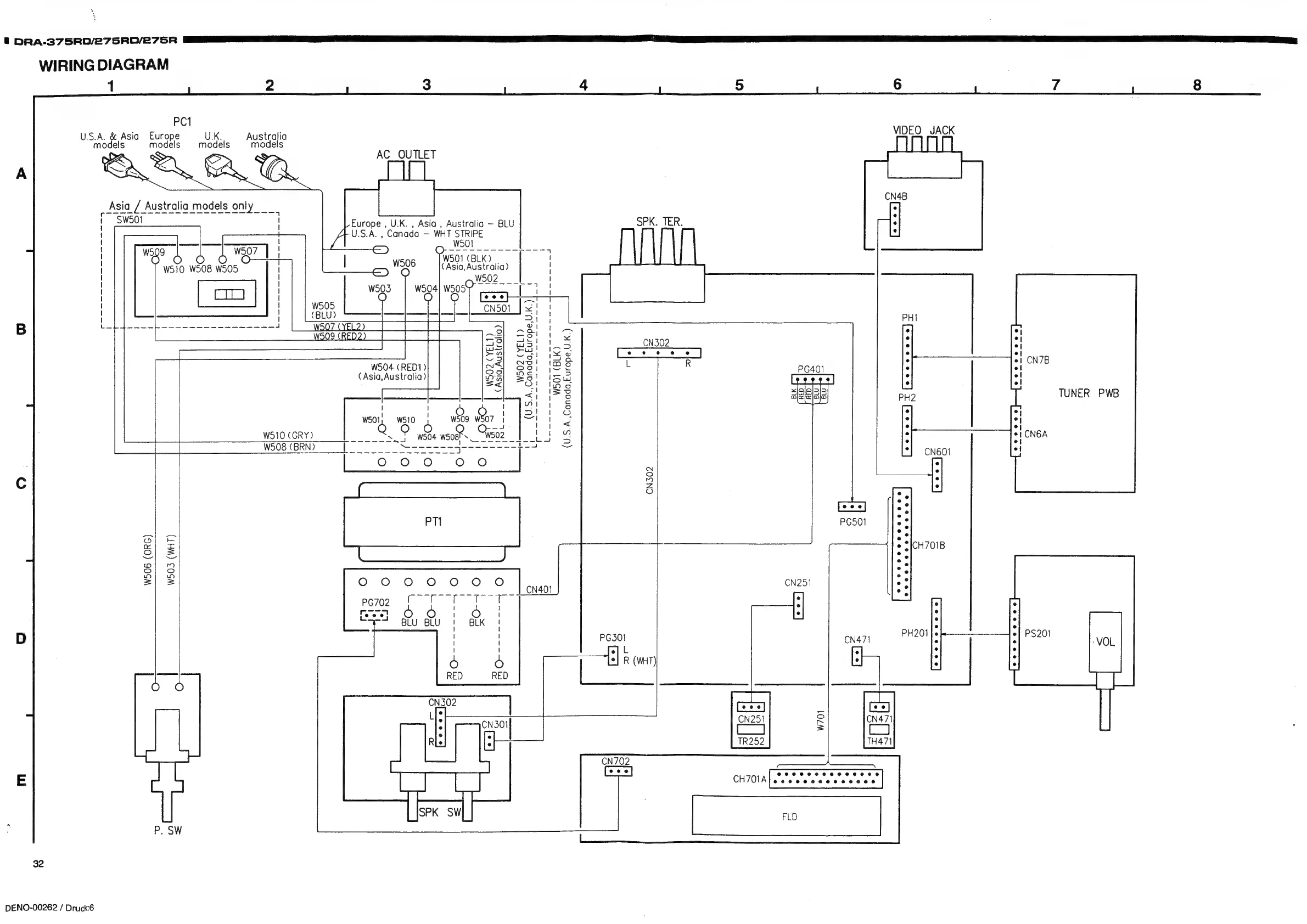
Denon DRA-375RD - Wiring Diagrams; Overall Wiring Diagram

Denon DRA-375RD
36 pages
Print Icon
To Next Page IconTo Next Page
To Next Page IconTo Next Page
To Previous Page IconTo Previous Page
To Previous Page IconTo Previous Page
Loading...
§
DRA-375RD/275RD0/275R
WIRING
DIAGRAM
1
2
3
PC1
U.S.A.
&
Asia
Europe
U.K.
Australia
models
models
models
models
|
;
p
AC_OUTLET
A
Pra
icky
Ain
a
SoM
eA
LS
eee
1
i
|
|
{
|
|
W501
W509
Woo7
el
eer)
Oe
eee
eae
O20
W506
W501
(BLK)
\
\
O
(Asia,
Australia)
|
W502
__
w503
|
W504]
W505)
O O
I
!
W505
|
(BLU)
—_——|-|—-|—
B
ks
4
150
ca
a
a
5
w509(RED2)
|
|
1-1
a2
Cir
3
W504
(RED1)
ng
|
(Asia,
Australia)
23
I I
-
WQe
W507
WS10(GRY)
tS
Q
“W502
_
W508
(BRN)
Cc
Ol
fe
S|
=
wo
De)
S| DB
=|
=
Oo
Oo
0
i
cae
ana
PP
On
Ai
1
BLK
|
D
I
6
6
ED
RED
O
E
>
P.
SW
32
DENO-00262
/
Druck:6
W502
(
YEL1)
(U.S.A.,Canada,Europe,U.K.)
SPK.
TER.
W501
(BLK)
(U.S.A.,Canada,Europe,U.K.
)
FLD
VIDEO
JACK
CN4B
TUNER
PWB
CH701B
PH201
-VOL

Other manuals for Denon DRA-375RD

Related product manuals