EasyManua.ls Logo

Denon DRA-375RD - Page 36

Denon DRA-375RD
36 pages
Print Icon
To Previous Page IconTo Previous Page
To Previous Page IconTo Previous Page
Loading...
1s)
LY
a
STU,
a
STS
_————
:8
7
8
9
10
11
eo
$—
-
-
——
-
—_
-
A
|
in
9)
=
>
rae
S
Dob
ne
oO
wD
@
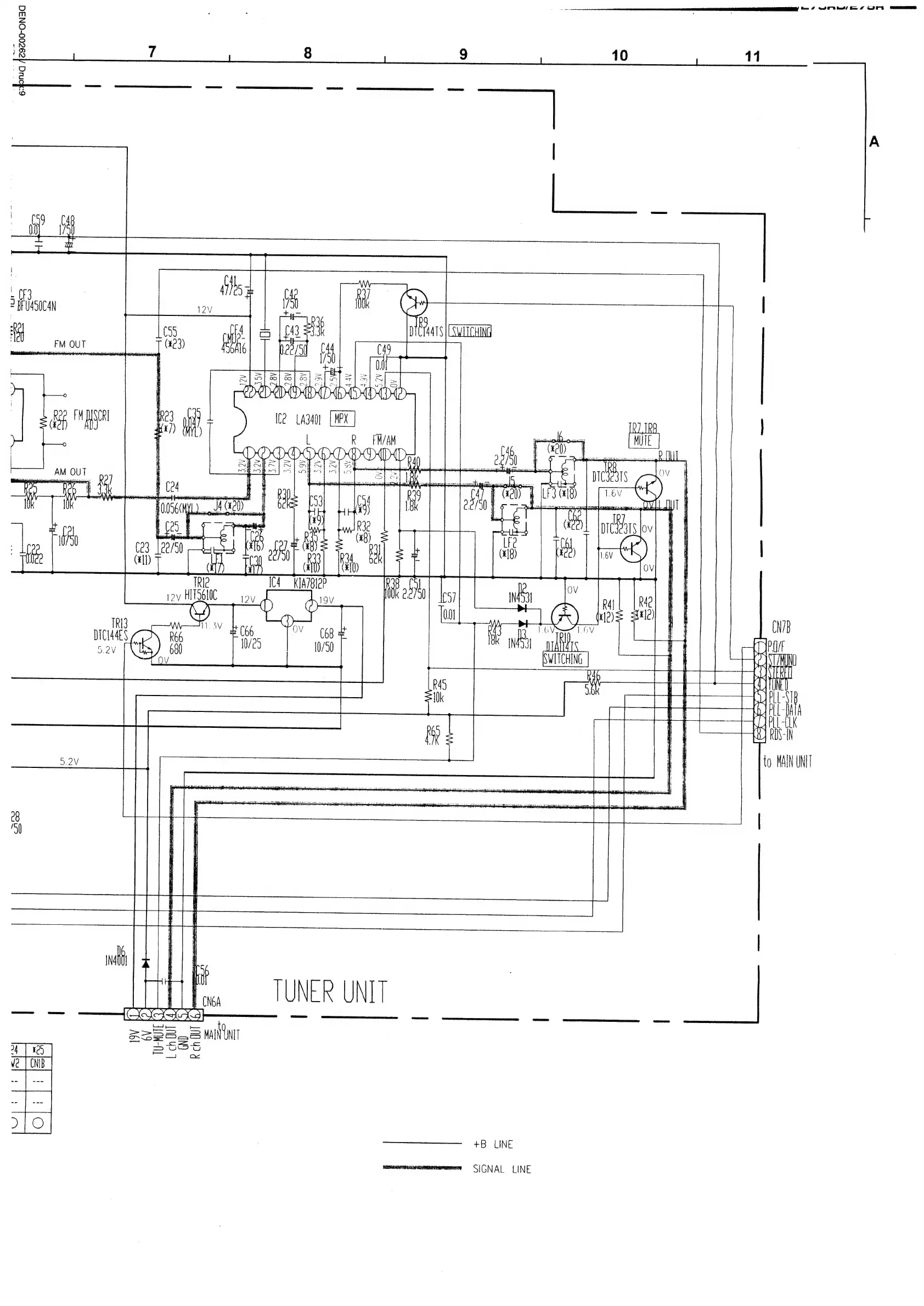
Ice
LA3401
L
R
FM/AM
att
>
DODD,
L
TRie
C4
KIA7BIeP
U1
tae
mits
TY
bag
Pp
6.2V
&
i
IN/e3
10/50
V
to
(N7B
To
c5
=
=>
v4
WS
[J
yy
¥
IED,
Soleo
os
Gn
en
ae!
mee
aS
Sa
PS
es
=>
&S
Pie
ele
td
aw
rr
SS
5.2V
28
5
|
|
+B
LINE
Amoaeanmnanemnamemens
=
«S/N
Al
LINE

Other manuals for Denon DRA-375RD

Related product manuals