EasyManua.ls Logo

Denon DRM-800A - Page 32

Denon DRM-800A
41 pages
Print Icon
To Next Page IconTo Next Page
To Next Page IconTo Next Page
To Previous Page IconTo Previous Page
To Previous Page IconTo Previous Page
Loading...
I
5
I
6
I
7
I
8
I
TR107. 207
2SC2603
IC304
HD140668P
'8V
TR106. 206
2SK381
4U-1817-4
(1/2)
PHONES
JACK
4U-1817-5
HEAD PHONE PWB
Lrn
R<h
LINE OUT
JI(301
~~~CN0I71X ~:~E
4 --Len
5 REC
6 HEAD
WI71 -- Reh
R129
47 r--
R229L
47
5~
~-.:J
C154
150p
L206
15mH
C254
150p
r~
T~
W141
ERASE HEAD
>---
R153
'OK
C246 R253
0.082 3Q1(
CI46
0.082
OUTPUT
10k 1M
~~ ~~
O.
NO
~2
R219 C216
47k
V50
+ R223
120 (1/2w)
, MS218
RIS6 L 106
7 4.7k 15mH
~~
1105
6.8mH
L205
6.8mH
TR 110. 210 TR 109. 209 TR 108. 208
DTC124XS DTC124XS DTC124XS
C144
4.7/35
.
C244
4.7/35
RT20?
47k (8)
RTl02
47k (8)
h
u
h
R601 C601
2.4k
2.~/50
TR316 , DTC124X3
~~1~
R34~
3.91c
C307.,4D
TR 111.211
DTC124XS
TR105. 20S ~
2SC2603 TR
20S
C242 R261
10/16 15k
METAL
·BV)
REC Len
REC Ren
TR319 ,
DT A 144ES
r< ERASE I£AD
r---< REC MUTE
I '34'~ -8V >--
: DTC124ES
SOURce H
rAPE L
~.v
-BV.
LINEMUTe>----C142 RI61
10/16 151<
TR 321
DT A143XS
---f-< -8V
-8V~
TAPE Len >--0-
t
r SOURCE Rch
,---J
:2J'ONITOR.11
PLAYMUTE~
LINE MUTe
REC MUTe
r----< TAPE Rch )-q-
r SOURCE Leh
CI55
10/16
C255
10/16
R265
330
R16!>
330
TRI07 ~
820
~ ~227TR207 'ydT820
§ I ~l
}F~T
L104
SKEW COIL ~ 10 ••
-cJr~~-~$;;
CII~
10/16
C215
10/16
r-< ERASE HEAD
(NORMAL)----
48'{
-<
CtflOME >---=--
46'1
-< METAL)-----'-=-'-
IONITOR
'5"""2
-----
0351
12.
'0
1122•
"0
-- .
I R30633K ( BIAS FINE VR )-
BIAS FINE VR)--
METAL sov I
CHROME 6.3V
NORMAL 69V
DTe 124XS
TR304
TR30S
TR30S
R308~3.3K \..rJ
'R304
R307
12K
/
I~
U03
OSC COIL
2SC2603
2SC2603
I
i--
-4--
.-6V
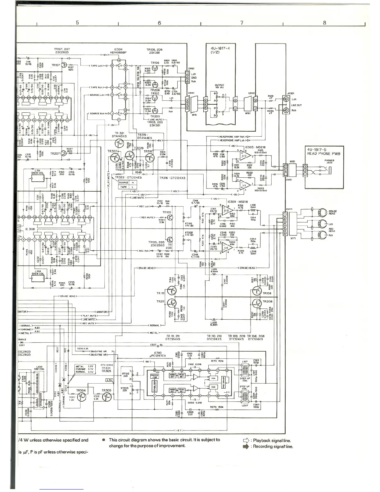
/4 W unless otherwise specified and
is
pi. P is pF unless otherwise speci-
This circuit diagram shows the basic circuit. It is subject to
change for the purpose of improvement.
c:) :Playback signal line.
: Recording signat line.

Related product manuals