EasyManua.ls Logo

Denon DRS-810 - Page 33

Denon DRS-810
36 pages
Print Icon
To Next Page IconTo Next Page
To Next Page IconTo Next Page
To Previous Page IconTo Previous Page
To Previous Page IconTo Previous Page
Loading...
:
i
:
SS
aR
et
lie
rari
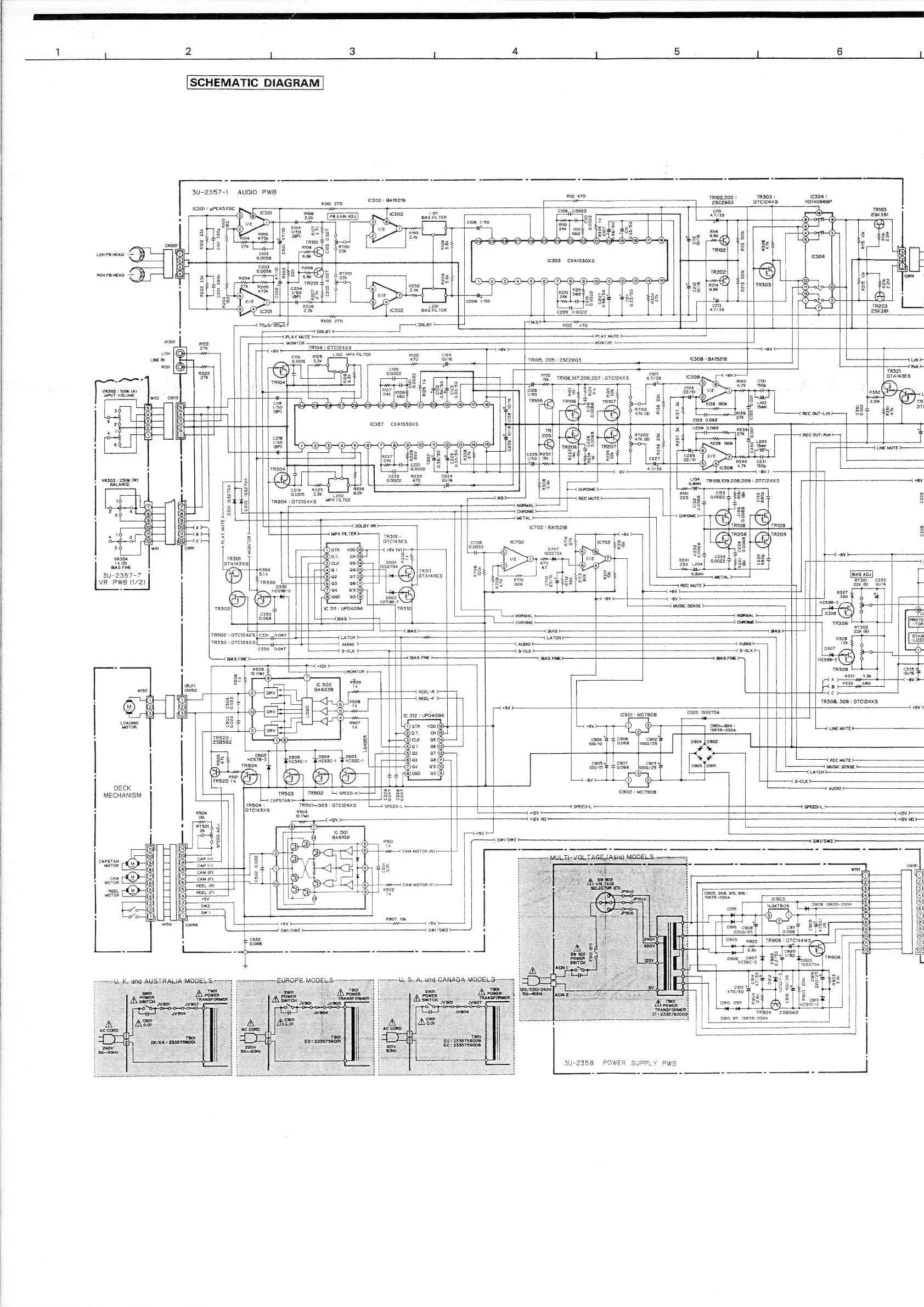
SCHEMATIC
DIAGRAM
OE
SE
SE
SS
SA
SL
SS
(SSNS
3U-2357-1
AUDIO
PWB
RN2
470
TRI02.202
:
TR3O3:
1C304
=
R301
270
1C302
:
BAIS218
{
we
2SC2603
pTci24xs
HD1¢0668P
1301
:
wPC4570C
Seb
hose
mere
TRIO3
'
1C301
101
;
®
©
n
oon
[Pecan
ads]
1e302
Bias
FILTER
ie
on
4.
38
2SK381
2
80
y)
C
®
C108
1/50
os
+H
ea
ze
es
x
a
(2)
6
H
amg
o
7
ial
a
RIO5
g
560
6
oe
&
&
oz
3
="
R104
470K
°
$25
(r)
3
a
in
ve
Te
bs
nS
8x
©
CN3OI
2
io}
0
=
2
35
=
oa
=
2
3
TRIO2
ca
«
Ss
LCH
PB
HEAD
—=—
'o
el
a
fila
3
i]
|
tx]
gH
ose
2133
x
R208
oA
TR202
)
-
pars
S328
&
4
RTZ01
&
Ea
|
x
RCH
PB
HEAD
Aa]
a8
S276
|
eax
Sy
8
one
Pr
8
io
cnt
Pein
*
TR2015
#0
R250
ae
[resOy
Tel
|tr303
2
8
8
3
Feo
seis
P
6)
2.48
Rane
ay
9
3
_
So
|
68k
g
2
|
et
S
3]
|
@
shee
®
He
86078
Ost
aS
Sx
z
l
pe
(s)
(a)
C208
1/50
dono
88
on
a
—+
|
R206
L201
D8
236:
°
c2i3
TR203
2.2k
ic302
BIAS
FILTER
209
¢.0022
4.77/35
2SK381
it
ies
7
a
]
R302
270
MS
at
Ww
p———_——4
704S/1204S
[ero
DOLBY
R212
470
1 +
DOLBY
1
fees
PRY
PLAY MUTE
~
PLAY
MUTE
a
JK3O1
azz
MONITOR
MONITOR
27k
TRI04
:
DICIZ4xS
SV
+
say
+
rot
+8
LCH
cy
ene
R125
LIOZ
MPX
FILTER
RISO
ci24
3
LINE
IN
15
33K
470
10/16
TRIOS,
205
:
28C2603
1C308
:
BAIS218
ee
es
on
sire
‘x
(QL
gon
ie
_
Se
ee
a
eS
C120
=>
R222
0.0022
a
R132
127
sav
EASES
ono
27k
als
15k.
TRI06.107.206,207
:
OTC124XS
4.7735
1c308
(ape
-
ao
j=
°
°
;
|
+
>
R140
cist
5
125
Sq
Bel
ane!
i
ft
a
os
128
Sopa
47K
«1808
Gay
VR302
¢
100k
(A)
|
+
|
|
|
2ax
[R128
s
POS
S8
cies
ag
Ss
22/10
b
ve
y
rea
asse
iy
a
ot
ae
1
be
Sie
TRIOS
(>
tio7|
s
Pots
qia8*
BOK
3
os
feary
GC
TR
.
750
69-29
a—e?)
e5-—-29-—239
@)—RI+(9)
“9-9
9)
if
a
2
ane
fom
58
=
Be
OM
(BP)
7
9
47k
(a)
&
5
PE
——w_a39
[8
+
rec
ouT-ich
So
T
2S
SY
i
z
=
c1z9
0.082
ie
o
i
1C307
CXA1330xS
1
x
C229
0.082
2239)
5
"
RT202
ark
IS
REC
OUT-Ren
>
c218
47k
(B)
750
3
-
R238
180k
Q
L203
+
+
(BP)
TR206
.
ean
——
LINE
MUTE
}>————
aH
8
Bx
9
a
+(6)
5
t
22
a3
c228
To3
£2010
R240
C231
i
3
3.7%
1850p
1C308
.
nReOs
4
-av
>
~<
-av)
+
VRSOS
=
250
wy
$
{
(i)
3
x
peat
TRI08,109.208.209
:
DTCI24XS
ot
+8V
e
ep
)
6
.
$3
c2i9.
R225,
Ress.
a
$<
CHROME
Py
=
ou
a
0.0015
3.3K
L202
:
1
$25
28
bs
3
us
~<
REC
MUTE
>
@
|
ooo2z2t
tze2
ng
9k
ky
TR204:DTCI24xs
-
MPX
FILTER
sés
oo
T
Hy
5
2
a
NORMAL
oe
oo
3
[3
——
~<
CHROME
7
fork)
53
fork)
fs
b=
t
<
METAL
(Ea
3
ea
al
2
4
DOLBY
NR
>
Ic702
:
BAIS218
TRIOB
Ke
TRIO9
8
2
%
&
MPX
FILTER
TR3IO:
ex
+8V
-—
(ie
(i
TR209
G
1.
RRS
x
o
on
z
:
DTCI43ES
708
Ic702
ae
\c7oz
42x
ey
98
Pek
3
0707
ia
86
2
\SS270A
©
~@
oT
t+
-ev
.
VR304
TR301
@
ax
|
8a
!
|
1k
(B)
OTAI43xs,
6)
_@)
88
|
oe
BIAS
FINE
'
|
asso
TR3it
[
3U-2357-7
t
51k
OTAI43ES
{METAL
LBS
Ae
re
VR
PWB
(1/2)
TR330
|
L—
—+
REC
MUTE
}
22k
(8)
10/16
r
=
HZS9B-2
ta
4
+8V
Seta
es
BV
>
TR302
i
Ic
31:
UPD4094
MUSE
SENSE
c3soT
{
NORMAL
1
0.068
|
BIAS
————+-
ff
it
CHROME
<
CHROME
7
TR308°
——*
+
if
|
{
|
RT302
+
+——<
BIAS
+
BIAS
<
BIAS
>
22k
(B)
TR302
:
OTCI24ES
|
c331
0.047
Ganon
{|
eaTOtS
TR33S0
:
OTCIZ4xS
tt
i
aAupIo
+
AUDIO
>
AUDIO
>
330.
0.047
4
$-c1K
ro
S-CLK—
S-CLK
\
BIAS
FINE
—+
BIAS
FINE
+
—{
BIAS
FINE
)>-
—_—
Sa
nt
BAS
FINE
HZS9B-2
a
to
:
fi
T
R505
ae,
Praene
TR309
10
(Ww)
(7)
rc
|
R33!
3.3k
ons
|
:
+
-8V
Ic
502
R809
|
By
R350
880
®
BA6238
a
aBeESR
{ |
7
;
°
Pa
R508
aaa
TR30B,
309
:
OTCIZ4xS
2
'
pam
+5
+
=
+5V>
7
;
(—jow
FE
8
Br
Ic
312
:
uPD4094
Ic901
:
Mc7808
pag
rsseToe
J
RS5O7
ae
+8V
()
@)
D901~904
=
a
eee
Gs)
um
>
4
ames
1SR35-200A
poe
LINE:
MUTE,
'
ia
+
+
7
wi
c904
&
c906
c902
m
i
2
100/10
6.068
1000725
909)
0902
|
H
eee
8
°
0502
505
D504
D503
SES
HZS76-3
nzgac-1
HZS3c-1
“&
HZS2C-1
aos
REC
MUTE
8
+|
|
ca07
c903
+
TR504
100/10
%
=
6.068
o00/25
D903
|
0901
MUSIC
SENSE
(ar
aN
L—————{
LATCH
>
_
R521
(cr)
'
TRS520
ik
‘ay
L—
-8v
@)
@
S-CLK
DECK.
'
=
Ic902
:
MC7908
Baie
MECHANISM
TR503
TR502
9
SPEED-H
Le
CAPSTAN
TRSO4
=
TR501~503
:
OTCIZ4XS
|
|
SPEEO-L
>
|
———{
speED-L
>——
i
'
oTC143xs
R503,
Lf
say
t
+
ee
aap
2
HD
7
—{
+12V
HO
>
L
a
|
|
t
aa
ex
g[<
|
IC
501
p<
+5V
g
BA6109
|
SW1/SW2
w
R501
|
fa
+
swi/sw2
5
Or
iotaaths
{|
is
ai
* =
ee
SS
=
ry
CAPSTAN
8
2
MOTOR
3S.
155
'
cNigt
ow
Tso
t
C71
3
t
*
Moron
£AM
©
2
\
he
et
REEL
(R)
loaeee
CAM
MOTOR
(F)
>————~
1
'
5
‘ey
-
R502
h
uoree
To
1k
D905,
906.
315.
916
:
7
1SR35-200A
[es
iC903
ie
is
aa
3
r
..
90909
!SR35-200A
ix]
mae
|
NJM7806
|
0)
fe
@
'
1
@
R907
10k
j
(8)
@
wisé
CNIS
7
+5V
>
+5
Baie
cae
Key
ral
SWI/SW2
>
—~<
SWI/SW2
>
iy
2200/25
2
i
aszz
|
TR9O6
:
OTCI4aWS
ot
@
Parent
6.8K
i
Go
(2)
Li»!
&
o
|c920
Ro}
eS
\
r
906
0907
as
Y80
5.
oo
TROOE
|
|
HeSeC
2
On
|
1SS270A
|
H
Ce
oo
wt
&
;
ige@
ake
8
|
ig
85
&
H
cars
+h
23
ef
8
in
470/50
=
8
,
Sz
2
3
:
Ee
a
|
|2
POWER
i
ae
me
«
°
|
Huzsnc-2
Hipuesiteoel
7R904
~~
258562
‘cm
amannccaninh
ppads
LEER
eRRe
Ee
er
arny
POWER
SUPPLY
0910,
911
=
1SR35-200A
PWB
|

Other manuals for Denon DRS-810

Related product manuals