EasyManua.ls Logo

Denon DVD-1920 - Page 29

Denon DVD-1920
51 pages
Print Icon
To Next Page IconTo Next Page
To Next Page IconTo Next Page
To Previous Page IconTo Previous Page
To Previous Page IconTo Previous Page
Loading...
29
DVD-1920/756
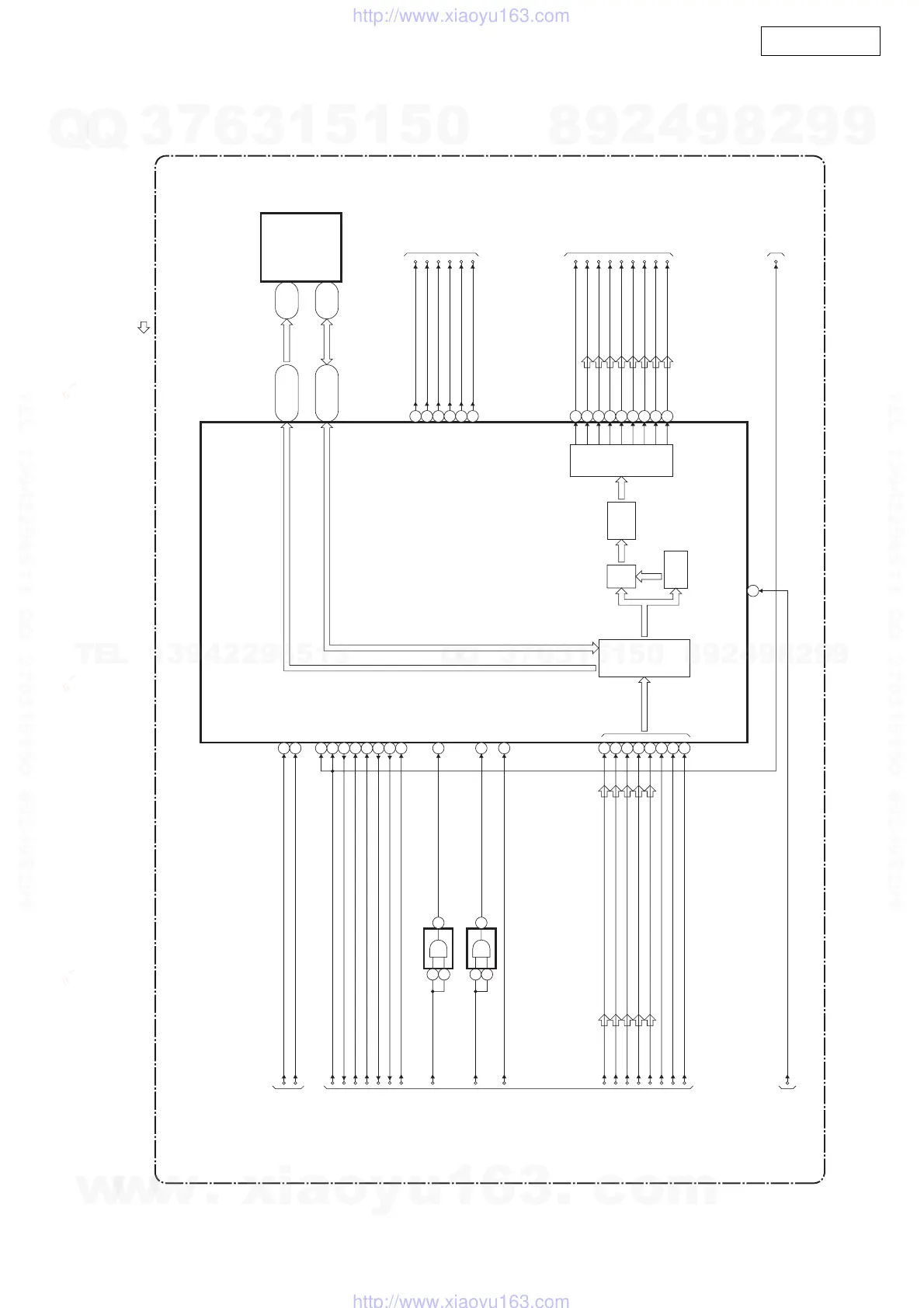
SACD Block Diagram
ICS01 (SACD MULTI CHANNEL SIGNAL PROCESS)
ICS12 (SD-RAM)
60
63
65
68
70
73
75
64
66
69
71
74
76
STREAM
MANAGER
XSHD
XSRQ
SDCK
SDEF
SACD-RESET
SACD-RESET
WCK
ADDRESS (0-11)
DATA (0-7)
SACD-READY
SACD-LATCH
SACD-DATA
XSRQ
SDEF
SACD-RESET
PSP-WCK
SACD-READY
SACD-LATCH
SACD-DATA
TO DIGITAL
SIGNAL PROCESS
BLOCK DIAGRAM
TO DIGITAL
SIGNAL PROCESS
BLOCK DIAGRAM
TO AUDIO
BLOCK DIAGRAM
TO AUDIO
BLOCK DIAGRAM
TO AUDIO
BLOCK DIAGRAM
SDCK
DSD
FADE
DSD
SIGNAL
PROCESS
DSD
OUTPUT
I/F
ADDRESS
BUS
DATA B U S
DST
DECODER
6
2
7
123
9
31
168
XSAK
167
166
164
165
173
174
175
176
169
170
171
172
11
PCM-SCLK
148,149,151,152,
154-157,159-162
131-134,
136-139
19-24,
27-32
2,3,5,6,
8,9,11,12
55
56
ICS13
1
2
1
2
4
ADAC-MD
ADAC-MC
ADAC-MD
ADAC-MC
3
4
PCM-SCLK
TO SYSTEM
CONTROL/SERVO
BLOCK DIAGRAM
SURROUND-R-MUTE
SURROUND-R-MUTE
SURROUND-L-MUTE
SURROUND-L-MUTE
SUB WOOFER-MUTE
SUB WOOFER-MUTE
CENTER-MUTE
CENTER-MUTE
A-L-MUTE
A-R-MUTE
A-L-MUTE
A-R-MUTE
DSD-CLK
DSD-XML
DSD-XMR
DSD-FL
DSD-FR
DSD-C
DSD-SW
DSD-LS
DSD-RS
(AND GATE)
ICS08
4
(AND GATE)
DVD MAIN CBA UNIT
XSHD
XSAK
SD0/SPDIF
SD1
SD2
SD3
SD5
SD4
SD6
SD7
DATA(AUDIO) SIGNAL
SACD-RESET
w
w
w
.
x
i
a
o
y
u
1
6
3
.
c
o
m
Q
Q
3
7
6
3
1
5
1
5
0
9
9
2
8
9
4
2
9
8
T
E
L
1
3
9
4
2
2
9
6
5
1
3
9
9
2
8
9
4
2
9
8
0
5
1
5
1
3
6
7
3
Q
Q
TEL 13942296513 QQ 376315150 892498299
TEL 13942296513 QQ 376315150 892498299
http://www.xiaoyu163.com
http://www.xiaoyu163.com

Other manuals for Denon DVD-1920

Related product manuals