EasyManua.ls Logo

Denon DVD-1920 - Page 30

Denon DVD-1920
51 pages
Print Icon
To Next Page IconTo Next Page
To Next Page IconTo Next Page
To Previous Page IconTo Previous Page
To Previous Page IconTo Previous Page
Loading...
30
DVD-1920/756
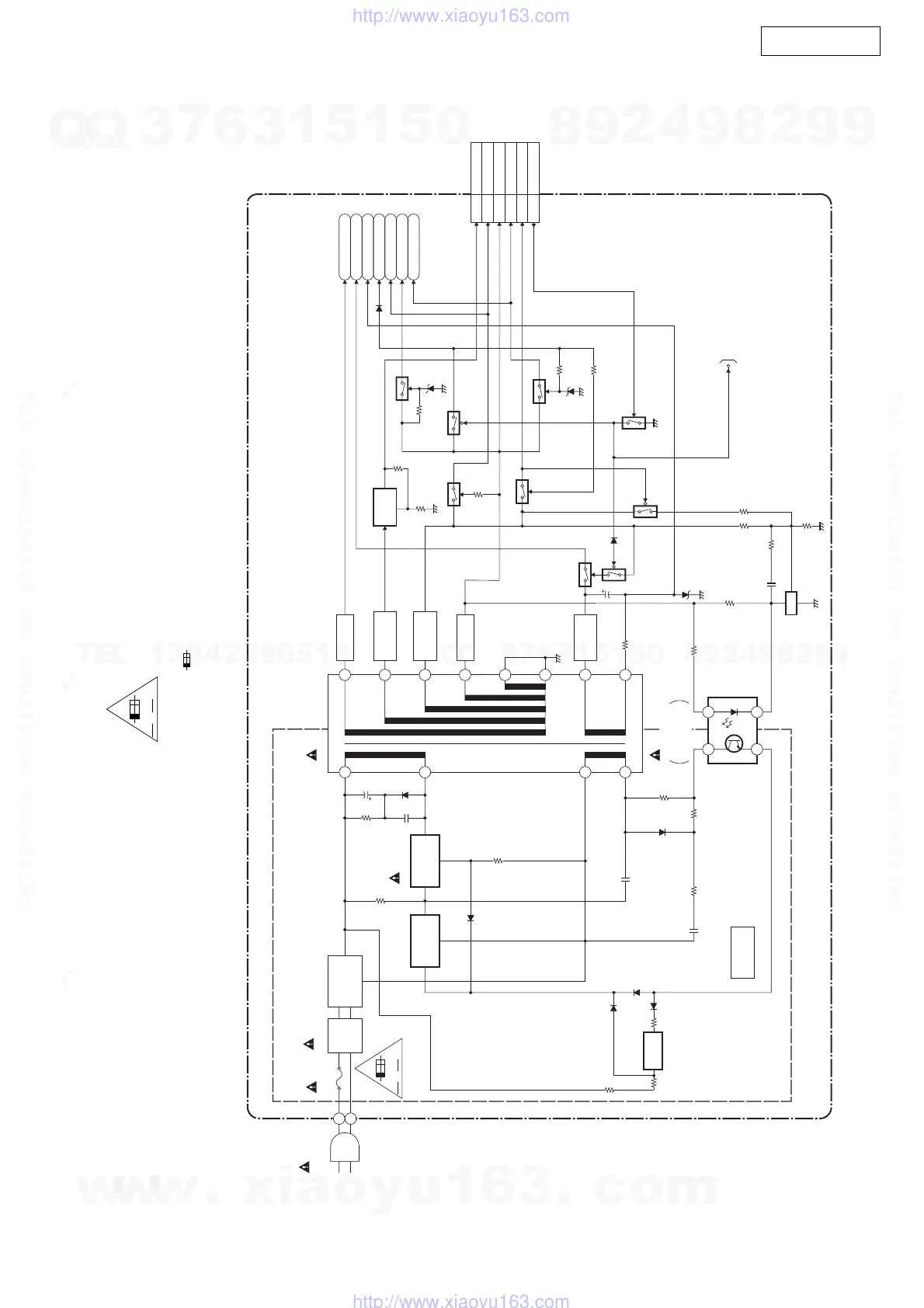
Power Supply Block Diagram
IC1006
(SHUNT REGULATOR)
REG
AC1001
AC CORD
F1001
1A 250V
LINE
FILTER
L1001
D1001, D1002
D1004, D1005
Q1003 Q1001
2
4
7
3
4
IC1001
ERROR
VOLTAGE DET
T1001
11
12
13
15
14
16
17
18
SWITCHING
SWITCHING
CONTROL
1
2
6
BRIDGE
RECTIFIER
HOT
HOT CIRCUIT. BE CAREFUL.
D1003
RECTIFIER
D1030
RECTIFIER
D1016
RECTIFIER
Q1016
Q1005
Q1011
Q1015
Q1002
CN1001
Q1004
-FL
EV+5V
F1
P-ON+10V
EV+3.3V
P-ON+5V
+1.2V
REG.
IC1002
D1006
SCHOTTKY
BARRIER
SCHOTTKY
BARRIER
D1008
F2
AV CBA
TO CN401
Q1008
LATCH
Q1014
TO SYSTEM
CONTROL/SERVO
BLOCK DIAGRAM
INV-POWCON
Q1020
4,5
EV+1.2V
6,7,8
EV+3.3V
11,12
EV+10V
10
P-ON+5V
1,2,3,9
P-ON+3.3V
20
PWRCON
Q1021
A V
F
CAUTION !
Fixed voltage (or Auto voltage selectable) power supply circuit is used in this unit.
If Main Fuse (F1001) is blown , check to see that all components in the power supply
circuit are not defective before you connect the AC plug to the AC power supply.
Otherwise it may cause some components in the power supply circuit to fail.
NOTE:
The voltage for parts in hot circuit is measured using
hot GND as a common terminal.
"Ce symbole reprèsente un fusible à fusion rapide."
CAUTION !
For continued protection against fire hazard,
replace only with the same type fuse.
ATTENTION : Pour une protection continue les risqes
d'Incele n'utiliser que des fusible de même type.
Risk of fire-replace fuse as marked.
"This symbol means fast operating fuse."
A V
F
w
w
w
.
x
i
a
o
y
u
1
6
3
.
c
o
m
Q
Q
3
7
6
3
1
5
1
5
0
9
9
2
8
9
4
2
9
8
T
E
L
1
3
9
4
2
2
9
6
5
1
3
9
9
2
8
9
4
2
9
8
0
5
1
5
1
3
6
7
3
Q
Q
TEL 13942296513 QQ 376315150 892498299
TEL 13942296513 QQ 376315150 892498299
http://www.xiaoyu163.com
http://www.xiaoyu163.com

Other manuals for Denon DVD-1920

Related product manuals