EasyManua.ls Logo

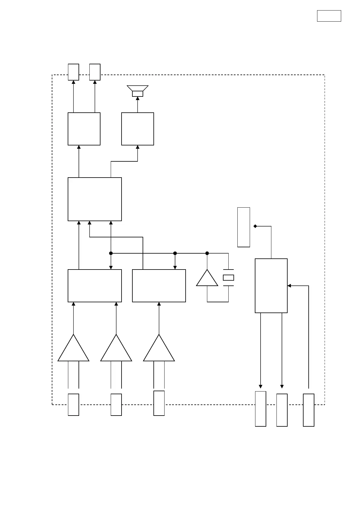
Denon S-102 - DSW-S102 Block Diagram

Denon S-102
125 pages
Print Icon
To Next Page IconTo Next Page
To Next Page IconTo Next Page
To Previous Page IconTo Previous Page
To Previous Page IconTo Previous Page
Loading...
43
S-102
DSW-S102
4580
4580
4580
24.576MHz
FL IN
FR IN
SW IN
FL
FR
+9V_NSW
50/60Hz
Internal PS
AC IN
DSW-S102 Block Diagram
Internal SP
PCM1803
PCM1803
TAS5066
TAS5142
TAS5121
SMPS

Other manuals for Denon S-102

Related product manuals