EasyManua.ls Logo

Denyo DCA-6LSX - Page 56

Denyo DCA-6LSX
64 pages
Print Icon
To Next Page IconTo Next Page
To Next Page IconTo Next Page
To Previous Page IconTo Previous Page
To Previous Page IconTo Previous Page
Loading...
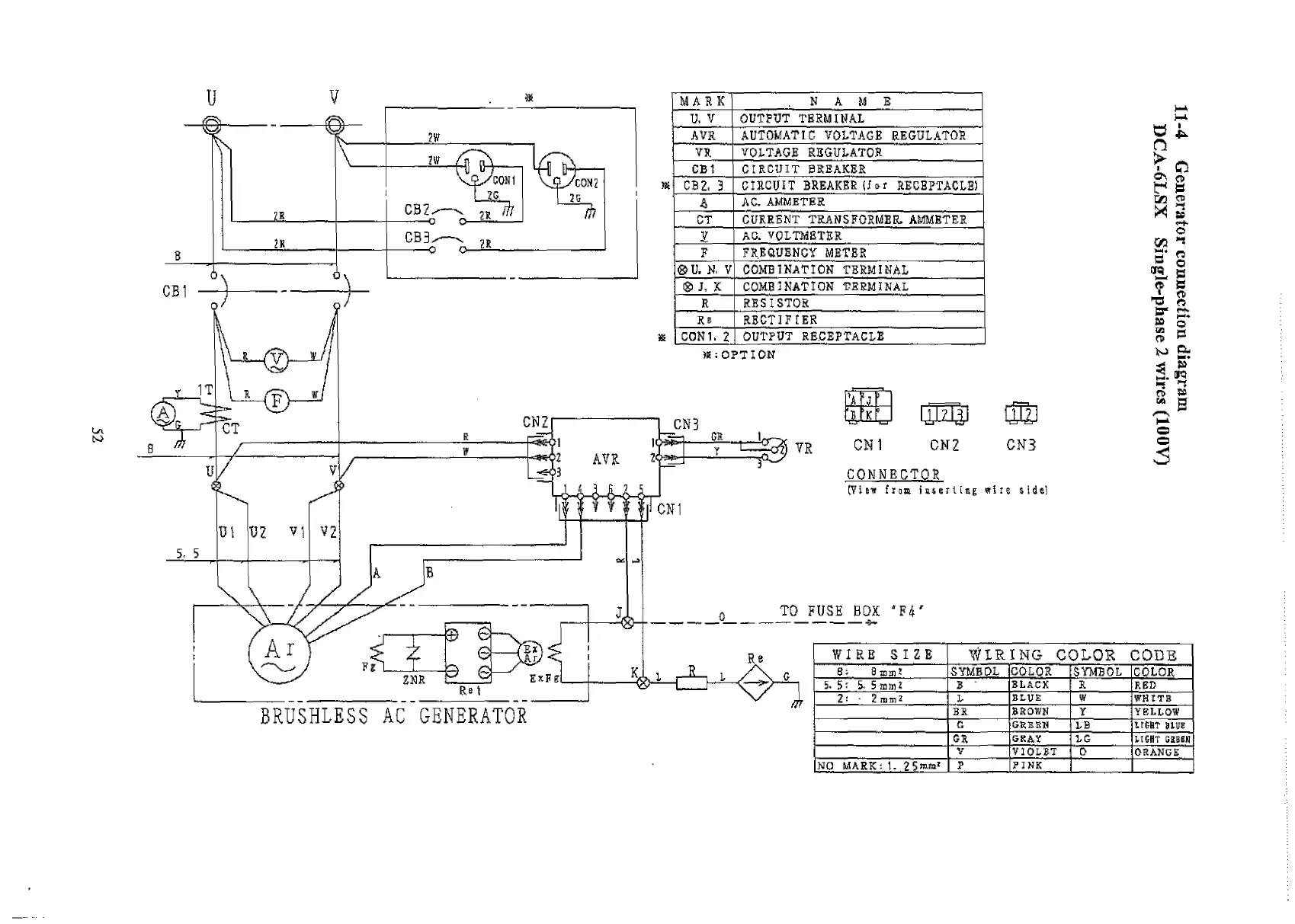
MARK NAME
u. v
OUTPUT TERMINAL
AVR
AUTOMATIC VOLTAGE REGULATOR
VR
VOLTAGE REGULATOR
СБ1 CIRCUIT BREAKER
CB2, 3
CIRCUIT BREAKER (fir RECEPTACLE)
A
AC. AMMETER
CT
CURRENT TRANSFORMER, AMMETER
X
AC. VOLTMETER
F
FREQUENCY METER
® U. N, V
COMBINATION TERMINAL
® J, К
COMBINATION TERMINAL
R RESISTOR
Re
RBCTIFIER
CON 1. 2
OUTPUT RECEPTACLE
CN1
1ДЩ1 Ш
CN2 СКЗ
CONNECTOR
(Vis1» from u t e tliig wire side)
TO FUSE BOX 'F 4 '
© i,
П
£2 о
CO
X
***b
О
СЙ ^
3 g
S3
' rt
Ч О
Г+.
» 5*
S p
ы £-
Й »'
3. ora
s "t
rt> ®
д в
(-1
о
о
3
BRTJSHLESS AC GENERATOR
WIRE SIZE
W IRING COLOR CODE
B; Brora*
SYMBOL
COLOR
SYMBOL
COLOR
5. 5: 5. S m m I
В
BLACK
R
RED
1 2 mm2 L
BLUE W WHITB
BR
BROWN
Y YELLOW
G
GREEN LB
LtGHT )LVE
GR
GRAY LG LIGHT СШН
V
VIOLET
0
ORANGE
NO MARK: 1. 2S«n»*
P
PINK

Related product manuals