EasyManua.ls Logo

Denyo DCA-6LSX - Page 57

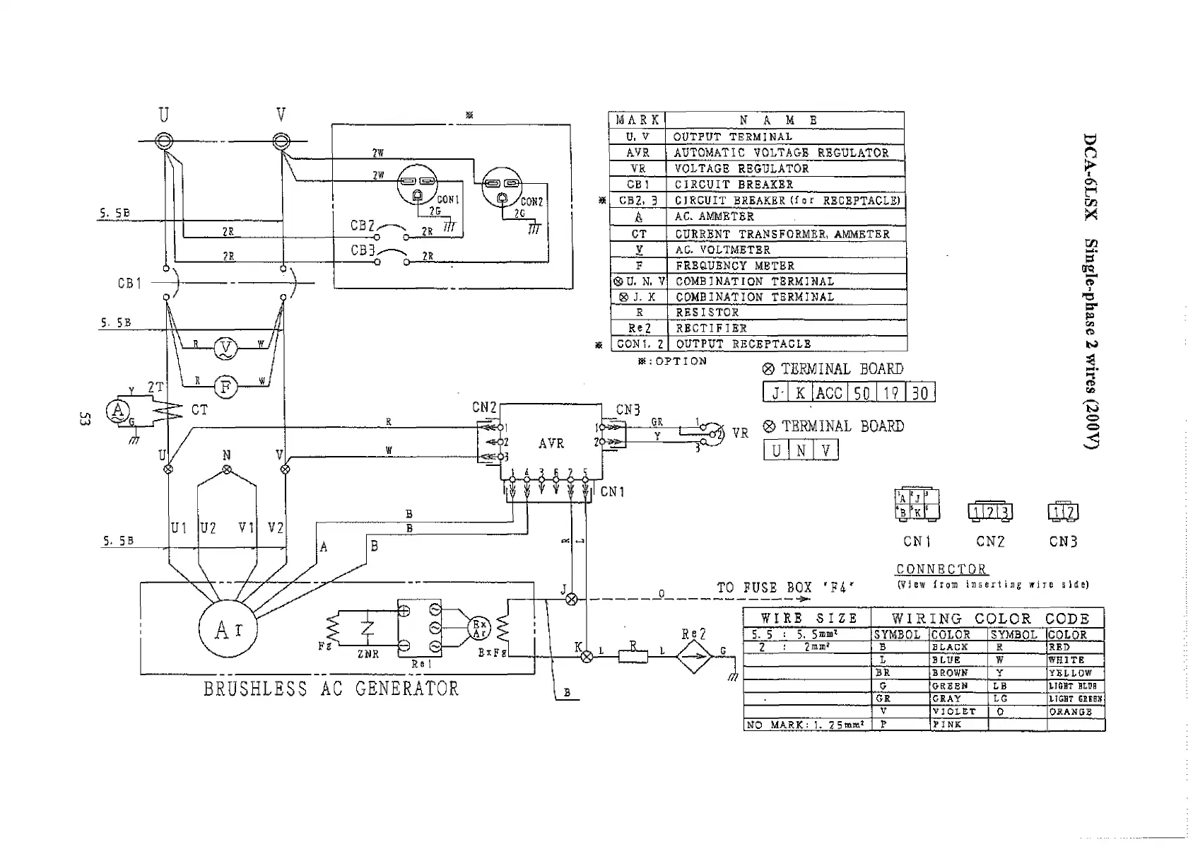
Denyo DCA-6LSX
64 pages
Print Icon
To Next Page IconTo Next Page
To Next Page IconTo Next Page
To Previous Page IconTo Previous Page
To Previous Page IconTo Previous Page
Loading...
O P T IO N
MARX NAME
U. V
OUTPUT TERMINAL
AVR
AUTOMATIC VOLTAGE REGULATOR
VR VOLTAGE REGULATOR
CB 1
CIRCUIT BREAKER
СБ2. 3
CIRCUIT BREAKER d o r RECEPTACLE)
A
AC. AMMETER
CT CURRENT TRANSFORMER, AMMETER
V
AC. VOLTMETER
F FREQUENCY METER
®U. N. V COMBINATION TERMINAL
8 J. К
COMBINATION TERMINAL
R
RESISTOR
Re 2
RECTIFIER
CON 1, 2 OUTPUT RECEPTACLE
® TERMINAL BOARD
J'
K ACC
50
19
50
CN3
«-Sri GR L
01
?2 AVR
1ti3£2_
\\
I'
a v ^
i
® TERMINAL BOARD
U N V
J
3
‘B lK
Б
1
__
l
*
CN 1
ЩЩ1
CN2
0
П
On
f t
Cn
X
CO
S '
w
(Г1
1
»o
cr
fo
cn
Ы
3
n
13
О
О
3
ш э
CN3
FUSE BOX 'P i '
CONNB CTOR
(View from in s ert i jij; wiye side)
BRUSHLESS AC GENERATOR
WIRE SIZE
WIRING COLOR CODE
S. 5 : 5. 5mm1
SYMBOL COLOR
SYMBOL
COLOR
2 : Im n1 В
BLACK
К
RED
L BLUE
w
WHITE
BR
BROWN
Y
YELLOW
G
ORE EH LB
LIGHT BLUB
GR GRAY
LG light Gum
V
VIOLET
0
OEANGE
NO MARK: 1. PStnm* P
F I NK

Related product manuals